LT1610

製造中

1.7MHz、単一セル・マイクロパワー DC/DCコンバータ

利用上の注意

本データシートの英語以外の言語への翻訳はユーザの便宜のために提供されるものであり、リビジョンが古い場合があります。最新の内容については、必ず最新の英語版をご参照ください。

なお、日本語版のデータシートは基本的に「Rev.0」(リビジョン0)で作成されています。そのため、英語版が後に改訂され、複数製品のデータシートがひとつに統一された場合、同じ「Rev.0」の日本語版のデータシートが異なる製品のデータシートとして表示されることがあります。たとえば、「ADM3307E」の場合、日本語データシートをクリックすると「ADM3311E」が表示されます。これは、英語版のデータシートが複数の製品で共有できるように1本化され、「ADM3307E/ADM3310E/ADM3311E/ADM3312E/ADM3315E」(Rev.J)と改訂されたからで、決して誤ってリンクが張られているわけではありません。和文化されたデータシートを少しでも有効に活用していただくためにこのような方法をとっておりますので、ご了解ください。

アナログ・デバイセズ社は、提供する情報が正確で信頼できるものであることを期していますが、その情報の利用に関して、あるいはその利用によって生じる第三者の特許やその他の権利の侵害に関して一切の責任を負いません。また、アナログ・デバイセズ社の特許または特許の権利の使用を明示的または暗示的に許諾するものでもありません。仕様は予告なしに変更する場合があります。本紙記載の商標および登録商標は、各社の所有に属します。

Viewing:

製品情報

  • 小型のコンデンサとインダクタを使用 
  • 内部補償 
  • 低消費電流:30μA 
  • 最小1VのVINで動作 
  • 単一セルから3V/30mAを供給 
  • 3.3Vから5V/200mAを出力 
  • 出力電圧:最大28V 
  • 低シャットダウン電流:1μA未満 
  • 軽負荷時の自動バースト・モード動作 
  • 低VCESATスイッチ:300mA時300mV 
  • 8ピンMSOPおよびSOパッケージ 

LT1610はマイクロパワー固定周波数DC/DCコンバータで、最小1Vの入力電圧で動作します。小規模の低電力アプリケーション用に開発されたもので、1.7MHzでスイッチングを行い、小型のコンデンサとインダクタを使用することができます。

このデバイスは1セル(1V)電源から3V/30mAを生成することができます。LT1610のVCピンに内部補償ネットワークを接続して、2つの部品を削減することができます。LT1610の無負荷時消費電流は30μAで、内部NPNパワー・スイッチは300mVの電圧降下で300mAの電流を扱うことができます。

LT1610は8ピンMSOPおよびSOパッケージで供給されます。


アプリケーション

  • ページャ 
  • コードレス電話 
  • バッテリ・バックアップ 
  • LCDバイアス 
  • ポータブル電子機器

LT1610
1.7MHz、単一セル・マイクロパワー DC/DCコンバータ
Figure 1. 1-Cell to 3V Step-Up Converter Efficiency Product Package 1 Product Package 2
myAnalogに追加

myAnalogの製品セクション(通知受け取り)、既存/新規プロジェクトに製品を追加する。

新規プロジェクトを作成
質問する
サポート

アナログ・デバイセズのサポート・ページはアナログ・デバイセズへのあらゆるご質問にお答えするワンストップ・ポータルです。


ドキュメント

データシート

これは最新改訂バージョンのデータシートです。

さらに詳しく
myAnalogに追加

myAnalogのリソース・セクション、既存/新規プロジェクトにメディアを追加する。

新規プロジェクトを作成

ソフトウェア・リソース

必要なソフトウェア/ドライバが見つかりませんか?

ドライバ/ソフトウェアをリクエスト

ツールおよびシミュレーション

LTspice


下記製品はLTspiceで使用することが出来ます。:

  • LT1610
LTspice

LTspice®は、無料で提供される強力で高速な回路シミュレータと回路図入力、波形ビューワに改善を加え、アナログ回路のシミュレーションを容易にするためのモデルを搭載しています。

 


評価用キット

eval board
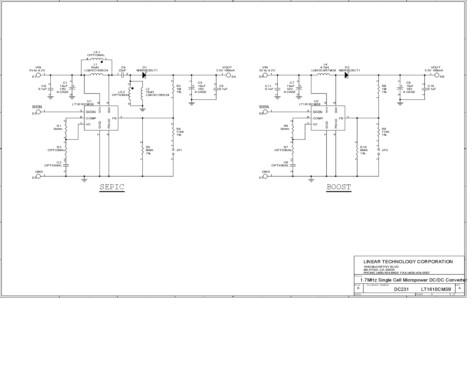
DC231A

LT1610CMS8 | 1.7MHz, Single Cell Micropower DC/DC Converter, 1V to 5VIN, 3.3V or 5VOUT, 2 Circuits; SEPIC and Boost

製品詳細

DC231A: Demo Board for the LT1610 1.7MHz, Single Cell Micropower DC/DC Converter.

DC231A
LT1610CMS8 | 1.7MHz, Single Cell Micropower DC/DC Converter, 1V to 5VIN, 3.3V or 5VOUT, 2 Circuits; SEPIC and Boost
DC231A - Schematic

最新のディスカッション

LT1610に関するディスカッションはまだありません。意見を投稿しますか?

EngineerZone®でディスカッションを始める

最近表示した製品