製品概要
製品概要
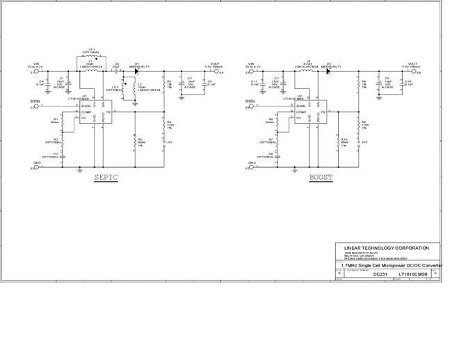
DC231A: Demo Board for the LT1610 1.7MHz, Single Cell Micropower DC/DC Converter.
対象となる製品
関連資料
-
DC231A - Schematic2009/09/24PDF56K
-
DC231A - Design File2009/09/24ZIP175K
