HMC860

最終販売

リニア電圧レギュレータ、クワッド、低ノイズ、高PSRR

利用上の注意

本データシートの英語以外の言語への翻訳はユーザの便宜のために提供されるものであり、リビジョンが古い場合があります。最新の内容については、必ず最新の英語版をご参照ください。

なお、日本語版のデータシートは基本的に「Rev.0」(リビジョン0)で作成されています。そのため、英語版が後に改訂され、複数製品のデータシートがひとつに統一された場合、同じ「Rev.0」の日本語版のデータシートが異なる製品のデータシートとして表示されることがあります。たとえば、「ADM3307E」の場合、日本語データシートをクリックすると「ADM3311E」が表示されます。これは、英語版のデータシートが複数の製品で共有できるように1本化され、「ADM3307E/ADM3310E/ADM3311E/ADM3312E/ADM3315E」(Rev.J)と改訂されたからで、決して誤ってリンクが張られているわけではありません。和文化されたデータシートを少しでも有効に活用していただくためにこのような方法をとっておりますので、ご了解ください。

アナログ・デバイセズ社は、提供する情報が正確で信頼できるものであることを期していますが、その情報の利用に関して、あるいはその利用によって生じる第三者の特許やその他の権利の侵害に関して一切の責任を負いません。また、アナログ・デバイセズ社の特許または特許の権利の使用を明示的または暗示的に許諾するものでもありません。仕様は予告なしに変更する場合があります。本紙記載の商標および登録商標は、各社の所有に属します。

Viewing:

製品情報

  • 超低ノイズ:
    3nV/√Hz(10kHz時)
    7nV/√Hz(1kHz時)
  • 高電源除去比(PSRR):80dB(1kHz時)、60dB(1MHz時)
  • 4つの電圧出力:
    VR1 @ 3V / 80mA
    VR2、VR3 @ 3V / 20mA
    VR4 @ 4.5V / 120mA
  • 調整式出力:2.5V~5.2V
  • 低パワーダウン電流:<1μA
  • 16ピン3×3mm SMTパッケージ:9mm2

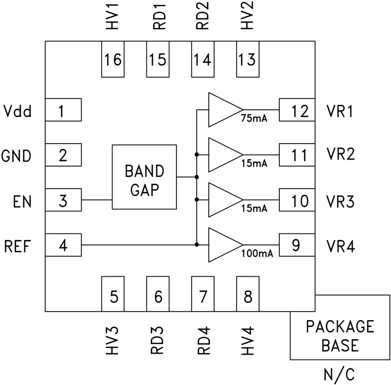
HMC860LP3Eは、BiCMOS使用の超低ノイズクワッド出力電圧レギュレータです。外部でデカップリングした低ノイズのバンドギャップ・リファレンスで、最良の近接ノイズ性能を実現できます。0.1MHz~10MHzの電源除去比(PSRR)が高く、先行段のスイッチング・レギュレータのノイズを効果的に除去します。4個の電圧出力は、Hittiteの広範なVCO内蔵PLLシリーズなどの周波数生成サブシステムに最適です。各出力電圧は、外付け抵抗1個で、デフォルト値より高い値または低い値に調整できます。 

各出力は、該当するHVピンを接地することにより5Vに設定できます。TTL対応イネーブル入力によってパワーダウンすることもできます。HMC860LP3Eは、3×3mm QFN SMTパッケージを採用しています。 

アプリケーション

  • 試験用計測
  • ミリタリ無線、レーダー、ECM
  • 基地局インフラストラクチャ
  • 超低ノイズ周波数生成
  • フラクショナルNシンセサイザ電源
  • ミックスド・シグナル回路電源

HMC860
リニア電圧レギュレータ、クワッド、低ノイズ、高PSRR
HMC860 Functional Block Diagram
myAnalogに追加

myAnalogの製品セクション(通知受け取り)、既存/新規プロジェクトに製品を追加する。

新規プロジェクトを作成
質問する
サポート

アナログ・デバイセズのサポート・ページはアナログ・デバイセズへのあらゆるご質問にお答えするワンストップ・ポータルです。


ドキュメント

データシート 1

技術記事 1

データシート

これは最新改訂バージョンのデータシートです。

さらに詳しく
myAnalogに追加

myAnalogのリソース・セクション、既存/新規プロジェクトにメディアを追加する。

新規プロジェクトを作成

ソフトウェア・リソース

必要なソフトウェア/ドライバが見つかりませんか?

ドライバ/ソフトウェアをリクエスト

ハードウェア・エコシステム

製品モデル 製品ライフサイクル 詳細
LT3045 新規設計に推奨 20V、500mA、超低ノイズ、超高PSRRのリニア・レギュレータ
LT3042 新規設計に推奨 20V、200mA、超低ノイズ、超高PSRRのRFリニア・レギュレータ
Modal heading
myAnalogに追加

myAnalogの製品セクション(通知受け取り)、既存/新規プロジェクトに製品を追加する。

新規プロジェクトを作成

評価用キット

eval board
EVAL-HMC860LP3E

HMC860LP3E Evaluation Board

製品詳細

This page contains ordering information for evaluating the HMC860LP3E.

The Design Files link includes the BOM, schematics, and Gerber files for the evaluation board.

EVAL-HMC860LP3E
HMC860LP3E Evaluation Board
HMC860 Evaluation Board HMC860 Evaluation Board - Bottom View

最新のディスカッション

最近表示した製品