HMC839

最終販売

フラクショナルN PLL、VCO内蔵、SMT、1050~1205、2100~2410、4200~4820MHz

利用上の注意

本データシートの英語以外の言語への翻訳はユーザの便宜のために提供されるものであり、リビジョンが古い場合があります。最新の内容については、必ず最新の英語版をご参照ください。

なお、日本語版のデータシートは基本的に「Rev.0」(リビジョン0)で作成されています。そのため、英語版が後に改訂され、複数製品のデータシートがひとつに統一された場合、同じ「Rev.0」の日本語版のデータシートが異なる製品のデータシートとして表示されることがあります。たとえば、「ADM3307E」の場合、日本語データシートをクリックすると「ADM3311E」が表示されます。これは、英語版のデータシートが複数の製品で共有できるように1本化され、「ADM3307E/ADM3310E/ADM3311E/ADM3312E/ADM3315E」(Rev.J)と改訂されたからで、決して誤ってリンクが張られているわけではありません。和文化されたデータシートを少しでも有効に活用していただくためにこのような方法をとっておりますので、ご了解ください。

アナログ・デバイセズ社は、提供する情報が正確で信頼できるものであることを期していますが、その情報の利用に関して、あるいはその利用によって生じる第三者の特許やその他の権利の侵害に関して一切の責任を負いません。また、アナログ・デバイセズ社の特許または特許の権利の使用を明示的または暗示的に許諾するものでもありません。仕様は予告なしに変更する場合があります。本紙記載の商標および登録商標は、各社の所有に属します。

Viewing:

製品情報

  • RF帯域幅:1050~1205、2100~2410、4200~4820MHz
  • フラクショナル・モードまたはインテジャー・モード
  • 19ビット・プリスケーラ
  • 超低位相ノイズ:帯域内で−115dBc/Hz(代表値)
  • 性能指数(FOM):−230dBc、インテジャー
  • 24ビット・ステップ・サイズ、3Hz分解能(代表値) 
  • 200MHz、14ビット・リファレンス・パス入力
  • サイクル・スリップ防止機能
  • 40ピン6×6mm SMTパッケージ:36mm2


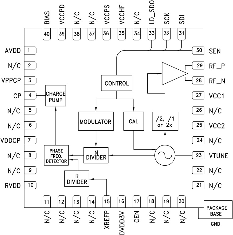
HMC839LP6CEは、必要なあらゆる機能を備えた電圧制御発振器(VCO)内蔵のフラクショナルNフェーズロック・ループ(PLL)周波数シンセサイザです。シンセサイザは、3帯域出力の内蔵低ノイズVCO、定電圧VCOチューニング用の自動校正サブシステム、超低ノイズのデジタル位相ディテクタ(PD)、高精度制御のチャージ・ポンプ、低ノイズのリファレンス・パス分周器、フラクショナル分周器で構成されています。 

フラクショナル・シンセサイザは、極めて細かいステップ・サイズと低スプリアス積の両方を可能にする高度なデルタ・シグマ変調器設計を採用しています。位相ディテクタ(PD)のサイクル・スリップ防止(CSP)機能で、周波数ホッピング時間を短縮します。固有位相ノイズが極めて低く、スプリアスも少ないため、ループ帯域幅が広くなり、周波数ホッピングの高速化とマイクロフォニック雑音の低減を実現できます。 

動作原理とレジスタ・マップについては、"PLLs with Integrated VCO - RF VCOs"(VCO内蔵PLL - RF VCO)オペレーティング・ガイドをご覧ください。 

アプリケーション

  • セルラ/4Gインフラストラクチャ
  • リピータおよびフェムトセル
  • 通信テスト機器
  • CATV機器
  • フェーズドアレイ・アプリケーション
  • DDSの代替
  • 超高データレート無線

HMC839
フラクショナルN PLL、VCO内蔵、SMT、1050~1205、2100~2410、4200~4820MHz
HMC839LP6C Functional Block Diagram
myAnalogに追加

myAnalogの製品セクション(通知受け取り)、既存/新規プロジェクトに製品を追加する。

新規プロジェクトを作成
質問する
サポート

アナログ・デバイセズのサポート・ページはアナログ・デバイセズへのあらゆるご質問にお答えするワンストップ・ポータルです。


ドキュメント

データシート

これは最新改訂バージョンのデータシートです。

さらに詳しく
myAnalogに追加

myAnalogのリソース・セクション、既存/新規プロジェクトにメディアを追加する。

新規プロジェクトを作成

ソフトウェア・リソース

必要なソフトウェア/ドライバが見つかりませんか?

ドライバ/ソフトウェアをリクエスト

ハードウェア・エコシステム

製品モデル 製品ライフサイクル 詳細
コンパレータ 1
LTC6957 位相ノイズの小さいデュアル出力バッファ/ドライバ/ロジック・コンバータ
フェーズ・ロック・ループ(PLL)シンセサイザ 1
HMC1031 最終販売 0.1 MHz ~ 500 MHz のクロック・ジェネレータ、インテジャー N PLL 付き
Modal heading
myAnalogに追加

myAnalogの製品セクション(通知受け取り)、既存/新規プロジェクトに製品を追加する。

新規プロジェクトを作成

評価用キット

EVAL-HMC839LP6CE
HMC839LP6CE評価用ボード
HMC821 Evaluation Board HMC821 Evaluation Board - Top View HMC821 Evaluation Board - Bottom View

最新のディスカッション

最近表示した製品