Quantic X-Microwave

Analog Devices RF and microwave components are available as drop-in X-MWblocks®
from Quantic X-Microwave.

Get the X-MWblock® drop-in module for this part.

HMC634LC4

製造中

SMT ドライバ・アンプ、5 GHz ~ 20 GHz

利用上の注意

本データシートの英語以外の言語への翻訳はユーザの便宜のために提供されるものであり、リビジョンが古い場合があります。最新の内容については、必ず最新の英語版をご参照ください。

なお、日本語版のデータシートは基本的に「Rev.0」(リビジョン0)で作成されています。そのため、英語版が後に改訂され、複数製品のデータシートがひとつに統一された場合、同じ「Rev.0」の日本語版のデータシートが異なる製品のデータシートとして表示されることがあります。たとえば、「ADM3307E」の場合、日本語データシートをクリックすると「ADM3311E」が表示されます。これは、英語版のデータシートが複数の製品で共有できるように1本化され、「ADM3307E/ADM3310E/ADM3311E/ADM3312E/ADM3315E」(Rev.J)と改訂されたからで、決して誤ってリンクが張られているわけではありません。和文化されたデータシートを少しでも有効に活用していただくためにこのような方法をとっておりますので、ご了解ください。

アナログ・デバイセズ社は、提供する情報が正確で信頼できるものであることを期していますが、その情報の利用に関して、あるいはその利用によって生じる第三者の特許やその他の権利の侵害に関して一切の責任を負いません。また、アナログ・デバイセズ社の特許または特許の権利の使用を明示的または暗示的に許諾するものでもありません。仕様は予告なしに変更する場合があります。本紙記載の商標および登録商標は、各社の所有に属します。

Viewing:

製品情報

  • ゲイン: 21 dB
  • P1dB: +22 dBm
  • 飽和電力:
  • 17 % の PAE で +23 dBm
  • 単電源電圧: +5 V/180 mA
  • 50 Ω に整合した入出力
  • 24 ピン 4 mm x 4 mm セラミック SMT パッケージ: 16 mm²

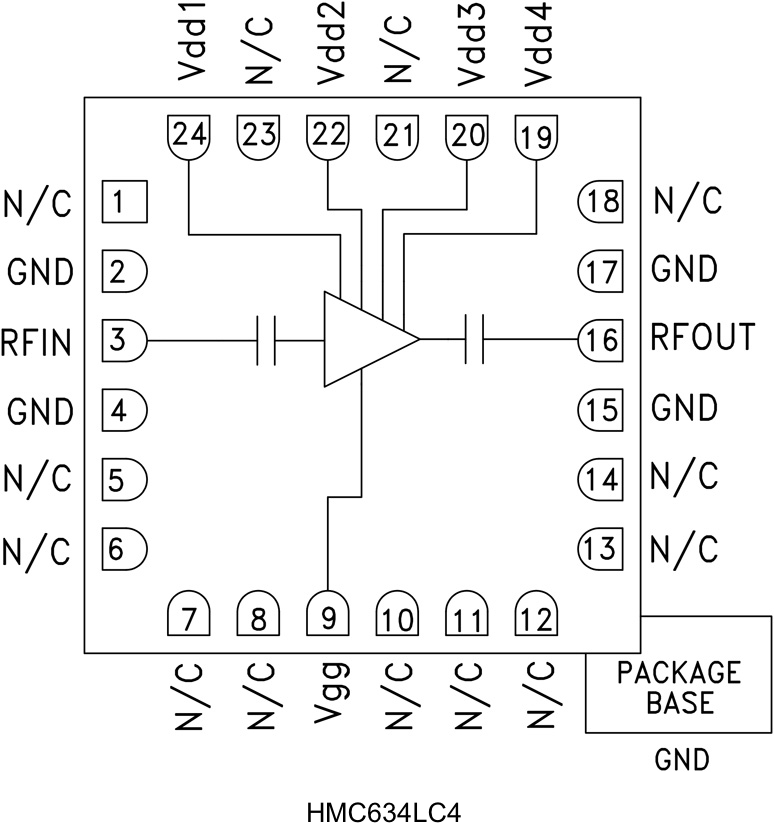
HMC634LC4 は GaAs PHEMT MMIC ドライバ・アンプで、リードレスの 4 mm x 4 mm セラミック表面実装パッケージに収められており、動作範囲は 5 GHz ~ 20 GHz です。このアンプは、21 dB のゲイン、+29 dBm の出力 IP3、1 dB ゲイン圧縮ポイントでの +22 dBm の出力電力を提供し、+5 V 電源から 180 mA を必要とします。HMC634LC4 は、5 GHz ~ 20 GHz のマイクロ波無線のアプリケーションに最適なドライバ・アンプです。+5 V/130 mA でバイアスしてゲインを下げ、PAE を最適化することができます。アンプの I/O は DC ブロックされ、50 Ω に整合しており、外付け部品は不要です。

アプリケーション

  • ポイント to ポイント無線
  • ポイント to マルチポイント無線および VSAT
  • ミキサー用 LO ドライバ
  • 防衛および宇宙

HMC634LC4
SMT ドライバ・アンプ、5 GHz ~ 20 GHz
HMC634LC4_fbl
myAnalogに追加

myAnalogの製品セクション(通知受け取り)、既存/新規プロジェクトに製品を追加する。

新規プロジェクトを作成
質問する
サポート

アナログ・デバイセズのサポート・ページはアナログ・デバイセズへのあらゆるご質問にお答えするワンストップ・ポータルです。


ドキュメント

データシート

これは最新改訂バージョンのデータシートです。

さらに詳しく
myAnalogに追加

myAnalogのリソース・セクション、既存/新規プロジェクトにメディアを追加する。

新規プロジェクトを作成

ソフトウェア・リソース

必要なソフトウェア/ドライバが見つかりませんか?

ドライバ/ソフトウェアをリクエスト

ツールおよびシミュレーション

ADIsimRF

ADIsimRFは使いやすいRFシグナル・チェーン計算ツールです。最大50段までのシグナル・チェーンについて、カスケード・ゲイン、ノイズ、歪み、消費電力を計算し、プロット、エクスポートが可能です。ADIsimRFには、アナログ・デバイセズのRFおよびミックスド・シグナル部品のデバイス・モデルの広範なデータ・ベースも含まれています。

ツールを開く

Keysight Genesys向けのSys-Parameterモデル

Sys-Parameterモデルは、デバイスの直線性と非直線性を明らかにするP1dB、IP3、ゲイン、ノイズ指数、リターン損失などの挙動パラメータを提供します。

ツールを開く

Sパラメータ 1


評価用キット

EVAL-HMC634LC4
HMC634LC4 Evaluation Board

最新のディスカッション

最近表示した製品