HMC442LC3B

製造中

中出力パワー・アンプ、SMT、17.5 GHz ~ 25.5 GHz

利用上の注意

本データシートの英語以外の言語への翻訳はユーザの便宜のために提供されるものであり、リビジョンが古い場合があります。最新の内容については、必ず最新の英語版をご参照ください。

なお、日本語版のデータシートは基本的に「Rev.0」(リビジョン0)で作成されています。そのため、英語版が後に改訂され、複数製品のデータシートがひとつに統一された場合、同じ「Rev.0」の日本語版のデータシートが異なる製品のデータシートとして表示されることがあります。たとえば、「ADM3307E」の場合、日本語データシートをクリックすると「ADM3311E」が表示されます。これは、英語版のデータシートが複数の製品で共有できるように1本化され、「ADM3307E/ADM3310E/ADM3311E/ADM3312E/ADM3315E」(Rev.J)と改訂されたからで、決して誤ってリンクが張られているわけではありません。和文化されたデータシートを少しでも有効に活用していただくためにこのような方法をとっておりますので、ご了解ください。

アナログ・デバイセズ社は、提供する情報が正確で信頼できるものであることを期していますが、その情報の利用に関して、あるいはその利用によって生じる第三者の特許やその他の権利の侵害に関して一切の責任を負いません。また、アナログ・デバイセズ社の特許または特許の権利の使用を明示的または暗示的に許諾するものでもありません。仕様は予告なしに変更する場合があります。本紙記載の商標および登録商標は、各社の所有に属します。

Viewing:

製品情報

  • ゲイン: 13 dB
  • 飽和電力: 26% の PAE で +23 dBm
  • 電源電圧: +5 V
  • 50 Ω に整合した入出力
  • RoHS 準拠 3 mm x 3 mm SMT パッケージ

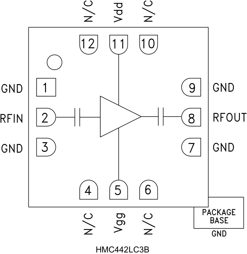
HMC442LC3B は、高効率の GaAs PHEMT MMIC 中出力パワー・アンプで、リードレスの「鉛フリー」RoHS 準拠 SMT パッケージに収められています。17.5 GHz ~ 25.5 GHz で動作するこのアンプは、+5V 電源電圧から 13 dB のゲイン、+23 dBm の飽和電力、26 % の PAE を提供します。この 50 Ω に整合したアンプは外付け部品を必要としないので、HMC の SMT ミキサーのリニア・ゲイン・ブロックやドライバに最適です。HMC442LC3B は、表面実装製造技術に対応しています。 

アプリケーション
  • ポイント to ポイント無線
  • ポイント to マルチポイント無線
  • HMC ミキサー用 LO ドライバ
  • 防衛用 EW および ECM

HMC442LC3B
中出力パワー・アンプ、SMT、17.5 GHz ~ 25.5 GHz
HMC442LC3B_fbl
myAnalogに追加

myAnalogの製品セクション(通知受け取り)、既存/新規プロジェクトに製品を追加する。

新規プロジェクトを作成
質問する
サポート

アナログ・デバイセズのサポート・ページはアナログ・デバイセズへのあらゆるご質問にお答えするワンストップ・ポータルです。


ドキュメント

データシート

これは最新改訂バージョンのデータシートです。

さらに詳しく
myAnalogに追加

myAnalogのリソース・セクション、既存/新規プロジェクトにメディアを追加する。

新規プロジェクトを作成

ソフトウェア・リソース

必要なソフトウェア/ドライバが見つかりませんか?

ドライバ/ソフトウェアをリクエスト

ツールおよびシミュレーション

ADIsimRF

ADIsimRFは使いやすいRFシグナル・チェーン計算ツールです。最大50段までのシグナル・チェーンについて、カスケード・ゲイン、ノイズ、歪み、消費電力を計算し、プロット、エクスポートが可能です。ADIsimRFには、アナログ・デバイセズのRFおよびミックスド・シグナル部品のデバイス・モデルの広範なデータ・ベースも含まれています。

ツールを開く

Keysight Genesys向けのSys-Parameterモデル

Sys-Parameterモデルは、デバイスの直線性と非直線性を明らかにするP1dB、IP3、ゲイン、ノイズ指数、リターン損失などの挙動パラメータを提供します。

ツールを開く

Sパラメータ 1


評価用キット

EVAL-HMC442LC3B
HMC442LC3B Evaluation Board.

最新のディスカッション

最近表示した製品