Quantic X-Microwave

Analog Devices' RF and microwave components are now also available as X-MWblock® drop-in evaluation modules from X-Microwave.

Get the X-MWblock® drop-in module for this part.

HMC383LC4

製造中

中出力パワー・アンプ、SMT、12 GHz ~ 30 GHz

利用上の注意

本データシートの英語以外の言語への翻訳はユーザの便宜のために提供されるものであり、リビジョンが古い場合があります。最新の内容については、必ず最新の英語版をご参照ください。

なお、日本語版のデータシートは基本的に「Rev.0」(リビジョン0)で作成されています。そのため、英語版が後に改訂され、複数製品のデータシートがひとつに統一された場合、同じ「Rev.0」の日本語版のデータシートが異なる製品のデータシートとして表示されることがあります。たとえば、「ADM3307E」の場合、日本語データシートをクリックすると「ADM3311E」が表示されます。これは、英語版のデータシートが複数の製品で共有できるように1本化され、「ADM3307E/ADM3310E/ADM3311E/ADM3312E/ADM3315E」(Rev.J)と改訂されたからで、決して誤ってリンクが張られているわけではありません。和文化されたデータシートを少しでも有効に活用していただくためにこのような方法をとっておりますので、ご了解ください。

アナログ・デバイセズ社は、提供する情報が正確で信頼できるものであることを期していますが、その情報の利用に関して、あるいはその利用によって生じる第三者の特許やその他の権利の侵害に関して一切の責任を負いません。また、アナログ・デバイセズ社の特許または特許の権利の使用を明示的または暗示的に許諾するものでもありません。仕様は予告なしに変更する場合があります。本紙記載の商標および登録商標は、各社の所有に属します。

Viewing:

製品情報

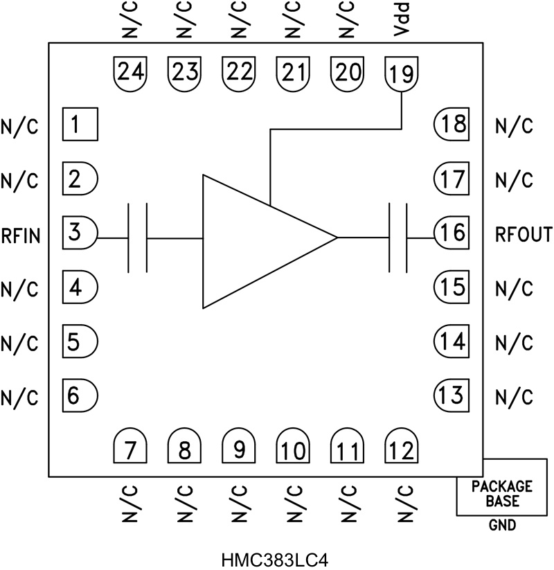
  • ゲイン: 15 dB
  • 飽和出力電力: +18 dBm
  • 出力 IP3: +25 dBm
  • 正の単電源: +5 V/100 mA
  • 50 Ω に整合した入出力
  • RoHS 準拠 4 mm x 4 mm パッケージ

HMC383LC4 は、汎用の GaAs PHEMT MMIC ドライバ・アンプで、リードレスの RoHS 準拠 SMT パッケージに収められています。このアンプは、+5 V 電源から 15 dB のゲインと +18 dBm の飽和電力を提供します。動作帯域におけるゲインと出力電力が安定しているため、複数無線帯域でのコモン・ドライバ/LO アンプ回路に用いることができます。RF I/O は DC ブロックされ、50 Ω に整合しており、使いやすさが向上しています。RoHS 準拠のリードレス 4 mm x 4 mm パッケージに収められており、表面実装製造技術を使用することができます。 

アプリケーション
  • ポイント to ポイント無線
  • ポイント to マルチポイント無線および VSAT
  • 試験装置およびセンサー
  • HMC ミキサー用 LO ドライバ
  • 防衛および宇宙

HMC383LC4
中出力パワー・アンプ、SMT、12 GHz ~ 30 GHz
HMC383LC4_fbl
myAnalogに追加

myAnalogの製品セクション(通知受け取り)、既存/新規プロジェクトに製品を追加する。

新規プロジェクトを作成
質問する
サポート

アナログ・デバイセズのサポート・ページはアナログ・デバイセズへのあらゆるご質問にお答えするワンストップ・ポータルです。


ドキュメント

データシート

これは最新改訂バージョンのデータシートです。

さらに詳しく
myAnalogに追加

myAnalogのリソース・セクション、既存/新規プロジェクトにメディアを追加する。

新規プロジェクトを作成

ソフトウェア・リソース

必要なソフトウェア/ドライバが見つかりませんか?

ドライバ/ソフトウェアをリクエスト

ツールおよびシミュレーション

ADIsimRF

ADIsimRFは使いやすいRFシグナル・チェーン計算ツールです。最大50段までのシグナル・チェーンについて、カスケード・ゲイン、ノイズ、歪み、消費電力を計算し、プロット、エクスポートが可能です。ADIsimRFには、アナログ・デバイセズのRFおよびミックスド・シグナル部品のデバイス・モデルの広範なデータ・ベースも含まれています。

ツールを開く

Sパラメータ 1

Keysight Genesys向けのSys-Parameterモデル

Sys-Parameterモデルは、デバイスの直線性と非直線性を明らかにするP1dB、IP3、ゲイン、ノイズ指数、リターン損失などの挙動パラメータを提供します。

ツールを開く

評価用キット

eval board
X-Band Phased Array Platform

スケーラブルな32素子のハイブリッド・ビームフォーミング・フェーズド・アレイ・レーダー開発プラットフォーム

機能と利点

Stingray X/Kuフェーズド・アレイ・プロトタイピング・ボード
  • 32チャンネル・アナログ・フェーズド・アレイ・プロトタイピング・プラットフォーム
  • ADAR1000アナログ・フェーズド・アレイ・ビームフォーミングIC × 8個
  • ADTR送受信IC × 32個
  • EF入力RF出力設計
  • 各BFICに個別のRFIO
  • 10GHzの格子間隔
  • キャリブレーション用のスタンドアロンRFディテクタ/ADCコンボ
  • プログラミング用のPMODおよびSDPコネクタ
  • 12V単電源アダプタ(付属)からのオンボード電源レギュレーション

XUD1A X/Cバンド昇降圧コンバータ
  • Xバンド(RF)~Cバンド(IF)の昇降圧コンバータ
  • SMAを介した4 TX/RX RF入出力
  • SMPMを介した4 TX IF入力
  • SMPMを介した4 RX IF出力
  • 外部LOまたは内部PLLオプション
  • プログラミング用PMODコネクタ
  • プログラミング用にSDPコネクタとFMCコネクタを使用できるようにするPMOD経由のインターポーザ・ボード
  • 12V単電源アダプタ(付属)からのオンボード電源レギュレーション

MxFE評価用ボード
  • Xilinx ZCU102評価用ボード(製品には含まれていません)と接続
  • RFレシーバー(Rx)チャンネル × 4(デジタルRxチャンネル × 8)
    • 合計4個の12ビット4GSPS ADC
    • デジタル降圧コンバータ(DDC)× 8個、それぞれが複素数値制御発振器(NCO)を内蔵
    • プログラマブル有限インパルス応答フィルタ(pFIR)× 8
  • RF送信(Tx)チャンネル × 4(デジタルTxチャンネル × 8)
    • 合計4個の16ビット12GSPS DAC
    • デジタル昇圧コンバータ(DUC)× 8個、それぞれが複素数値制御発振器(NCO)を内蔵
  • 柔軟なクロック分配
    • 単一の外部500MHzリファレンスからオンボード・クロックを分配
    • 外部コンバータ・クロックのサポート
  • FMCコネクタを介してZCU102評価用ボードから電源を供給するオンボード電源レギュレーション

ソフトウェアの機能と利点
ソフトウェア・フレームワーク開発を容易にする、使いやすい制御ツールとプラットフォーム・インターフェース
  • MATLABシステム・アプリケーションGUI
  • JESD204b/JESD204cのボード確認を含むサンプルHDLビルド
  • Linuxやデバイス・ドライバなどのエンベデッド・ソフトウェア・ソリューション

プロタイピング時間を短縮するADEFアプリケーション用のソフトウェア・リファレンス例:
  • ハイブリッド・ビームステアリング機能
  • システム位相のキャリブレーション

製品詳細

Xバンド開発プラットフォームには、1 MxFE®ソフトウェア定義直接RFサンプリング・トランシーバ、Xバンド/Cバンド昇降圧コンバータ、およびX/Kuバンドのアナログ・フェーズド・アレイ・プロトタイピング・プラットフォームが含まれています。ターゲット・アプリケーションには、フェーズド・アレイ・レーダー、電子戦、SATCOM地上局などがありますが、特記すべき例としてはXバンドの送受信チャンネルを32個ずつ持つハイブリッド・ビームフォーミング・フェーズド・アレイ・レーダーがあります。

このXバンド開発プラットフォームの特長は、フル機能のシステム・ソリューションであるという点です。これは、ハイブリッド・ビームフォーミング・フェーズド・アレイ・レーダーの実証を行うテストベッドとして使用することを意図したもので、システム・レベルのキャリブレーションを行ったり、ビームフォーミング・アルゴリズムやその他の信号処理アルゴリズムを実装すしたりるために使用することもできます。このシステムは、付属のリファレンス・ソフトウェア、HDLコード、およびMATLABシステムレベル・インターフェース・ソフトウェアを使用して、Zynq® UltraScale+ MPSoC FPGAを使用するXilinx®のZCU102評価用ボードと接続できるように設計されています。

このシステムは、以下のようなアプリケーションの開発プログラムを短縮して、迅速な製品市場投入を実現するために使用できます。

  • ADEF(フェーズド・アレイ、レーダー、EW、SATCOM)
  • ハイブリッド・ビームフォーミング
  • 電子テストおよび計測

X-Band Phased Array Platform
スケーラブルな32素子のハイブリッド・ビームフォーミング・フェーズド・アレイ・レーダー開発プラットフォーム
X-Band Development Platform Block Diagram AD9081 Evaluation Board ADAR1000EVAL1Z KIT  - Bottom View ADAR1000EVAL1Z Evaluation Board - Top View ADAR1000EVAL1Z Evaluation Board - Bottom View EVAL-ADXUD1AEBZ Evaluation Board
EVAL-HMC383LC4
HMC383LC4 Evaluation Board.

最新のディスカッション

最近表示した製品