ADUM5404

製造中

デジタル・アイソレータ、クワッドチャンネル、2.5kV、DC/DCコンバータ内蔵(チャンネル信号方向:0/4)

利用上の注意

本データシートの英語以外の言語への翻訳はユーザの便宜のために提供されるものであり、リビジョンが古い場合があります。最新の内容については、必ず最新の英語版をご参照ください。

なお、日本語版のデータシートは基本的に「Rev.0」(リビジョン0)で作成されています。そのため、英語版が後に改訂され、複数製品のデータシートがひとつに統一された場合、同じ「Rev.0」の日本語版のデータシートが異なる製品のデータシートとして表示されることがあります。たとえば、「ADM3307E」の場合、日本語データシートをクリックすると「ADM3311E」が表示されます。これは、英語版のデータシートが複数の製品で共有できるように1本化され、「ADM3307E/ADM3310E/ADM3311E/ADM3312E/ADM3315E」(Rev.J)と改訂されたからで、決して誤ってリンクが張られているわけではありません。和文化されたデータシートを少しでも有効に活用していただくためにこのような方法をとっておりますので、ご了解ください。

アナログ・デバイセズ社は、提供する情報が正確で信頼できるものであることを期していますが、その情報の利用に関して、あるいはその利用によって生じる第三者の特許やその他の権利の侵害に関して一切の責任を負いません。また、アナログ・デバイセズ社の特許または特許の権利の使用を明示的または暗示的に許諾するものでもありません。仕様は予告なしに変更する場合があります。本紙記載の商標および登録商標は、各社の所有に属します。

Viewing:

製品情報

  • isoPower:絶縁型DC/DCコンバータを内蔵
  • 安定化された3.3Vまたは5.0V出力
  • 出力電力:最大500mW
  • 4チャンネルのDC~25Mbps(NRZ)信号絶縁
  • 沿面距離7.6mm以上の16ピンSOICパッケージを採用
  • 高温動作:105℃(max)
  • 高いコモン・モード過渡耐圧:>25kV/μs
  • 安全性と規制に関する認可
    • UL認定:
      • 2500Vrms、1分間のUL1577に準拠
    • CSA部品承認通知5A
    • VDE適合性認定
      • IEC 60747-5-2(VDE 0884、パート2)
      • VIORM = 560 V peak
    • GB4943.1-2011に準拠するCQC認定

ADuM5401/ADuM5402/ADuM5403/ADUM5404は、isoPower®(絶縁型DC/DCコンバータ)を内蔵したクワッドチャンネルのデジタル・アイソレータです。DC/DCコンバータは、アナログ・デバイセズのiCoupler®技術を採用することにより、5.0V入力電源では5.0Vまたは3.3V、3.3V電源では3.3Vに安定化した最大500mWの絶縁電源を供給します(電力レベルは表1を参照)。この製品では、低消費電力、絶縁設計において、外付けの絶縁型DC/DCコンバータが不要になります。iCoupler®チップ・スケール・トランス技術は、ロジック信号の絶縁と、DC/DCコンバータの電源および帰還パスに使われています。このため、小型なトータル絶縁ソリューションが実現します。

ADuM5401/ADuM5402/ADuM5403/ADuM5404アイソレータは、4チャンネルの独立したアイソレーション・チャンネルを、さまざまなチャンネル構成とデータレートで提供します(英語データシート「オーダー・ガイド(Ordering Guide)」参照)。

isoPower®では、トランスを介して電力を転送するために、高周波スイッチング・エレメントを使っています。プリント回路ボード(PCB)のレイアウトでは、ノイズ放出規格を満たすように特別な注意が必要です。ボード・レイアウトの推奨については、AN-0971アプリケーション・ノートを参照してください。

アプリケーション

  • RS-232/RS-422/RS485トランシーバ
  • 工業用Field busのアイソレーション
  • パワーサプライのスタートアップ・バイアス、ゲート・ドライバ
  • 絶縁センサー・インターフェース
  • 工業用PLC

ADUM5404
デジタル・アイソレータ、クワッドチャンネル、2.5kV、DC/DCコンバータ内蔵(チャンネル信号方向:0/4)
ADuM5401/ADuM5402/ADuM5403/ADuM5404 Functional Block Diagram ADuM5404 Pin Configuration
myAnalogに追加

myAnalogの製品セクション(通知受け取り)、既存/新規プロジェクトに製品を追加する。

新規プロジェクトを作成
質問する
サポート

アナログ・デバイセズのサポート・ページはアナログ・デバイセズへのあらゆるご質問にお答えするワンストップ・ポータルです。


ドキュメント

データシート 2

ユーザ・ガイド 1

アプリケーション・ノート 7

技術記事 4

安全性および規制遵守 1

よく聞かれる質問 1

さらに詳しく
myAnalogに追加

myAnalogのリソース・セクション、既存/新規プロジェクトにメディアを追加する。

新規プロジェクトを作成

ハードウェア・エコシステム

製品モデル 製品ライフサイクル 詳細
ADUM6424A 新規設計に推奨 DC/DCコンバータ内蔵4チャンネル・アイソレータ(0:4の方向性)
Modal heading
myAnalogに追加

myAnalogの製品セクション(通知受け取り)、既存/新規プロジェクトに製品を追加する。

新規プロジェクトを作成

ツールおよびシミュレーション

ADuM5404 IBIS Model (A and C Grades) 2


評価用キット

eval board
EVAL-ADUMQS

EVAL-ADUMQS

機能と利点

  • ネジ端子ブロックを使用した便利な電源接続
  • 50 Ω信号源用の追加BNCコネクタ
  • オンボード信号ルーティング
  • 信号ラップ・バックをサポート
  • 伝送線効果を軽減するシンプルな信号パス
  • 制御ラインにプルアップとプルダウンを内蔵
  • isoPower をサポート
  • 表面実装デバイスとスルーホール・デバイスをサポートするプロジェクト領域を用意

製品詳細

EVAL-ADuMQSEBZは、16ピンのワイドボディSOICおよびQSOPパッケージを採用した大部分のiCoupler®及びisoPower(R)のアイソレーション製品と共に使用することができます。この評価用ボードは、電源、グラウンド、I/Oピンの共通パッド位置をサポートしています。
対応しているiCoupler®製品

  • ADuM130x
  • ADuM131x
  • ADuM140x
  • ADuM141x
  • ADuM1510
  • ADuM240x
  • ADuM330x
  • ADuM340x
  • ADuM344x
  • ADuM440x
  • ADuM5000
  • ADuM520x
  • ADuM540x
  • ADuM6000
  • ADuM620x
  • ADuM640x
  • ADuM744x
  • ADuM7510

EVAL-ADUMQS
EVAL-ADUMQS
EVAL-ADUMQSEBZANGLE EVAL-ADUMQSEBZBOTTOM

リファレンス・デザイン

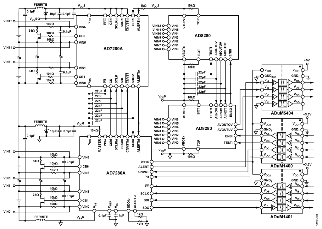
CN0235 Circuits from the Lab®

Fully Isolated Lithium Ion Battery Monitoring and Protection System

機能と利点

  • Measure up to 48 battery channels
  • 1.6mV Cell Voltage Accuracy
  • Alarm interrupts for different voltage conditions
  • Battery cell balancing for load sharing
  • Lithium battery management system
CN0235
Fully Isolated Lithium Ion Battery Monitoring and Protection System

最新のディスカッション

最近表示した製品