AD8303

製造中止

+3 V, Dual, Serial Input Complete 12-Bit DAC

Viewing:

製品情報

  • Complete Dual 12-Bit DAC
  • Pretrimmed Internal Voltage Reference
  • Single +3 V Operation
  • 0.5mV/Bit with 2.0475 v Full Scale
  • Low Power: 9.6 mW
  • 3-Wire Serial SPI Compatible Interface
  • Power Shutdown IDD; 1 µA
  • Compact SO-14, 1.75 mm
    Height Package

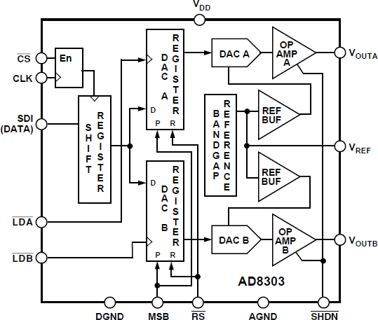
The AD8303 is a complete (includes internal reference) dual, 12-bit, voltage output digital-to-analog converter designed to operate from a single +3 volt supply. Built using a CBCMOS process, this monolithic DAC offers the user low cost and ease-of-use in single-supply +3 volt systems. Operation is guaranteed over the supply voltage range of +2.7 V to +5.5 V making this device ideal for battery operated applications.

The 2.0475 V full-scale voltage output is laser-trimmed to maintain accuracy over the operating temperature range of the device. The binary input data format provides an easy-to-use one-half millivolt-per-bit software programmability. The voltage outputs are capable of sourcing 3 mA.

A double buffered serial data interface offers high speed, three-wire, DSP and SPI microcontroller compatible inputs using data in (SDI), clock (CLK) and load strobe (LDA + LDB) pins. A chip-select (CS) pin simplifies connection of multiple DAC packages by enabling the clock input when active low. Additionally, an RS input sets the output to zero scale or to 1/2 scale based on the level applied to the MSB pin. A power shutdown feature reduces power dissipation to less than 3 µW.

The AD8303 is specified over the extended industrial (-40°C to +85°C) temperature range. AD8303s are available in plastic DIP and low profile 1.75 mm height SO-14 surface mount packages. For single-channel DAC applications, see the AD8300 which is offered in the 8-lead DIP and SO-8 packages.

AD8303
+3 V, Dual, Serial Input Complete 12-Bit DAC
AD8303-fbl
myAnalogに追加

myAnalogの製品セクション(通知受け取り)、既存/新規プロジェクトに製品を追加する。

新規プロジェクトを作成
質問する
サポート

アナログ・デバイセズのサポート・ページはアナログ・デバイセズへのあらゆるご質問にお答えするワンストップ・ポータルです。


ドキュメント

さらに詳しく
myAnalogに追加

myAnalogのリソース・セクション、既存/新規プロジェクトにメディアを追加する。

新規プロジェクトを作成

ソフトウェア・リソース

必要なソフトウェア/ドライバが見つかりませんか?

ドライバ/ソフトウェアをリクエスト

ハードウェア・エコシステム

製品モデル 製品ライフサイクル 詳細
AD5623R 製造中 nanoDAC®コンバータ 12ビット、デュアル、5ppm/℃のオンチップリファレンス
Modal heading
myAnalogに追加

myAnalogの製品セクション(通知受け取り)、既存/新規プロジェクトに製品を追加する。

新規プロジェクトを作成

最新のディスカッション

最近表示した製品