MAX77727

発売前

22V, 3A Synchronous Buck Converter with Ultrasonic Mode

利用上の注意

本データシートの英語以外の言語への翻訳はユーザの便宜のために提供されるものであり、リビジョンが古い場合があります。最新の内容については、必ず最新の英語版をご参照ください。

なお、日本語版のデータシートは基本的に「Rev.0」(リビジョン0)で作成されています。そのため、英語版が後に改訂され、複数製品のデータシートがひとつに統一された場合、同じ「Rev.0」の日本語版のデータシートが異なる製品のデータシートとして表示されることがあります。たとえば、「ADM3307E」の場合、日本語データシートをクリックすると「ADM3311E」が表示されます。これは、英語版のデータシートが複数の製品で共有できるように1本化され、「ADM3307E/ADM3310E/ADM3311E/ADM3312E/ADM3315E」(Rev.J)と改訂されたからで、決して誤ってリンクが張られているわけではありません。和文化されたデータシートを少しでも有効に活用していただくためにこのような方法をとっておりますので、ご了解ください。

アナログ・デバイセズ社は、提供する情報が正確で信頼できるものであることを期していますが、その情報の利用に関して、あるいはその利用によって生じる第三者の特許やその他の権利の侵害に関して一切の責任を負いません。また、アナログ・デバイセズ社の特許または特許の権利の使用を明示的または暗示的に許諾するものでもありません。仕様は予告なしに変更する場合があります。本紙記載の商標および登録商標は、各社の所有に属します。

Viewing:

製品情報

  • 3.6V to 22V Input Voltage Range
  • 1.8V to 15V Output Voltage Range
  • Low Current Consumption and High Efficiency
    • 100nA Shutdown Current
    • 800nA Quiescent Current in Low Power Mode
    • 96% Peak Efficiency
  • Integrated 50mΩ and 45mΩ Power MOSFETs
  • Up to 4.6A Inductor Peak Current Limit
  • MAX77726 Provides 3.3V, 5V, 9V, and 15V Regulation Target Voltage Selection using Two VSEL Pins
  • MAX77727 Provides Output Voltage Programmable from 1.8V to 15V Through I2C (with 100mV Resolution in the Range from 1.8V to 4.9V, and 250mV Resolution in the Range from 5V to 15V
  • MAX77726 Provides Pin Selectable Ultrasonic Mode
  • MAX77727 Provides I2C Selectable for Forced PWM Mode
  • Output Active Discharge Feature
  • Ease of Use and Small Solution Size
    • Cycle-by-Cycle Inductor Peak Current Limit, UVLO, Output Short Circuit, Over-Temperature Protection Features
    • 12-Pin, 0.4mm Pitch, 0.65mm Height Wafer- Level Package (WLP)
    • Use of Chip Type Inductors and Ceramic Capacitors
  • 1.32mm x 1.77mm, 12-WLP, 0.4mm Pitch Package

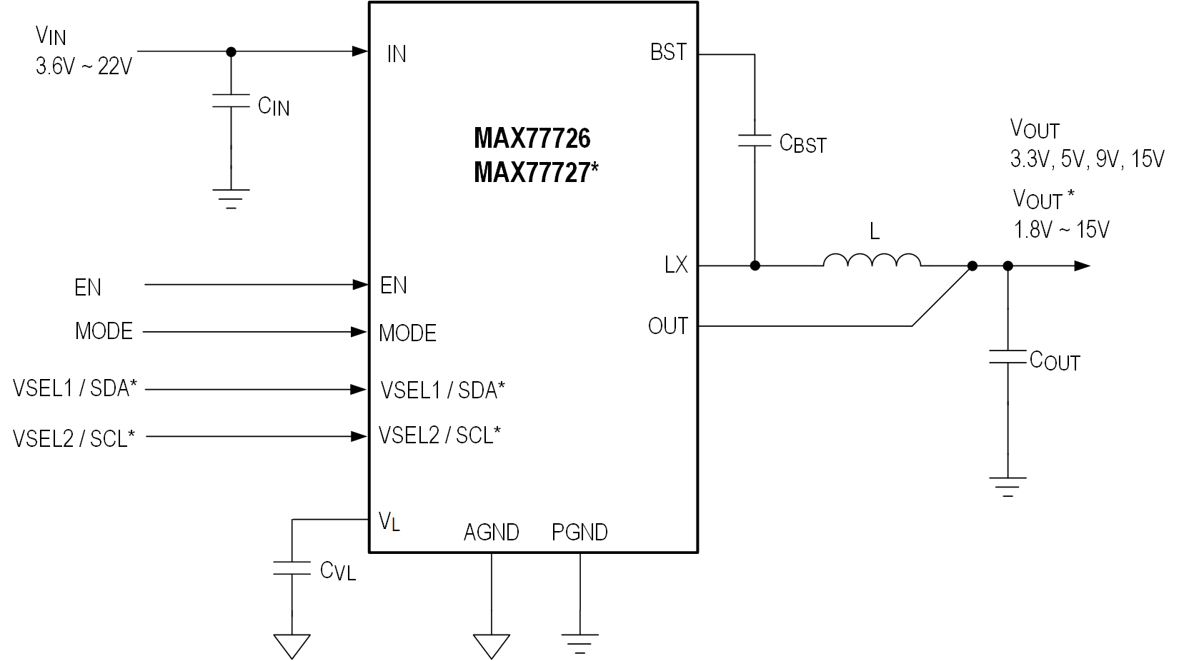
The MAX77726/MAX77727 provide power supply solutions for nano-power applications where size and efficiency are critical. They feature 4.6A inductor peak current protection and can deliver up to 3A output current.

The MAX77726's output voltages can be logically set through the VSEL pins for four specific output voltages. Physical enable pin and mode pin settings provide intuitive control.

The MAX77727's output voltages are programmable through I2C. It also allows MODE and enables selection through the I2C interface and status reading.

APPLICATIONS

  • USB Sourced Devices
  • Portable Electronics
  • 12V Distributed Power Bus Applications

MAX77727
22V, 3A Synchronous Buck Converter with Ultrasonic Mode
MAX77726-27 Simplified Application Diagram MAX77726-27 Functional Block Diagram MAX77726-27 Pin Configuration MAX77727 Chip Illustration
myAnalogに追加

myAnalogの製品セクション(通知受け取り)、既存/新規プロジェクトに製品を追加する。

新規プロジェクトを作成
質問する
サポート

アナログ・デバイセズのサポート・ページはアナログ・デバイセズへのあらゆるご質問にお答えするワンストップ・ポータルです。


ドキュメント

さらに詳しく
myAnalogに追加

myAnalogのリソース・セクション、既存/新規プロジェクトにメディアを追加する。

新規プロジェクトを作成

ソフトウェア・リソース

必要なソフトウェア/ドライバが見つかりませんか?

ドライバ/ソフトウェアをリクエスト

評価用キット

eval board
MAX77727EVKIT

Evaluates: MAX77727

機能と利点

  • Proven PCB Design and Layout Benefit
  • Fully Assembled and Tested
  • Sense Points Provided for High-Accuracy Measurements
  • MAXUSB_INTERFACE# Enables Easy Communication with a Windows PC
  • ACE Software Supports the I2C Serial Interface for Optional Software Control
  • I2C Interface Controls Enable (EN) Function, Ultrasonic Mode (USM), and Output Voltage

製品詳細

The MAX77727 evaluation kit (EV kit) is a fully assembled and tested printed circuit board (PCB) that demonstrates the MAX77727 synchronous buck converter with ultrasonic mode.

The EV kit is a step-down voltage regulator circuit based on the MAX77727. It supports an input voltage range from 3.6V to 22V and delivers up to 3A of continuous load current. The output voltage is adjustable through I2C, ranging from 1.8V to 4.9V with 100mV resolution and from 5V to 15V with 250mV resolution. F

MAX77727EVKIT
Evaluates: MAX77727
MAX77727EVKIT Evaluation Board Angle View MAX77727 Evaluation Board Top View MAX77727EVKIT Evaluation Board Bottom View

最新のディスカッション

MAX77727に関するディスカッションはまだありません。意見を投稿しますか?

EngineerZone®でディスカッションを始める

最近表示した製品