MAX22196

新規設計に推奨

オクタル産業用シンク/ソース・デジタル入力

利用上の注意

本データシートの英語以外の言語への翻訳はユーザの便宜のために提供されるものであり、リビジョンが古い場合があります。最新の内容については、必ず最新の英語版をご参照ください。

なお、日本語版のデータシートは基本的に「Rev.0」(リビジョン0)で作成されています。そのため、英語版が後に改訂され、複数製品のデータシートがひとつに統一された場合、同じ「Rev.0」の日本語版のデータシートが異なる製品のデータシートとして表示されることがあります。たとえば、「ADM3307E」の場合、日本語データシートをクリックすると「ADM3311E」が表示されます。これは、英語版のデータシートが複数の製品で共有できるように1本化され、「ADM3307E/ADM3310E/ADM3311E/ADM3312E/ADM3315E」(Rev.J)と改訂されたからで、決して誤ってリンクが張られているわけではありません。和文化されたデータシートを少しでも有効に活用していただくためにこのような方法をとっておりますので、ご了解ください。

アナログ・デバイセズ社は、提供する情報が正確で信頼できるものであることを期していますが、その情報の利用に関して、あるいはその利用によって生じる第三者の特許やその他の権利の侵害に関して一切の責任を負いません。また、アナログ・デバイセズ社の特許または特許の権利の使用を明示的または暗示的に許諾するものでもありません。仕様は予告なしに変更する場合があります。本紙記載の商標および登録商標は、各社の所有に属します。

Viewing:

製品情報

  • ソフトウェア設定可能
    • 8個の入力をシンクまたはソースとして個別に設定可能
    • タイプ1/3、タイプ2、TTL、高インピーダンス(HTL)モード
    • 抵抗で設定可能な0.5mA~6.75mAの幅広い高精度入力電流
    • プログラマブル・グリッチ・フィルタ
    • 広範な診断(電源電圧のモニタリング、温度アラーム、PCB故障アラーム、サーマル・シャットダウン)
    • 1入力あたり16ビットのダウンカウンタ・モード(オプション)
    • アドレス指定可能なSPIまたはデイジーチェーンSPIによる絶縁チャンネルの削減
  • 堅牢なソリューション
    • IEC 61000-4-2 ESDエアギャップ±15kVおよび接触±8kV、フィールド入力で最小680Ωのパルス抵抗
    • IEC 61000-4-5サージ±1.2kV/42Ω、フィールド入力で最小680Ωのパルス抵抗
    • SPIでの巡回冗長検査(CRC)エラーの検出
    • 動作温度範囲:-40°C~+125°C
  • 低消費電力
    • 8V~36Vのフィールド電源で動作
    • 最大2mAの低電源電流
  • コンパクトなソリューション
    • 内蔵の5V、20mAリニア電圧レギュレータ
    • 2.5V~5.5Vのロジック・インターフェース
    • LEDドライバ・マトリクスまたはGPO出力
    • 5mm x 5mm 32ピンTQFNパッケージ

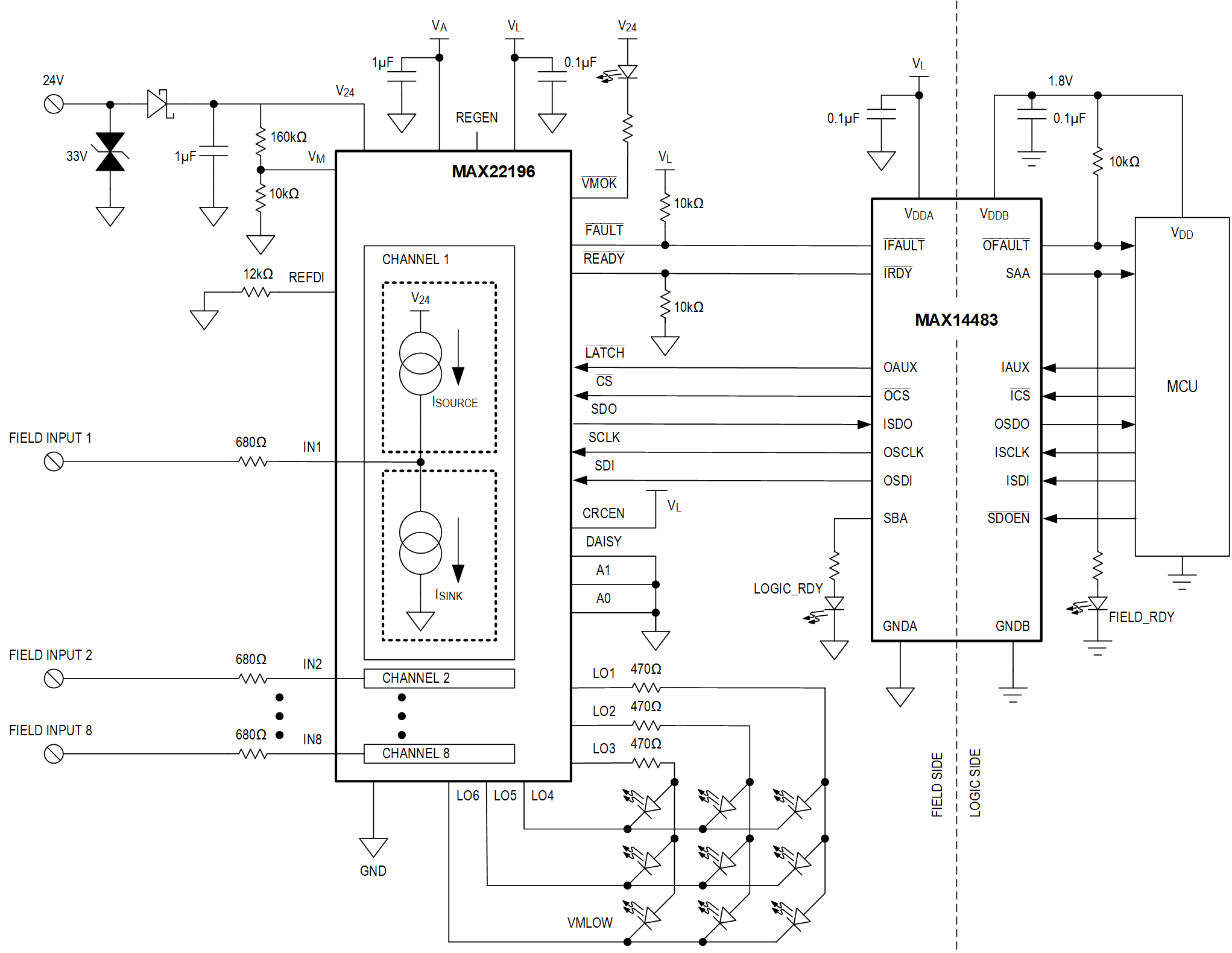
MAX22196は、産業用24VまたはTTLレベルの8つの入力をロジック・レベルの出力に変換する、産業用オクタル・デジタル入力です。このデバイスは、SPIを介してシリアル化したデータの設定と読み取りを行えるシリアル・インターフェースを備えています。

各入力チャンネルを、シンク(P型)またはソース(N型)入力として個別に設定できます。各デジタル入力の電流リミッタにより、IEC 61131-2規格に準拠しながら消費電力を最小限に抑えます。単一の電流設定抵抗で、タイプ1/3、タイプ2、TTLまたはHTL(高インピーダンスの24Vレベル)用に入力を個別に設定できます。電流シンクまたはソースは個別にディスエーブルできます。

すべての入力チャンネルにプログラマブルなグリッチ/バウンス防止フィルタと、オプションの16ビット・ダウンカウンタがあります。

MAX22196は、シンク/ソース動作用に8V~最大36Vのフィールド電源から給電できるほか、最大20mAの負荷電流を供給できる5Vリニア電圧レギュレータを内蔵しています。

アプリケーション

  • プログラマブル・ロジック・コントローラ
  • ファクトリ・オートメーション
  • プロセス・コントロール

MAX22196
オクタル産業用シンク/ソース・デジタル入力
MAX22196 Simplified Application Diagram MAX22196 Pin Description
myAnalogに追加

myAnalogの製品セクション(通知受け取り)、既存/新規プロジェクトに製品を追加する。

新規プロジェクトを作成
質問する
サポート

アナログ・デバイセズのサポート・ページはアナログ・デバイセズへのあらゆるご質問にお答えするワンストップ・ポータルです。


ドキュメント

さらに詳しく
myAnalogに追加

myAnalogのリソース・セクション、既存/新規プロジェクトにメディアを追加する。

新規プロジェクトを作成

ソフトウェア・リソース

デバイス・ドライバ 1


ツールおよびシミュレーション

ソフトウェア開発 1

IBISモデル 1


評価用キット

eval board
MAX22196EVKIT

MAX22194およびMAX22196の評価用キット

機能と利点

  • MAX22194またはMAX22196を容易に評価
  • EVキットのロジック側はUSB駆動
  • IEC 61131-2タイプ1/3、タイプ2、TTLまたはHTL入力をソフトウェアで設定可能
  • MAX14483を使用したガルバニック絶縁
  • IEC 61000-4-2、IEC 61000-4-4、IEC 61000-4-5規格に準拠した過渡耐圧テストをサポート
  • フィールド入力での堅牢な設計
    • サージ耐性(ライン-グラウンド間およびライン-ライン間):±1kV
    • 接触静電放電(ESD):±8kV
    • エア・ギャップESD:±15kV
  • Windows® 10互換のソフトウェア
  • 完全実装済みおよび試験済み
  • 実証済みPCBレイアウト
  • RoHS準拠

製品詳細

MAX22196評価用キット(EVキット)は、MAX22194およびMAX22196(クワッドおよびオクタル産業用シンク/ソース・デジタル入力デバイス)を評価するために必要なハードウェアとソフトウェアを提供します。MAX22196 EVキットは、PCからUSBポート経由でコマンドを受信し、EVキット上のMAX22194またはMAX22196とソフトウェアの間で通信を行うためのSPIトランザクションを作成します。また、MAX22196 EVキットはPmod™互換のコネクタを備えており、マイクロコントローラ・ユニット(MCU)やフィールド・プログラマブル・ゲート・アレイ(FPGA)といった外部のホスト・デバイスとの間でSPI通信を行うことができます。

このEVキットには、5mm x 5mm 32ピンTQFNパッケージのMAX22196ATJ+がU1として搭載されています。このEVキットはMAX22194ATJ+の評価にも使用できます。そのためには、MAX22194ATJ+サンプルを注文し、ボード上のU1を交換します。

このEVキットには、ターゲット・デバイスとPCとの間の通信を実現するGUIが付属します。GUIを使用すると、MAX22194/MAX22196のステータスの設定と読み取りをSPI経由で行うことができます。MAX22194/MAX22196のすべての入力チャンネルは、シンク・タイプまたはソース・タイプとして個別に設定できます。また、各チャンネルはタイプ1/3、タイプ2、TTL、HTL入力をサポートしており、その電流制限を単一のオンボード抵抗で設定できます。MAX22196 EVキットは、ESD、EFT、サージに関して、それぞれIEC 61000-4-2、IEC 61000-4-4、IEC 61000-4-5に従って、過渡耐性テストをサポートするように設計されています。システム・ブロック図に示されているように、このEVキットは複数のモードで動作します。

  • USBモード:SW1が完全に閉じられている場合、本デバイスのSPIは、アナログ・デバイセズが提供するEVキット・ソフトウェアからUSBポート経由でコマンドを受信します。
  • Pmodモード:SW1が完全に開いている場合、MAX22196 SPIは、PMOD1コネクタ経由でコマンドを受信します。この業界標準のコネクタは、一般的なMCUやFPGAプラットフォームとのインターフェースとして機能します。SPIコマンドを提供するファームウェアはお客様が作成する必要があります。
  • マルチデバイス・モード:PMOD1およびPMOD2コネクタを使用して、複数のMAX22196 EVキットをデイジーチェーン・モードで接続できます。提供されているソフトウェアGUI(デイジーチェーンで接続されたデバイスを最大4台サポート)を使用できるほか、独自のマイクロコントローラまたはFPGAプラットフォームを使用することもできます。

MAX22196EVKIT
MAX22194およびMAX22196の評価用キット
MAX22196 EV Kit Photo MAX22196 EV Kit - Top View MAX22196 EV Kit - Bottom View MAX22196 EV Kit System Block Diagram

最新のディスカッション

最近表示した製品