製品概要
機能と利点
- MAX22194またはMAX22196を容易に評価
- EVキットのロジック側はUSB駆動
- IEC 61131-2タイプ1/3、タイプ2、TTLまたはHTL入力をソフトウェアで設定可能
- MAX14483を使用したガルバニック絶縁
- IEC 61000-4-2、IEC 61000-4-4、IEC 61000-4-5規格に準拠した過渡耐圧テストをサポート
- フィールド入力での堅牢な設計
- サージ耐性(ライン-グラウンド間およびライン-ライン間):±1kV
- 接触静電放電(ESD):±8kV
- エア・ギャップESD:±15kV
- Windows® 10互換のソフトウェア
- 完全実装済みおよび試験済み
- 実証済みPCBレイアウト
- RoHS準拠
製品概要
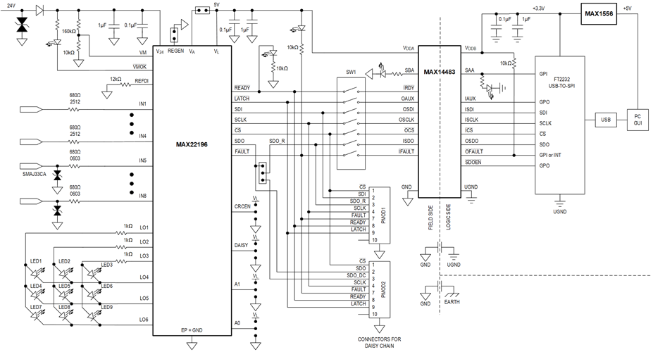
MAX22196評価用キット(EVキット)は、MAX22194およびMAX22196(クワッドおよびオクタル産業用シンク/ソース・デジタル入力デバイス)を評価するために必要なハードウェアとソフトウェアを提供します。MAX22196 EVキットは、PCからUSBポート経由でコマンドを受信し、EVキット上のMAX22194またはMAX22196とソフトウェアの間で通信を行うためのSPIトランザクションを作成します。また、MAX22196 EVキットはPmod™互換のコネクタを備えており、マイクロコントローラ・ユニット(MCU)やフィールド・プログラマブル・ゲート・アレイ(FPGA)といった外部のホスト・デバイスとの間でSPI通信を行うことができます。
このEVキットには、5mm x 5mm 32ピンTQFNパッケージのMAX22196ATJ+がU1として搭載されています。このEVキットはMAX22194ATJ+の評価にも使用できます。そのためには、MAX22194ATJ+サンプルを注文し、ボード上のU1を交換します。
このEVキットには、ターゲット・デバイスとPCとの間の通信を実現するGUIが付属します。GUIを使用すると、MAX22194/MAX22196のステータスの設定と読み取りをSPI経由で行うことができます。MAX22194/MAX22196のすべての入力チャンネルは、シンク・タイプまたはソース・タイプとして個別に設定できます。また、各チャンネルはタイプ1/3、タイプ2、TTL、HTL入力をサポートしており、その電流制限を単一のオンボード抵抗で設定できます。MAX22196 EVキットは、ESD、EFT、サージに関して、それぞれIEC 61000-4-2、IEC 61000-4-4、IEC 61000-4-5に従って、過渡耐性テストをサポートするように設計されています。システム・ブロック図に示されているように、このEVキットは複数のモードで動作します。
- USBモード:SW1が完全に閉じられている場合、本デバイスのSPIは、アナログ・デバイセズが提供するEVキット・ソフトウェアからUSBポート経由でコマンドを受信します。
- Pmodモード:SW1が完全に開いている場合、MAX22196 SPIは、PMOD1コネクタ経由でコマンドを受信します。この業界標準のコネクタは、一般的なMCUやFPGAプラットフォームとのインターフェースとして機能します。SPIコマンドを提供するファームウェアはお客様が作成する必要があります。
- マルチデバイス・モード:PMOD1およびPMOD2コネクタを使用して、複数のMAX22196 EVキットをデイジーチェーン・モードで接続できます。提供されているソフトウェアGUI(デイジーチェーンで接続されたデバイスを最大4台サポート)を使用できるほか、独自のマイクロコントローラまたはFPGAプラットフォームを使用することもできます。
マーケット&テクノロジー
対象となる製品
パッケージの内容
- MAX22196EVKIT#(MAX22196ATJ+を含む)
- Micro-USBケーブル
- 24V電源アダプタ
関連資料
-
Evaluation Kit for MAX22194 and MAX22196 Data Sheet (Rev. 1)2023/03/22PDF1 M
-
MAX22196EVKIT Gerber Files2023/03/22ZIP3 M



