MAX20830
新規設計に推奨30A、2MHz、2.7V~16Vの統合型降圧スイッチング・レギュレータ(PMBus搭載)
- 製品モデル
- 4
- 1Ku当たりの価格
- 最低価格:$4.07
製品情報
- 少ない部品数による高い電力密度
    - コンパクトな4.3mm x 6.55mm、16ピンFC2QFNパッケージ
- 内部補償
- バイアス生成用のLDOを内蔵した単電源動作
 
- 広い動作範囲
    - 入力電圧範囲:2.7V~16V
- 出力電圧範囲:0.4V~5.8V
- 設定可能なスイッチング周波数:500kHz~2MHz
- ジャンクション温度範囲:-40°C~+125°C
 
- 性能と効率を最適化
    - 94.5%のピーク効率(VDDH = 12V、VOUT = 1.8V)
- オプションの外部バイアス入力電源による高効率化
- 負荷過渡応答を改善するAMS
- 差動リモート検出
 
- PMBusインターフェース
    - リファレンス範囲が0.4V~0.8Vの適応性のある電圧スケーリング
- 出力電流、出力電圧、入力電圧、ジャンクション温度のPMBusテレメトリ
 
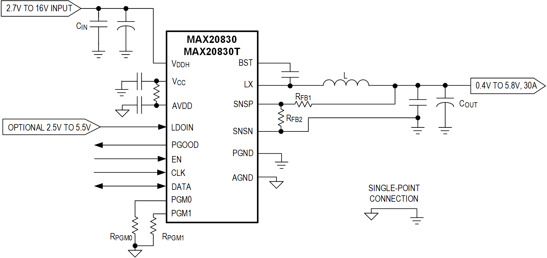
MAX20830/MAX20830Tは、PMBusインターフェースを備えた全機能内蔵型の高効率・降圧DC/DCスイッチング・レギュレータです。このデバイスは2.7V~16Vの入力電源で動作し、出力を0.4V~5.8Vに調整して、最大30Aの負荷電流を供給できます。
スイッチング周波数は、500kHz~2MHzの範囲で設定でき、サイズと性能に関して設計の最適化が可能です。
MAX20830/MAX20830Tは、内部補償を備えた固定周波数の電流モード制御を採用しています。これらのICは選択可能な高度な変調方式(AMS)を備えており、高速負荷過渡時のパフォーマンスが向上します。動作設定と構成可能な機能は、PGM_ピンからグランドにピンストラップ抵抗を接続するか、PMBusコマンドを使用することによって選択できます。
MAX20830/MAX20830Tには、ゲート・ドライブ(VCC)と内部回路(AVDD)に電力を供給するための1.8V LDO出力が内蔵されています。本デバイスにはオプションのLDO入力ピン(LDOIN)もあり、2.5V~5.5Vのバイアス入力電源に接続して効率を最適化できます。
このICは、正負の過電流保護、出力過電圧保護、過熱保護などの複数の保護機能を備えており、安定した設計を確保できます。
これらのデバイスは、-40°C~+125°Cの接合部温度動作をサポートする4.3mm x 6.55mm FC2QFNパッケージで提供されます。MAX20830パッケージは上部が開いており、MAX20830Tパッケージは上部が閉じています。MAX20830/MAX20830Tは、MAX20840T、MAX20810、およびMAX20815とフットプリント互換性があります。
ドキュメント
データシート 2
ユーザ・ガイド 1
| 製品モデル | ピン/パッケージ図 | 資料 | CADシンボル、フットプリント、および3Dモデル | 
|---|---|---|---|
| MAX20830AFE+ | 16-LFCSP-6.55X4.3X0.88 | ||
| MAX20830AFE+T | 16-LFCSP-6.55X4.3X0.88 | ||
| MAX20830TAFE+ | 16-LFCSP-6.55X4.3X0.7 | ||
| MAX20830TAFE+T | 16-LFCSP-6.55X4.3X0.7 | 
これは最新改訂バージョンのデータシートです。
ソフトウェア・リソース
必要なソフトウェア/ドライバが見つかりませんか?
ドライバ/ソフトウェアをリクエストツールおよびシミュレーション
EE-Sim® パワー・ツール 1
EE-Sim DC/DC変換ツールは、ユーザの条件を利用し、回路図、市販部品を含む部品表、時間および周波数領域のシミュレーションなどを完備した電源設計を短時間で作成します。SIMPLISおよびSIMetrix SPICEエンジンを使った、スタンドアロンのEE-Sim OASISシミュレータで、カスタマイズした回路図をダウンロードし、さらなる分析が可能です。
EE-Simを今すぐ開始LTpowerPlay®
LTpowerPlay® は、旧リニアテクノロジーのデジタル・パワー・マネージメント(PSM)製品をサポートする強力なWindowsベースの開発環境です。
ツールを開く 
                             
                                 
                                                 
                                                 
                                 
                                                