Altera Transceiver Signal Integrity Kit, Stratix IV GX Edition
Overview
Features & Benefits
- Analog Devices has worked closely with FPGA and processor manufacturers to develop verified power solutions that optimize cost, size and efficiency in high performance applications
- Our reference designs are supported by an intuitive design tool set and IP
- Our team can provide designs for quick prototypes that can speed time to market in the most complex applications
Documentation & Resources
-
DK-SI-4SGX230N SI Kit Schematic8/4/2014PDF901K
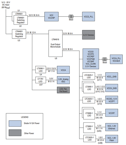
Circuit Description
The Transceiver SI Development Kit, Stratix IV GX Edition enables a thorough evaluation of Stratix IV GX transceiver interoperability and serializer/deserializer (SERDES) signal integrity (SI) and performance from 600 Mbps to 8.5 Gbps.



