AN-1461: Options and Solutions for a High Speed or Low Power Signal and Power Isolated RS-485 Fieldbus
Introduction
The Analog Devices, Inc., portfolio of iCoupler® digital isolators and RS-485 transceivers addresses two common needs in industrial applications: higher data rates and lower power operating modes.
Higher data rates, smaller RS-485 transceiver packages, and IEC 61000-4-2 ESD protection are required for high performance motor control encoder applications. The ADM3065E/ADM3066E 50 Mbps transceivers are available in space saving, 10-lead LFCSP packages and offer ±12 kV contact and ±12 kV air IEC 61000-4-2 ESD protection, which provide a reliable solution for EnDat encoders (see the AN-1397 Application Note for more information). Adding high speed robust signal and power isolation to the ADM3065E/ADM3066E is possible with the isoPower® ADuM6401, or the isoPower ADuM6000 and iCoupler ADuM241D, as explained in this application note.
Lower power operating modes are in high demand for battery powered systems, downhole applications (for example, mining), and process control systems that operate in 4 mA to 20 mA loops. Analog Devices offers a micropower digital isolator, the ADuM1441, which consumes <23 μA of quiescent current in shutdown mode. The ADM3483 3.3 V, 250 kbps RS-485 transceiver offers extremely low quiescent current, with typically only 2 nA required for shutdown mode.
Figure 1 shows an isolated, robust, low power RS-485 solution for downhole applications. The ADM3483 and ADuM1441 together provide a robust low power link to the remote underground measurement node. The system interface card includes an ARM® Cortex® microcontroller unit (MCU), ADuCM3027, and an integrated analog front end (AFE), AD7124-4, for remote temperature and pressure measurements. Firmware updates to the system interface card are provided via the long distance RS-485 cabling, which is capable of low data rate transmission (for example, 9.6 kbps) over long distances of up to 1 km.
Isolated High Speed RS-485
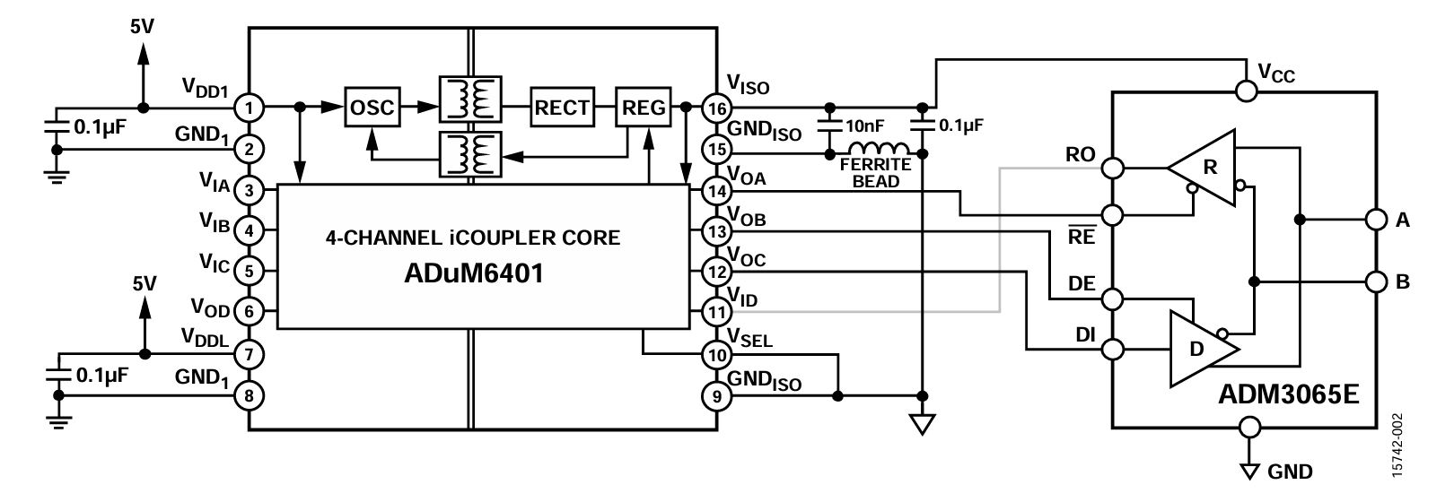
Galvanic isolation with reinforced insulation and 5 kV rms transient withstand voltage can be added to the ADM3065E using iCoupler and isoPower technology. The ADuM6401 provides the required four channels of 5 kV rms signal isolation, operating at rates up to 25 Mbps together with an integrated dc-to-dc converter. The ADuM6401 combines with the ADM3065E, shown in Figure 2, with the VISO pin configured for 3.3 V by connecting the VSEL pin to the GNDISO pin and connecting a 5 V supply to the VDD1 pin. Operation at 3.3 V ensures that the ADM3065E remains within the load capability of the ADuM6401, even at 25 Mbps.

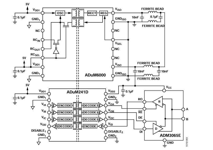
Operation at 50 Mbps data rates with isolation of the ADM3065E can be implemented using the ADuM241D quad-channel digital isolator and the ADuM6000 isolated dc-to-dc converter, as shown in Figure 3. The ADuM241D can operate at data rates of up to 150 Mbps, offering the precise timing required to fully support the ADM3065E at 50 Mbps.

Operation of the ADM3065E at 3.3 V allows operation at the 50 Mbps data rate.
If 5 V operation is desired, the VSEL pin on the ADuM6000 can be tied to VISO, and the maximum supported data rate becomes lower (for example, <10 Mbps). Refer to the ADuM241D and ADuM6000 data sheets for more information.
The dc-to-dc converters in the ADuM6401 and the ADuM6000 isoPower devices provide regulated, isolated power to the ADM3065E (and the ADuM241D). These isoPower devices use high frequency switching elements to transfer power through their transformers. The user must meet emissions standards during printed circuit board (PCB) layout. See the AN-0971 Application Note for PCB layout recommendations.
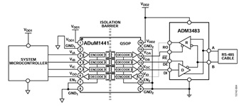
Isolated Low Power RS-485
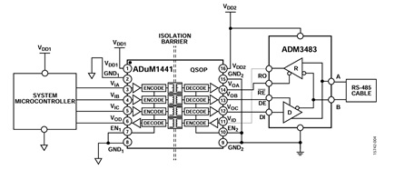
Figure 4 shows the combination of the ADuM1441 micropower, quad-channel, digital isolator and the low power ADM3483 half-duplex RS-485 transceiver.
When the ADM3483 is operated in shutdown mode (driver enable DE pin is low and receiver enable RE pin is high), the quiescent supply current is typically only 2 nA, with a maximum 1 µA specification. Figure 4 shows Pin 7 and Pin 10 of the ADuM1441 tied to GND1 and GND2, respectively. This means that the ADuM1441 isolator operates with <23 µA of quiescent current in shutdown mode with no active bus communication. Overall, this solution provides a low quiescent current of <24 µA.
If Pin 7 and Pin 10 of the ADuM1441 are wired directly to VDD1 and VDD2, respectively, the ADuM1441 operates with only 1.2 µA of quiescent current. This is accomplished by a jumper connection on the PCB, which allows the user to connect Pin 7 to VDD1 or GND1, and also Pin 10 to VDD2 or GND2. Adding the 1.2 µA of quiescent current from the ADuM1441 to the ADM3483 quiescent supply provides a fully isolated RS-485 node that consumes only 2 µA of current in shutdown or standby mode. For normal isolator operation, Pin 7 and Pin 10 of the ADuM1441 must be tied to GND1 and GND2, respectively.

