MAX7049

Obsolete

High-Performance, 288MHz to 945MHz ASK/FSK ISM Transmitter

Maximizes Output Transmit Power and Consumes the Lowest Supply Current

Viewing:

Overview

  • Transmitter (Tx)
    • Provides Long Transmit Range Up to +15dBm
    • 21mA Tx Current for +10dBm Tx Power*
    • 41mA Tx Current for +15dBm Tx Power*
    • Modulation Shaping, ASK, FSK
  • General
    • Delivers Long Battery Life
      • < 50nA Shutdown Current
      • < 350nA Sleep Current
    • Minimizes the Number of I/Os Required Between the IC and the MCU Serial Peripheral Interface (SPI™)
    • Regulatory Compliant
      • FCC Part 15 Frequency Hopping
      • ETSI EN300-220 Compatible
    • On-Chip Temperature Sensor
    • Fast Fractional-N Synthesizer with a User-Defined External Loop Filter

The MAX7049 high-performance, single-chip, ultra-low-power ASK/FSK UHF transmitter operates in the industrial, scientific, medical (ISM) band at 288MHz to 945MHz carrier frequencies. The IC also includes a low phase noise fractional-N synthesizer for precise tuning, fast frequency agility, and low out-of-band power. To support narrow-band applications, the IC has both amplitude-shaping and frequency-shaping functions that enable the user to optimize spectral efficiency. The IC offers Tx power up to +15dBm. These features make the transmitter ideally suited for long-range applications.

Additional system-level features of the IC include a digital temperature sensor and a number of flexible GPOs for monitoring radio status and for the control of external functions. A complete transmitter system can be built using a low-end microprocessor control unit (MCU), the IC, a crystal, and a small number of passive components.

The IC is available in a small, 5mm x 5mm, 28-pin TQFN package with an exposed pad. It is specified to operate in the -40°C to +125°C automotive temperature range.

Applications

  • Automatic Meter Reading (AMR)
  • Home Automation
  • Home Security
  • Long-Range, One-Way Remote Keyless Entry (RKE)
  • Remote Controls
  • RF Modules
  • RFID
  • TPMS
  • Wireless Sensor Networks

MAX7049
High-Performance, 288MHz to 945MHz ASK/FSK ISM Transmitter
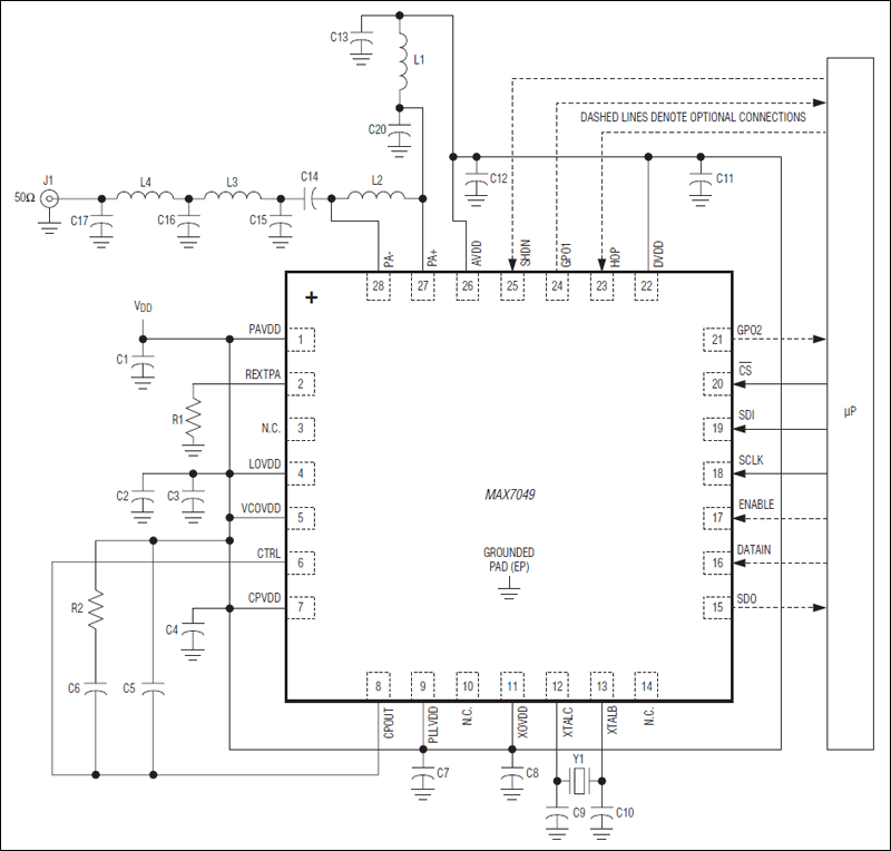
MAX7049: Typical Operating Circuit
Add to myAnalog

Add product to the Products section of myAnalog (to receive notifications), to an existing project or to a new project.

Create New Project
Ask a Question

Documentation

Learn More
Add to myAnalog

Add media to the Resources section of myAnalog, to an existing project or to a new project.

Create New Project

Software Resources

Can't find the software or driver you need?

Request a Driver/Software

Latest Discussions

No discussions on MAX7049 yet. Have something to say?

Start a Discussion on EngineerZone®

Recently Viewed