MAX5406

PRE-RELEASE

Audio Processor with Pushbutton Interface

Viewing:

Overview

  • Audio Processor Including All Op Amps and Pots for Volume, Balance, Mute, Bass, Treble, Ambience, Pseudostereo, and Subwoofer
  • 32-Tap Volume Control (2dB Steps)
  • Small, 7mm x 7mm, 48-Pin TQFN and 48-Pin TSSOP Packages
  • Single +2.7V to +5.5V or Dual ±2.7V Supply Operation
  • Clickless Switching and Control
  • Mute Function to < -90dB (typ)
  • Channel Isolation > -70dB (typ)
  • Two Sets of Single-Ended or Differential Stereo Inputs Can Be Used for Summing/Mixing
  • Debounced Pushbutton Interface Works with Momentary Contact Switches or Microprocessors (µPs)
  • Low 0.2µA (typ) Shutdown Supply Current
  • Shutdown Stores All Control Settings
  • 0.02% (typ) THD into 10kΩ Load, 25µVRMS (typ) Output Noise
  • Internally Generated 1/2 Full-Scale Bias Voltage for Single-Ended Applications
  • Power-On Volume Setting to -20dB
  • Internal Passive RF Filters for Analog Inputs Prevent High Frequencies from Reaching the Speakers
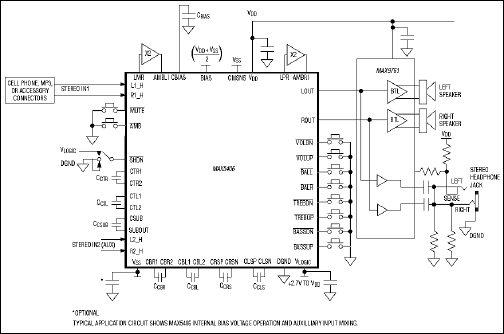
  • The MAX5406 stereo audio processor provides a complete audio solution with volume, balance, bass, and treble controls. It features dual 32-tap logarithmic potentiometers for volume control, dual potentiometers for balance control, and linear digital potentiometers for tone control. A simple debounced pushbutton interface controls all functions. The MAX5406 advances the wiper setting once per button push. Maxim's proprietary SmartWiper™ control eliminates the need for a microcontroller (µC) to increase the wiper transition rate. Holding the control input low for more than 1s advances the wiper at a rate of 4Hz for 4s and 16Hz thereafter. An integrated click/pop suppression feature eliminates the audible noise generated by the wiper's movements.

    The MAX5406 provides a subwoofer output that internally combines the left and right channels. An external filter capacitor allows for a customized cut-off frequency for the subwoofer output. A bass-boost mode enhances the low-frequency response of the left and right channels. An integrated bias amplifier generates the required (VDD + VSS) / 2 bias voltage, eliminating the need for external op amps for unipolar operation.

    The MAX5406 also features ambience control to enhance the separation of the left- and right-channel outputs for headphones and desktop speakers systems, and a pseudostereo feature that approximates stereo sound from a monophonic signal.

    The MAX5406 is available in a 7mm x 7mm, 48-pin TQFN package and in a 48-pin TSSOP package and is specified over the extended (-40°C to +85°C) temperature range.

    Applications

    • Desktop Speakers
    • Flat-Screen TVs
    • Karaoke Machines
    • PDAs or MP3 Player Docking Stations
    • Portable Audio

    MAX5406
    Audio Processor with Pushbutton Interface
    MAX5406: Typical Operating Circuit
    Add to myAnalog

    Add product to the Products section of myAnalog (to receive notifications), to an existing project or to a new project.

    Create New Project
    Ask a Question

    Documentation

    Learn More
    Add to myAnalog

    Add media to the Resources section of myAnalog, to an existing project or to a new project.

    Create New Project

    Software Resources

    Can't find the software or driver you need?

    Request a Driver/Software

    Hardware Ecosystem

    Parts Product Life Cycle Description
    Digital Potentiometers (DigiPOTs) 2
    MAX5456 PRODUCTION Stereo Audio Taper Potentiometers with Pushbutton Interface
    MAX5457 PRODUCTION Stereo Audio Taper Potentiometers with Pushbutton Interface
    Modal heading
    Add to myAnalog

    Add product to the Products section of myAnalog (to receive notifications), to an existing project or to a new project.

    Create New Project

    Latest Discussions

    No discussions on MAX5406 yet. Have something to say?

    Start a Discussion on EngineerZone®

    Recently Viewed