MAX2830

PRODUCTION

2.4GHz to 2.5GHz 802.11g/b RF Transceiver with PA and Rx/Tx/Diversity Switch

Industry's First 802.11g/b RF Transceiver with Integrated PA, Rx/Tx and Antenna Diversity Switches

Viewing:

Overview

  • 2.4GHz to 2.5GHz ISM Band Operation
  • IEEE 802.11g/b Compatible (54Mbps OFDM and 11Mbps CCK)
  • Complete RF Transceiver, PA, Rx/Tx and Antenna Diversity Switch, and Crystal Oscillator
    • Best-in-Class Transceiver Performance
    • 62mA Receiver Current
    • 3.3dB Rx Noise Figure
    • -75dBm Rx Sensitivity (54Mbps OFDM)
    • No I/Q Calibration Required
    • 0.1dB/0.35° Rx I/Q Gain/Phase Imbalance
    • 33dB RF and 62dB Baseband Gain Control Range
    • 60dB Range Analog RSSI per RF Gain Setting
    • Fast Rx I/Q DC-Offset Settling
    • Programmable Baseband Lowpass Filter
    • 20-Bit Sigma-Delta Fractional-N PLL with < 20Hz Step Size
    • Digitally Tuned Crystal Oscillator
    • +17.1dBm Transmit Power (5.6% EVM with 54Mbps OFDM)
    • 31dB Tx Gain Control Range
    • Integrated Power Detector
    • Fully Integrated RF Input and Output Matching and DC Blocking
    • Serial or Parallel Gain-Control Interface
    • > 40dB Tx Sideband Suppression Without Calibration
    • Rx/Tx I/Q Error Detection
  • Transceiver Operates from +2.7V to +3.6V
  • PA Operates from +2.7V to +4.2V
  • Low-Power Shutdown Mode
  • Small 48-Pin TQFN Package (7mm x 7mm x 0.8mm)

The MAX2830 direct conversion, zero-IF, RF transceiver is designed specifically for 2.4GHz to 2.5GHz 802.11g/b WLAN applications. The MAX2830 completely integrates all circuitry required to implement the RF transceiver function, providing an RF power amplifier (PA), an Rx/Tx and antenna diversity switch, RF-to-baseband receive path, baseband-to-RF transmit path, voltage-controlled oscillator (VCO), frequency synthesizer, crystal oscillator, and baseband/control interface. The MAX2830 includes a fast-settling sigma-delta RF synthesizer with smaller than 20Hz frequency steps and a digitally tuned crystal oscillator allowing use of a low-cost crystal. No I/Q calibration is required; however, the device also integrates on-chip DC-offset cancellation and I/Q errors and carrier leakage-detection circuits for improved performance. Only an RF bandpass filter (BPF), crystal, a pair of baluns, and a small number of passive components are needed to form a complete 802.11g/b WLAN RF front-end solution.

The MAX2830 completely eliminates the need for an external SAW filter by implementing on-chip monolithic filters for both the receiver and transmitter. The baseband filters are optimized to meet the IEEE® 802.11g standard and proprietary turbo modes up to 40MHz channel bandwidth. These devices are suitable for the full range of 802.11g OFDM data rates (6Mbps to 54Mbps) and 802.11b QPSK and CCK data rates (1Mbps to 11Mbps). The ICs are available in a small, 48-pin TQFN package measuring only 7mm x 7mm x 0.8mm.

Applications

  • General 2.4GHz ISM Radios
  • Wi-Fi, PDA, VoIP, and Cellular Handsets
  • Wireless Speakers and Headphones

MAX2830
2.4GHz to 2.5GHz 802.11g/b RF Transceiver with PA and Rx/Tx/Diversity Switch
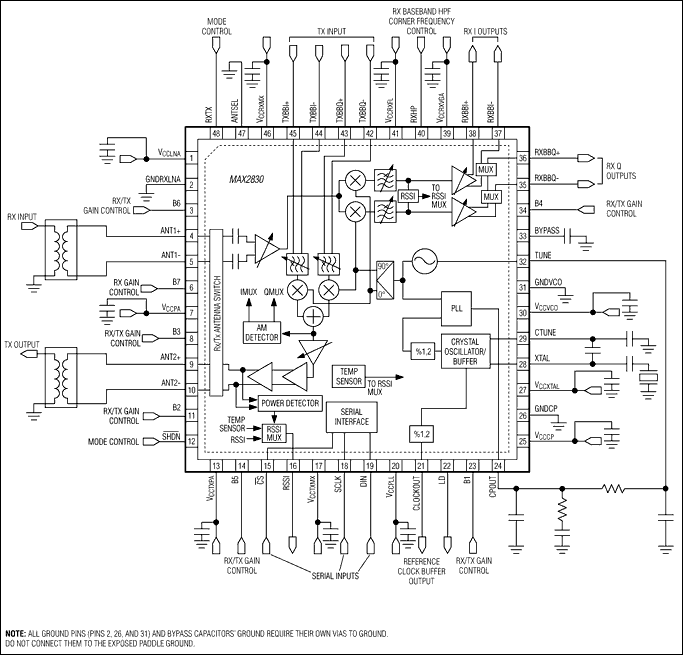
MAX2830ETM+:  Block Diagram/Typical Operating Circuit
Add to myAnalog

Add product to the Products section of myAnalog (to receive notifications), to an existing project or to a new project.

Create New Project
Ask a Question

Documentation

Learn More
Add to myAnalog

Add media to the Resources section of myAnalog, to an existing project or to a new project.

Create New Project

Software Resources

Can't find the software or driver you need?

Request a Driver/Software

Hardware Ecosystem

Parts Product Life Cycle Description
RF Analog Transceivers 1
MAX2831 PRODUCTION 2.4GHz to 2.5GHz, 802.11g RF Transceivers with Integrated PA
Modal heading
Add to myAnalog

Add product to the Products section of myAnalog (to receive notifications), to an existing project or to a new project.

Create New Project

Tools & Simulations


Evaluation Kits

MAX2830EVKIT

Evaluation Kit for the MAX2830

Features and Benefits

  • On-Board Line Driver and Voltage Reference
  • 50Ω SMA Connectors on All RF and Baseband Ports

Product Details

The MAX2830 evaluation kit (EV kit) simplifies testing of the MAX2830 receive and transmit performance in 802.11g/b applications operating in the 2.4GHz to 2.5GHz ISM band. The EV kit provides 50Ω SMA connectors for all RF and baseband inputs and outputs. Differential-to-single-ended and single-ended-to-differential line drivers are provided to convert the differential I/Q baseband inputs and outputs to single ended.

Applications

  • General 2.4GHz ISM Radios
  • Wi-Fi, PDA, VoIP, and Cellular Handsets
  • Wireless Speakers and Headphones

MAX2830EVKIT
Evaluation Kit for the MAX2830

Latest Discussions

Recently Viewed