MAX2584A

Obsolete

Complete RF-to-Baseband Receiver

Highly Integrated, Ideal Solution for Low-Cost Phones in Asian and South American Markets

Viewing:

Overview

  • No External IF SAW Filters Required
  • RF VCO and PLL Included
  • On-Chip Matching
  • Optimized Low-Current Modes
  • Two-Chip System Solution with the MAX2504A
  • 3dB Typical Cascaded LNA-Referred Noise Figure
  • Small 48-Pin fcLGA Leadless Package (7mm x 7mm)
  • The MAX2584A highly integrated RF-to-baseband receiver supports cellular-band applications such as CDMA and OFDM. The MAX2584A includes an LNA, mixer, baseband filter, PLL, VGA, and an RF VCO. The entire receiver eliminates most of the external components found in other receivers including the IF SAW filter and VCO.

    To optimize dynamic range at minimum current, the MAX2584A implements several programmable gain and linearity states, each optimized for minimum current while meeting sensitivity and linearity requirements for as many as four ranges of received signal strength.

    The MAX2584A is available in a 7mm x 7mm leadless 48-pin flip-chip (fcLGA) package and is specified over the extended -40°C to +85°C temperature range.

    Applications

    • IS-2000 1xEV, EV-DO, and EV-DV
    • IS-95 (CDMA)
    • OFDM Systems

    MAX2584A
    Complete RF-to-Baseband Receiver
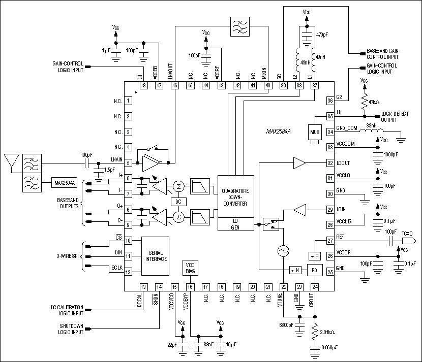
    MAX2584A: Typical Application Circuit
    Add to myAnalog

    Add product to the Products section of myAnalog (to receive notifications), to an existing project or to a new project.

    Create New Project
    Ask a Question

    Documentation

    Technical Articles 1

    Request an NDA

    Complete documentation is available upon completion of a Non-Disclosure Agreement (NDA).

    Request an NDA
    Learn More
    Add to myAnalog

    Add media to the Resources section of myAnalog, to an existing project or to a new project.

    Create New Project

    Software Resources

    Can't find the software or driver you need?

    Request a Driver/Software

    Hardware Ecosystem

    Parts Product Life Cycle Description
    RF Analog Transmitters 1
    MAX2504A Complete Cellular Baseband-to-RF Transmitters with PA
    Modal heading
    Add to myAnalog

    Add product to the Products section of myAnalog (to receive notifications), to an existing project or to a new project.

    Create New Project

    Latest Discussions

    No discussions on MAX2584A yet. Have something to say?

    Start a Discussion on EngineerZone®

    Recently Viewed