MAX2108

Obsolete

Direct-Conversion Tuner IC

Viewing:

Overview

  • Low-Cost Architecture
  • Operates from Single +5V Supply
  • On-Chip Quadrature Generator, Dual-Modulus Prescaler (/32, /33)
  • Input Levels: -20dBm to -70dBm per Carrier
  • Over 50dB RF Gain-Control Range
  • 10dB Noise Figure at Maximum Gain
  • +8dBm IIP3 at Minimum Gain

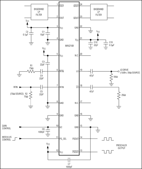
The MAX2108 is a low-cost direct-conversion tuner IC designed for use in digital direct-broadcast satellite (DBS) television set-top box units and microwave links. Its direct-conversion architecture reduces system cost compared to devices with IF-based architectures.

The MAX2108 directly tunes L-band signals to baseband using a broadband I/Q downconverter. The operating frequency range spans from 950MHz to 2150MHz. The IC includes a low-noise amplifier (LNA) with gain control, two downconverter mixers with output buffers, a 90° quadrature generator, and a divide-by 32/33 prescaler.

Applications

  • Broadband Systems
  • Cell Phone Base Stations
  • DirecTV, PrimeStar, EchoStar DBS Tuners
  • DVB-Compliant DBS Tuners
  • LMDS
  • Microwave Links
  • Wireless Local Loop (WLL)

MAX2108
Direct-Conversion Tuner IC
MAX2108: Typical Operating Circuit
Add to myAnalog

Add product to the Products section of myAnalog (to receive notifications), to an existing project or to a new project.

Create New Project
Ask a Question

Documentation

Learn More
Add to myAnalog

Add media to the Resources section of myAnalog, to an existing project or to a new project.

Create New Project

Software Resources

Can't find the software or driver you need?

Request a Driver/Software

Latest Discussions

No discussions on MAX2108 yet. Have something to say?

Start a Discussion on EngineerZone®

Recently Viewed