MAX1471

RECOMMENDED FOR NEW DESIGNS

315MHz/434MHz Low-Power, 3V/5V ASK/FSK Superheterodyne Receiver

300MHz to 450MHz Superheterodyne ASK/FSK Receiver with Integrated Image Rejection Operates from 3V or 5V Supply

Viewing:

Overview

  • ASK and FSK Demodulated Data on Separate Outputs
  • Specified over Automotive -40°C to +125°C Temperature Range
  • Low Operating Supply Voltage Down to 2.4V
  • On-Chip 3V Regulator for 5V Operation
  • Low Operating Supply Current
    • 7mA Continuous Receive Mode
    • 1.1µA Deep-Sleep Mode
  • Discontinuous Receive (DRX) Low-Power Management
  • Fast-On Startup Feature < 250µs
  • Integrated PLL, VCO, and Loop Filter
  • 45dB Integrated Image Rejection
  • RF Input Sensitivity*
    • ASK: -114dBm
    • FSK: -108dBm
  • Selectable IF BW with External Filter
  • Programmable Through Serial User Interface
  • RSSI Output and High Dynamic Range with AGC
  • AEC-Q100 Qualified (MAX1471ATJ/V+ Only)
*0.2% BER, 4kbps, Manchester-encoded data, 280kHz IF BW

The MAX1471 low-power, CMOS, superheterodyne, RF dual-channel receiver is designed to receive both amplitude-shift-keyed (ASK) and frequency-shift-keyed (FSK) data without reconfiguring the device or introducing any time delay normally associated with changing modulation schemes. The MAX1471 requires few external components to realize a complete wireless RF digital data receiver for the 300MHz to 450MHz ISM bands.

The MAX1471 includes all the active components required in a superheterodyne receiver including: a low-noise amplifier (LNA), an image-reject (IR) mixer, a fully integrated phase-locked loop (PLL), local oscillator (LO), 10.7MHz IF limiting amplifier with received-signal-strength indicator (RSSI), low-noise FM demodulator, and a 3V voltage regulator. Differential peak-detecting data demodulators are included for both the FSK and ASK analog baseband data recovery. The MAX1471 includes a discontinuous receive (DRX) mode for low-power operation, which is configured through a serial interface bus.

The MAX1471 is available in a 32-pin thin QFN package and is specified over the automotive -40°C to +125°C temperature range.

Applications

  • Automotive Remote Keyless Entry (RKE)
  • Garage Door Openers
  • Home Automation
  • Local Telemetry Systems
  • Medical Systems
  • Security Systems
  • Tire-Pressure Monitoring Systems
  • Wireless Keys
  • Wireless Sensors

MAX1471
315MHz/434MHz Low-Power, 3V/5V ASK/FSK Superheterodyne Receiver
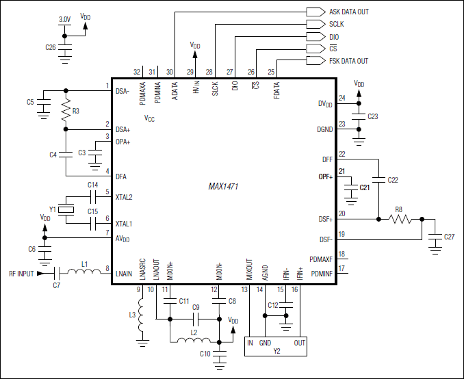
MAX1471: Typical Application Circuit
Add to myAnalog

Add product to the Products section of myAnalog (to receive notifications), to an existing project or to a new project.

Create New Project
Ask a Question

Documentation

Learn More
Add to myAnalog

Add media to the Resources section of myAnalog, to an existing project or to a new project.

Create New Project

Software Resources

Can't find the software or driver you need?

Request a Driver/Software

Hardware Ecosystem

Parts Product Life Cycle Description
RF Analog Transmitters 1
MAX1479 PRODUCTION 300MHz to 450MHz Low-Power, Crystal-Based +10dBm ASK/FSK Transmitter
Modal heading
Add to myAnalog

Add product to the Products section of myAnalog (to receive notifications), to an existing project or to a new project.

Create New Project

Tools & Simulations


Evaluation Kits

eval board
MAX1471EVKIT-433

Evaluation Kit for the MAX1471

Features and Benefits

  • Evaluates the MAX1471 Sub-1GHz ISM Receiver
  • Single Input Voltage Supply from 2.4V to 5.5V or Powered from the USB Interface
  • Direct Interface with a MAX32630FTHR Arm® Microcontroller (MCU) Board
  • Available in 315MHz- or 433.92MHz-Optimized Versions
  • Available PMOD Hardware Interface
  • Windows 10-Compatible Software
  • On-Board SPI Interface Control
  • GUI Controls for the MAX32630FTHR Board PMIC Operation from 2.4V to 3.3V
  • Proven 2-Layer PCB Design
  • Fully Assembled and Tested

Product Details

The MAX1471 evaluation kit (EV kit) simplifies evaluation of the MAX1471, a low power, superheterodyne, sub-GHz RF dual-channel receiver designed to receive both amplitude shift keying (ASK) and frequency-shift keying (FSK) data without reconfiguring the device in the 300MHz to 450MHz frequency range.

The MAX1471 evaluation kit operates in conjunction with an external microcontroller (MCU) and graphical user interface (GUI) software running on a computer. The MAX1471 uses an SPI interface for internal register configurations and control.

The MAX1471 EV kit is available in two versions: 315MHz (MAX1471EVKIT-315) and 433.92MHz (MAX1471EVKIT-433). The passive components are optimized for these two frequencies but can easily be changed to work at any RF frequency between 300MHz and 450MHz.

The EV kit includes Windows® 10-compatible software that provides a simple GUI for configuration of the MAX1471 registers through the SPI port. The GUI also controls the on-board PMIC and provides a quick start register configuration to evaluate the MAX1471 functionality, when the MAX32630FTHR applications platform is used.

Applications

  • Automotive Remote Keyless Entry (RKE)
  • Garage Door Openers
  • Home Automation
  • Local Telemetry Systems
  • Medical Systems
  • Security Systems
  • Tire-Pressure Monitoring Systems
  • Wireless Keys
  • Wireless Sensors

eval board
MAX1471EVKIT-315

Evaluation Kit for the MAX1471

Features and Benefits

  • Evaluates the MAX1471 Sub-1GHz ISM Receiver
  • Single Input Voltage Supply from 2.4V to 5.5V or Powered from the USB Interface
  • Direct Interface with a MAX32630FTHR Arm® Microcontroller (MCU) Board
  • Available in 315MHz- or 433.92MHz-Optimized Versions
  • Available PMOD Hardware Interface
  • Windows 10-Compatible Software
  • On-Board SPI Interface Control
  • GUI Controls for the MAX32630FTHR Board PMIC Operation from 2.4V to 3.3V
  • Proven 2-Layer PCB Design
  • Fully Assembled and Tested

Product Details

The MAX1471 evaluation kit (EV kit) simplifies evaluation of the MAX1471, a low power, superheterodyne, sub-GHz RF dual-channel receiver designed to receive both amplitude shift keying (ASK) and frequency-shift keying (FSK) data without reconfiguring the device in the 300MHz to 450MHz frequency range.

The MAX1471 evaluation kit operates in conjunction with an external microcontroller (MCU) and graphical user interface (GUI) software running on a computer. The MAX1471 uses an SPI interface for internal register configurations and control.

The MAX1471 EV kit is available in two versions: 315MHz (MAX1471EVKIT-315) and 433.92MHz (MAX1471EVKIT-433). The passive components are optimized for these two frequencies but can easily be changed to work at any RF frequency between 300MHz and 450MHz.

The EV kit includes Windows® 10-compatible software that provides a simple GUI for configuration of the MAX1471 registers through the SPI port. The GUI also controls the on-board PMIC and provides a quick start register configuration to evaluate the MAX1471 functionality, when the MAX32630FTHR applications platform is used.

Applications

  • Automotive Remote Keyless Entry (RKE)
  • Garage Door Openers
  • Home Automation
  • Local Telemetry Systems
  • Medical Systems
  • Security Systems
  • Tire-Pressure Monitoring Systems
  • Wireless Keys
  • Wireless Sensors

MAX1471EVKIT-433
Evaluation Kit for the MAX1471
MAX1471EVKIT-315, MAX1471EVKIT-433: Board Photo
MAX1471EVKIT-315
Evaluation Kit for the MAX1471
MAX1471EVKIT-315, MAX1471EVKIT-433: Board Photo

Latest Discussions

No discussions on MAX1471 yet. Have something to say?

Start a Discussion on EngineerZone®

Recently Viewed