MAX1282

PRODUCTION

300ksps/400ksps, Single-Supply, 4-Channel, Serial 12-Bit ADCs with Internal Reference

Viewing:

Overview

  • 4-Channel Single-Ended or 2-Channel Pseudo-Differential Inputs
  • Internal Multiplexer and Track/Hold
  • Single-Supply Operation
    • +4.5V to +5.5V (MAX1282)
    • +2.7V to +3.6V (MAX1283)
  • Internal +2.5V Reference
  • 400kHz Sampling Rate (MAX1282)
  • Low Power: 2.5mA (400ksps)
    • 1.3mA (REDP)
    • 0.9mA (FASTPD)
    • 2µA (FULLPD)
  • SPI/QSPI/MICROWIRE/TMS320-Compatible 4-Wire Serial Interface
  • Software-Configurable Unipolar or Bipolar Inputs
  • 16-Pin TSSOP Package

The MAX1282/MAX1283 12-bit analog-to-digital converters (ADCs) combine a 4-channel analog-input multiplexer, high-bandwidth track/hold (T/H), and serial interface with high conversion speed and low power consumption. The MAX1282 operates from a single +4.5V to +5.5V supply; the MAX1283 operates from a single +2.7V to +3.6V supply. Both devices' analog inputs are software configurable for unipolar/bipolar and single-ended/pseudo-differential operation.

The 4-wire serial interface connects directly to SPI™/QSPI™/MICROWIRE™ devices without external logic. A serial strobe output allows direct connection to TMS320-family digital signal processors. The MAX1282/MAX1283 use an external serial-interface clock to perform successive-approximation analog-to-digital conversions. The devices feature an internal +2.5V reference and a reference-buffer amplifier with a ±1.5% voltage-adjustment range. An external reference with a 1V to VDD range may also be used.

The MAX1282/MAX1283 provide a hardwired active-low SHDN pin and four software-selectable power modes (normal operation, reduced power (REDP), fast power-down (FASTPD), and full power-down (FULLPD)). These devices can be programmed to automatically shut down at the end of a conversion or to operate with reduced power. When using the power-down modes, accessing the serial interface automatically powers up the devices, and the quick turn-on time allows them to be shut down between all conversions.

The MAX1282/MAX1283 are available in 16-pin TSSOP packages.

Applications

  • Battery-Powered Applications
  • Data Acquisition
  • Medical Instruments
  • Pen Digitizers
  • Portable Data Logging
  • Process Control

MAX1282
300ksps/400ksps, Single-Supply, 4-Channel, Serial 12-Bit ADCs with Internal Reference
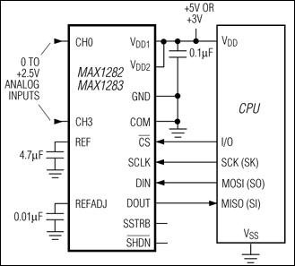
MAX1282, MAX1283: Typical Operating Circuit
Add to myAnalog

Add product to the Products section of myAnalog (to receive notifications), to an existing project or to a new project.

Create New Project
Ask a Question

Documentation

Learn More
Add to myAnalog

Add media to the Resources section of myAnalog, to an existing project or to a new project.

Create New Project

Software Resources

Can't find the software or driver you need?

Request a Driver/Software

Hardware Ecosystem

Parts Product Life Cycle Description
ADC/DAC Combo Converters 1
MAX1346 PRODUCTION 12-Bit, Multichannel ADCs/DACs with FIFO, Temperature Sensing, and GPIO Ports
Analog to Digital Converters (ADCs) 12
MAX1080 Obsolete 300ksps/400ksps, Single-Supply, Low-Power, 8-Channel, Serial 10-Bit ADCs with Internal Reference
MAX1081 PRODUCTION 300ksps/400ksps, Single-Supply, Low-Power, 8-Channel, Serial 10-Bit ADCs with Internal Reference
MAX1082 PRODUCTION 300ksps/400ksps, Single-Supply, 4-Channel, Serial 10-Bit ADCs with Internal Reference
MAX1083 PRODUCTION 300ksps/400ksps, Single-Supply, 4-Channel, Serial 10-Bit ADCs with Internal Reference
MAX1084 Obsolete 400ksps/300ksps, Single-Supply, Low-Power, Serial 10-Bit ADCs with Internal Reference
MAX1085 PRODUCTION 400ksps/300ksps, Single-Supply, Low-Power, Serial 10-Bit ADCs with Internal Reference
MAX1280 PRODUCTION 400ksps/300ksps, Single-Supply, Low-Power, 8-Channel, Serial 12-Bit ADCs with Internal Reference
MAX1281 PRODUCTION 400ksps/300ksps, Single-Supply, Low-Power, 8-Channel, Serial 12-Bit ADCs with Internal Reference
MAX1284 PRODUCTION 400ksps/300ksps, Single-Supply, Low-Power, Serial 12-Bit ADCs with Internal Reference
MAX1285 PRODUCTION 400ksps/300ksps, Single-Supply, Low-Power, Serial 12-Bit ADCs with Internal Reference
MAX11634 PRODUCTION 12-Bit, 300ksps ADCs with Differential Track/Hold, and Internal Reference
MAX11626 PRODUCTION 12-Bit, 300ksps ADCs with FIFO and Internal Reference
Modal heading
Add to myAnalog

Add product to the Products section of myAnalog (to receive notifications), to an existing project or to a new project.

Create New Project

Evaluation Kits

MAX1282EVC16

Evaluation Kit/Evaluation System for the MAX1282

Features and Benefits

  • Proven PCB Layout
  • Convenient On-Board Test Points
  • Data-Logging Software
  • Fully Assembled and Tested
  • EV Kit Software Supports Windows 98/2000/XP with RS-232/COM Port
  • EV Kit Software Supports Windows 2000/XP with USB Port

Product Details

The MAX1282 evaluation system (EV system) is a complete four-channel data-acquisition system consisting of a MAX1282 evaluation kit (EV kit), Maxim 68HC16MODULEDIP microcontroller (µC) module, and USBTO232. The MAX1282 is a high-speed, 12-bit data-acquisition system. Windows® 98/2000/XP-compatible software provides a handy user interface to exercise the MAX1282's features.

Order the complete EV system (MAX1282EVC16) for comprehensive evaluation of the MAX1282 using a PC. Order the EV kit (MAX1282EVKIT) if the 68HC16MODULE-DIP module has already been purchased with a previous Maxim EV system, or for custom use in other µC-based systems.

Applications

  • Battery-Powered Applications
  • Data Acquisition
  • Medical Instruments
  • Pen Digitizers
  • Portable Data Logging
  • Process Control

MAX1282EVKIT

Evaluation Kit/Evaluation System for the MAX1282

Features and Benefits

  • Proven PCB Layout
  • Convenient On-Board Test Points
  • Data-Logging Software
  • Fully Assembled and Tested
  • EV Kit Software Supports Windows 98/2000/XP with RS-232/COM Port
  • EV Kit Software Supports Windows 2000/XP with USB Port

Product Details

The MAX1282 evaluation system (EV system) is a complete four-channel data-acquisition system consisting of a MAX1282 evaluation kit (EV kit), Maxim 68HC16MODULEDIP microcontroller (µC) module, and USBTO232. The MAX1282 is a high-speed, 12-bit data-acquisition system. Windows® 98/2000/XP-compatible software provides a handy user interface to exercise the MAX1282's features.

Order the complete EV system (MAX1282EVC16) for comprehensive evaluation of the MAX1282 using a PC. Order the EV kit (MAX1282EVKIT) if the 68HC16MODULE-DIP module has already been purchased with a previous Maxim EV system, or for custom use in other µC-based systems.

Applications

  • Battery-Powered Applications
  • Data Acquisition
  • Medical Instruments
  • Pen Digitizers
  • Portable Data Logging
  • Process Control

MAX1282EVC16
Evaluation Kit/Evaluation System for the MAX1282
MAX1282EVKIT
Evaluation Kit/Evaluation System for the MAX1282

Latest Discussions

No discussions on MAX1282 yet. Have something to say?

Start a Discussion on EngineerZone®

Recently Viewed