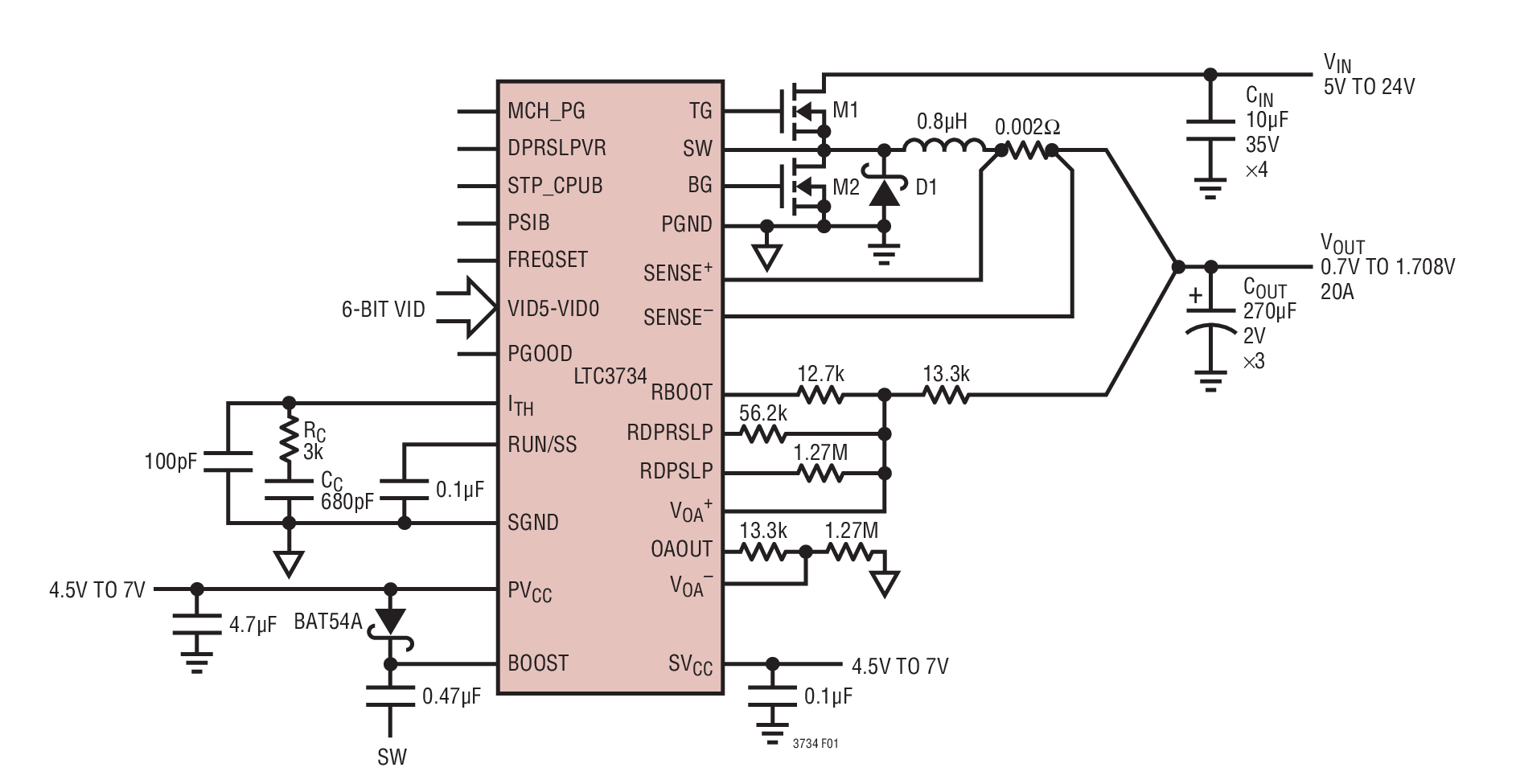
LTC3734

PRODUCTION

Single-Phase, High Efficiency DC/DC Controller for Intel Mobile CPUs

Viewing:

Overview

  • Wide Input Voltage Range: 4V to 30V
  • ±1% Output Voltage Accuracy
  • 6-Bit IMVP-IV VID Code: VOUT = 0.7V to 1.708V
  • Intel Compatible Power Saving Mode (PSIB)
  • Power Good Output with Adaptive Masking
  • Lossless Voltage Positioning
  • Resistor Programmable VOUT at Boot-Up and Deeper Sleep State
  • Resistor Programmable Deep Sleep Offset
  • Programmable Fixed Frequency: 210kHz to 550kHz
  • Adjustable Soft-Start Current Ramping
  • Foldback Output Current Limit
  • Short-Circuit Shutdown Timer with Defeat Option
  • Overvoltage Protection
  • Available in 32-Lead 5mm × 5mm × 0.8mm (Profile) QFN Package

The LTC3734 is a single-phase synchronous step-down switching regulator controller that drives all N-channel power MOSFETs in a constant frequency architecture. The output voltage is programmable by six VID bits during normal operation and by external resistors during initial boot-up and deeper sleep state. The LTC3734 drives its output stage at frequencies up to 550kHz. Powerful onchip gate drivers eliminate the need for external gate driver ICs, thus simplifying the design.

An Intel compatible PSIB input is provided to select between two modes of operation. Fully enhanced synchronous mode achieves a very small output ripple and very fast transient response while power saving mode realizes very high efficiency. OPTI-LOOP® compensation allows the transient response to be optimized for a wide range of output capacitance and ESR values.

The LTC3734 is available in a small 5mm × 5mm QFN package. For 2-phase applications refer to the LTC3735.

Applications

  • Mobile and Desktop Computers
  • Internet Servers

LTC3734
Single-Phase, High Efficiency DC/DC Controller for Intel Mobile CPUs
High Current Step-Down Converter Product Package 1
Add to myAnalog

Add product to the Products section of myAnalog (to receive notifications), to an existing project or to a new project.

Create New Project
Ask a Question

Documentation

Data Sheet

This is the most up-to-date revision of the Data Sheet.

Learn More
Add to myAnalog

Add media to the Resources section of myAnalog, to an existing project or to a new project.

Create New Project

Software Resources

Can't find the software or driver you need?

Request a Driver/Software

Hardware Ecosystem

Parts Product Life Cycle Description
Circuit Monitors 1
LTC2960 RECOMMENDED FOR NEW DESIGNS 36V Nano-Current Two-Input Voltage Monitor
Power System Management (PSM) & Sequencers 1
LTC2974 RECOMMENDED FOR NEW DESIGNS 4-Channel PMBus Power System Manager Featuring Accurate Output Current Measurement
Protection Switches & Controllers 1
LT4363 RECOMMENDED FOR NEW DESIGNS High Voltage Surge Stopper with Current Limit
Switching Regulators & Controllers 1
LTC3880 RECOMMENDED FOR NEW DESIGNS Dual Output PolyPhase Step-Down DC/DC Controller with Digital Power System Management
Modal heading
Add to myAnalog

Add product to the Products section of myAnalog (to receive notifications), to an existing project or to a new project.

Create New Project

Evaluation Kits

eval board
DC538A

LTC3734EUH | Single Phase IMVP4 Power Supply, VIN = 7.5V to 24V, VOUT = 0.6V to 1.75V @ 15A

Product Details

DC538A: Demo Board for the LTC3734 Single-Phase, High Efficiency DC/DC Controller for Intel Mobile CPUs

DC538A
LTC3734EUH | Single Phase IMVP4 Power Supply, VIN = 7.5V to 24V, VOUT = 0.6V to 1.75V @ 15A
DC538A - Schematic

Latest Discussions

No discussions on LTC3734 yet. Have something to say?

Start a Discussion on EngineerZone®

Recently Viewed