LTC3718

PRODUCTION

Low Input Voltage, DC/DC Controller for DDR/QDR Memory Termination

Viewing:

Overview

  • Very Low VIN(MIN): 1.5V
  • Ultrafast Transient Response
  • True Current Mode Control
  • 5V Drive for N-Channel MOSFETs Eliminates Auxillary 5V Supply
  • No Sense Resistor Required
  • Uses Standard 5V Logic-Level N-Channel MOSFETs
  • VOUT(MIN): 0.4V
  • VOUT Tracks 1/2 VIN or External VREF
  • Symmetrical Source and Sink Output Current Limit
  • Adjustable Switching Frequency
  • tON(MIN) <100ns
  • Power Good Output Voltage Monitor
  • Programmable Soft-Start
  • Output Overvoltage Protection
  • Optional Short-Circuit Shutdown Timer
  • Small 24-Lead SSOP Package

The LTC3718 is a high current, high efficiency synchronous switching regulator controller for DDR and QDR memory termination. It operates from an input as low as 1.5V and provides a regulated output voltage equal to (0.5)VIN. The controller uses a valley current control architecture to enable high frequency operation with very low on-times without requiring a sense resistor. Operating frequency is selected by an external resistor and is compensated for variations in VIN and VOUT. The LTC3718 uses a pair of standard 5V logic level N-channel external MOSFETs, eliminating the need for expensive P-channel or low threshold devices.

Forced continuous operation reduces noise and RF interference. Fault protection is provided by internal foldback current limiting, an output overvoltage comparator and an optional short-circuit timer. Soft-start capability for supply sequencing can be accomplished using an external timing capacitor. OPTI-LOOP® compensation allows the transient response to be optimized over a wide range of loads and output capacitors.

Applications

  • Bus Termination: DDR/QDR Memory, SSTL, HSTL,...
  • Servers, RAID Systems
  • Distributed Power Systems
  • Synchronous Buck with General Purpose Boost

LTC3718
Low Input Voltage, DC/DC Controller for DDR/QDR Memory Termination
Figure 1. High Efficiency Bus Termination Supply without Auxiliary 5V Supply Efficiency vs Load Current Product Package 1
Add to myAnalog

Add product to the Products section of myAnalog (to receive notifications), to an existing project or to a new project.

Create New Project
Ask a Question

Documentation

Data Sheet

This is the most up-to-date revision of the Data Sheet.

Learn More
Add to myAnalog

Add media to the Resources section of myAnalog, to an existing project or to a new project.

Create New Project

Software Resources

Can't find the software or driver you need?

Request a Driver/Software

Hardware Ecosystem

Parts Product Life Cycle Description
Power System Management (PSM) & Sequencers 1
LTC2974 RECOMMENDED FOR NEW DESIGNS 4-Channel PMBus Power System Manager Featuring Accurate Output Current Measurement
Switching Regulators & Controllers 1
LTM4632 RECOMMENDED FOR NEW DESIGNS Ultrathin, Triple Output, Step-Down μModule Regulator for DDR-QDR4 Memory
Modal heading
Add to myAnalog

Add product to the Products section of myAnalog (to receive notifications), to an existing project or to a new project.

Create New Project

Tools & Simulations

LTspice


Models for the following parts are available in LTspice:

  • LTC3718
LTspice

LTspice® is a powerful, fast and free simulation software, schematic capture and waveform viewer with enhancements and models for improving the simulation of analog circuits.


Evaluation Kits

eval board
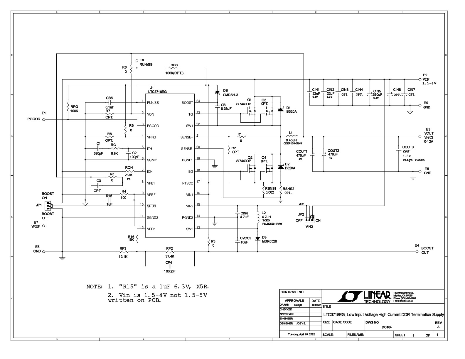
DC464A

LTC3718EG | Low Input Voltage, High Current, DDR Termination Supply, 1.5-5VIN, VREF/2 @ 0-12a

Product Details

DC464A: Demo Board for LTC3718 Low Input Voltage, DC/DC Controller for DDR/QDR Memory Termination.

DC464A
LTC3718EG | Low Input Voltage, High Current, DDR Termination Supply, 1.5-5VIN, VREF/2 @ 0-12a
DC464A - Schematic

Latest Discussions

No discussions on LTC3718 yet. Have something to say?

Start a Discussion on EngineerZone®

Recently Viewed