LTC3589
LTC3589-1
LTC3589-2

RECOMMENDED FOR NEW DESIGNS

8-Output Regulator with Sequencing and I2C

Viewing:

Overview

  • Triple I2C Adjustable High Efficiency Step-Down DC/DC Converters: 1.6A, 1A/1.2A, 1A/1.2A
  • High Efficiency 1.2A Buck-Boost DC/DC Converter
  • Triple 250mA LDO Regulators
  • Pushbutton ON/OFF Control with System Reset
  • Flexible Pin-Strap Sequencing Operation
  • I2C and Independent Enable Control Pins
  • Power Good and Reset Outputs

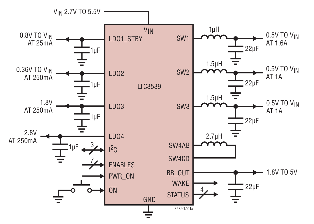
The LTC3589 is a complete power management solution for ARM and ARM-based processors and advanced portable microprocessor systems. The device contains three step-down DC/DC converters for core, memory and SoC rails, a buck-boost regulator for I/O at 1.8V to 5V and three 250mA LDO regulators for low noise analog supplies. An I2C serial port is used to control enables, output voltage levels, dynamic voltage scaling, operating modes and status reporting. Differences between the LTC3589, LTC3589-1, and LTC3589-2 are summarized in Table 1.

Regulator start-up is sequenced by connecting outputs to enable pins in the desired order or programmed via the I2C port. System power-on, power-off, and reset functions are controlled by pushbutton interface, pin inputs, or I2C interface.

The LTC3589 supports i.MX53/51, PXA and OMAP processors with eight independent rails at appropriate power levels. Other features include interface signals such as the VSTB pin that simultaneously toggle up to four rails between programmed run and standby output voltages. The device is available in a low profile 40-pin 6mm × 6mm exposed pad QFN package.


LTC3589 LTC3589-1 LTC3589-2
Power-On Inhibit Enable Delay 1 second 2ms 2ms
Buck 2 & 3 Current Output 1A 1.2A 1.2A
PGOOD Fault Timeout Enabled Default, I2C Disable Disabled by Default, I2C Enable Disabled by Default, I2C Enable
PWR_ON to WAKE Delay 50ms 2ms 2ms
LDO3 Vout 1.8V 2.8V 2.8V
LDO4 Vout 1.8V, 2.5V, 2.8V, 3.3V 1.2V, 1.8V, 2.5V, 3.2V 1.2V, 1.8V, 2.5V, 3.2V
LDO4 Vout 1.8V, 2.5V, 2.8V, 3.3V 1.2V, 1.8V, 2.5V, 3.2V 1.2V, 1.8V, 2.5V, 3.2V
Default LDO4 Enable LDO34_EN (Pin) or I2C I2C Only I2C Only
Wait to Enable Until Output < 300mV Yes. Change with I2C Yes. Change with I2C No. Change with I2C
Insert 2.5K Discharge Resistor When Disabled Yes when Wait to Enable Until Output < 300mV Yes when Wait to Enable Until Output < 300mV Always inserted when regulator disabled

Applications

  • Handheld Instruments and Scanners
  • Portable Industrial Devices
  • Automotive Infotainment
  • Medical Devices
  • High End Consumer Devices
  • Multirail Systems
  • Supports Freescale i.MX53/51, Marvell PXA and Other Application Processors

LTC3589
LTC3589-1
LTC3589-2
8-Output Regulator with Sequencing and I2C
Start-Up Sequence Product Package 2 Product Package 2
Add to myAnalog

Add product to the Products section of myAnalog (to receive notifications), to an existing project or to a new project.

Create New Project
Ask a Question

Documentation

Data Sheet

This is the most up-to-date revision of the Data Sheet.

Learn More
Add to myAnalog

Add media to the Resources section of myAnalog, to an existing project or to a new project.

Create New Project

Software Resources


Hardware Ecosystem

Parts Product Life Cycle Description
Analog to Digital Converters (ADCs) 1
LTC2991 RECOMMENDED FOR NEW DESIGNS Octal I2C Voltage, Current, and Temperature Monitor
Level Translators & Buffers 1
LTC4311 PRODUCTION Low Voltage I2C/SMBus Accelerator
Modal heading
Add to myAnalog

Add product to the Products section of myAnalog (to receive notifications), to an existing project or to a new project.

Create New Project

Tools & Simulations

LTspice


Models for the following parts are available in LTspice:

  • LTC3589

Linduino 3

LTspice

LTspice® is a powerful, fast and free simulation software, schematic capture and waveform viewer with enhancements and models for improving the simulation of analog circuits.


Evaluation Kits

eval board
DC1808B-A

LTC3589EUJ-1 Demo Board | 8-Output Regulator with Sequencing & I2C, 2.7V ≤ VIN ≤ 5.5V, VOUT1 - 8 = 1.2V to 3.3V @ 25mA to 1.6A

Product Details

Demonstration circuit 1808B-A is a 2.7V to 5.5V input, multioutput power supply with a pushbutton controller and I2C, featuring the LTC3589EUJ-1 (-A). The LTC3589EUJ-1 has three synchronous buck regulators, (1.6A, 1.2A, 1.2A) a 1.2A buck-boost regulator, a 25mA always-on LDO and three 200mA LDO regulators.

The switching regulator settings, such as enables, feedback voltages, operating modes and other functions, can be controlled via I2C.

eval board
DC1808B-B

LTC3589EUJ-2 Demo Board | 8-Output Regulator with Sequencing & I2C, 2.7V ≤ VIN ≤ 5.5V, VOUT1 - 8 = 1.2V to 3.3V @ 25mA to 1.6A

Product Details

Demonstration circuit 1808B-B is a 2.7V to 5.5V input, multioutput power supply with a pushbutton controller and I2C, featuring the LTC3589EUJ-2 (-B). The LTC3589EUJ-2 has three synchronous buck regulators, (1.6A, 1.2A, 1.2A) a 1.2A buck-boost regulator, a 25mA always-on LDO and three 200mA LDO regulators.

The switching regulator settings, such as enables, feedback voltages, operating modes and other functions, can be controlled via I2C.

eval board
DC1558A

LTC3589EUJ Demo Board | 8-Output Regulator with Sequencing & I2C, 2.7V ≤ VIN ≤ 5.5V, VOUT1-8 = 1.2V to 3.3V @ 25mA to 1.6A

Product Details

Demonstration Circuit 1558A is a 2.7V to 5.5V input, multioutput power supply with a pushbutton controller and I2C, featuring the LTC3589EUJ. The LTC3589 has three synchronous buck regulators (1.6A, 1A, 1A), a buck-boost regulator (1.2A), a 25mA always-on LDO, and three 200mA LDO regulators.


The switching regulator settings such as enables, feedback voltages, operating modes and other functions can be controlled via I2C.

DC1808B-A
LTC3589EUJ-1 Demo Board | 8-Output Regulator with Sequencing & I2C, 2.7V ≤ VIN ≤ 5.5V, VOUT1 - 8 = 1.2V to 3.3V @ 25mA to 1.6A
DC1808B-A - Schematic
DC1808B-B
LTC3589EUJ-2 Demo Board | 8-Output Regulator with Sequencing & I2C, 2.7V ≤ VIN ≤ 5.5V, VOUT1 - 8 = 1.2V to 3.3V @ 25mA to 1.6A
DC1808B-A - Schematic
DC1558A
LTC3589EUJ Demo Board | 8-Output Regulator with Sequencing & I2C, 2.7V ≤ VIN ≤ 5.5V, VOUT1-8 = 1.2V to 3.3V @ 25mA to 1.6A
DC1558A - Schematic

Reference Designs

i.MX7 96Board
NXP (Freescale) i.MX7 96Board Circuits from the lab

Features and Benefits

  • Analog Devices has worked closely with FPGA and processor manufacturers to develop verified power solutions that optimize cost, size and efficiency in high performance applications
  • Our reference designs are supported by an intuitive design tool set and IP
  • Our team can provide designs for quick prototypes that can speed time to market in the most complex applications
NXP (Freescale) i.MX7 96Board
i.MX7 96Board
i.MX7 96Board Power Tree

Latest Discussions

Recently Viewed