LTC3455/LTC3455-1

NOT RECOMMENDED FOR NEW DESIGNS

Dual DC/DC Converter with USB Power Manager and Li-Ion Battery Charger

Viewing:

Overview

  • Seamless Transition between Input Power Sources:
    • Li-Ion Battery,
    • USB, and
    • 5V Wall Adapter
  • Accurate USB Current Limiting (500mA/100mA)
  • Two High Efficiency DC/DC Converters: Up to 96%
  • Thermal Regulation Maximizes Battery Charge Rate without Risk of Overheating
  • Full-Featured Li-Ion Battery Charger with 4.2V Float Voltage for LTC3455 and 4.1V for LTC3455-1
  • 4.1V Float Voltage (LTC3455-1) Improves Battery Life and High Temperature Safety Margin
  • Hot Swap Output for SDIO and Memory Cards
  • Pin-Selectable Burst Mode® Operation
  • Output Disconnect: All Outputs Discharged to Ground During Shutdown
  • Available in a 4mm × 4mm × 0.75mm 24-Pin QFN Package

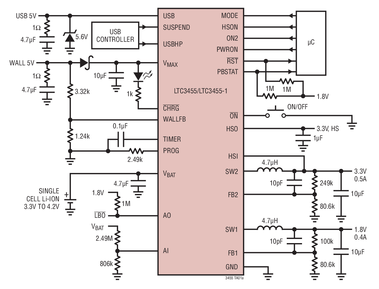
The LTC3455/LTC3455-1 are complete power management solutions for a variety of portable applications. These devices contain two synchronous step-down DC/DC converters, a USB power controller, a full-featured Li-Ion battery charger, a Hot Swap output, a low-battery indicator, and numerous internal protection features. The LTC3455/LTC3455-1 provide a small, simple solution for obtaining power from three different power sources: a single-cell Li-Ion battery, a USB port, and a wall adapter. Current drawn from the USB bus is accurately limited under all conditions. Whenever a USB or a wall adapter is present, the battery charger is enabled and all internal power for the device is drawn from the appropriate external power source. All outputs are discharged to ground during shutdown to provide complete output disconnect. These devices are available in a 4mm × 4mm 24-pin exposed-pad QFN package.

Applications

  • Handheld Computers
  • Digital Cameras
  • MP3 Players

LTC3455/LTC3455-1
Dual DC/DC Converter with USB Power Manager and Li-Ion Battery Charger
Efficiency Product Package 1
Add to myAnalog

Add product to the Products section of myAnalog (to receive notifications), to an existing project or to a new project.

Create New Project
Ask a Question

Documentation

Data Sheet

This is the most up-to-date revision of the Data Sheet.

Learn More
Add to myAnalog

Add media to the Resources section of myAnalog, to an existing project or to a new project.

Create New Project

Software Resources

Can't find the software or driver you need?

Request a Driver/Software

Hardware Ecosystem

Parts Product Life Cycle Description
Battery Monitors & Fuel Gauges 1
LTC2942 NOT RECOMMENDED FOR NEW DESIGNS Battery Gas Gauge with Temperature, Voltage Measurement
Circuit Monitors 1
LTC2960 RECOMMENDED FOR NEW DESIGNS 36V Nano-Current Two-Input Voltage Monitor
Protection Switches & Controllers 2
LTC4261 PRODUCTION Negative Voltage Hot Swap Controllers with ADC and I²C Monitoring
LTC2955 RECOMMENDED FOR NEW DESIGNS Pushbutton On/Off Controller with Automatic Turn-On
Modal heading
Add to myAnalog

Add product to the Products section of myAnalog (to receive notifications), to an existing project or to a new project.

Create New Project

Evaluation Kits

eval board
DC631B

LTC3455EUF Demo Board | USB Power Solution, USB/5V Adapter Input, Linear Li-Ion Charger, Dual Synchronous Buck 3.15V @ 500mA, 1.8V @ 400mA

Product Details

Demonstration circuit DC631 is a complete power solution for a USB powered device. Power is input from one of three sources, and three outputs are provided, as well as supervisory signals for a microprocessor. DC631 provides the following functions; 700mA CC/CV timer terminated charger suitable for 4.2V Li-Ion cells, USB power manager that insures compliance with the USB power specification, two 1.5MHz synchronous step-down converters and reset and power button status outputs for interfacing with a microprocessor.

eval board
DC1448A

LTC3455EUF-1 Demo Board | USB Power Solution, USB/5V Adapter Input, Linear Li-Ion Charger, Dual Synchronous Buck 3.15V at 500mA, 1.8V at 400mA

Product Details

Demonstration circuit DC1448 is a complete power solution for a USB powered device. Power is input from one of three sources, and three outputs are provided, as well as supervisory signals for a microprocessor. DC631 provides the following functions; 700mA CC/CV timer terminated charger suitable for 4.1V Li-Ion cells, USB power manager that insures compliance with the USB power specification, two 1.5MHz synchronous step-down converters and reset and power button status outputs for interfacing with a microprocessor.

DC631B
LTC3455EUF Demo Board | USB Power Solution, USB/5V Adapter Input, Linear Li-Ion Charger, Dual Synchronous Buck 3.15V @ 500mA, 1.8V @ 400mA
DC631B - Schematic
DC1448A
LTC3455EUF-1 Demo Board | USB Power Solution, USB/5V Adapter Input, Linear Li-Ion Charger, Dual Synchronous Buck 3.15V at 500mA, 1.8V at 400mA
DC1448A - Schematic

Latest Discussions

Recently Viewed