LTC2439-1

PRODUCTION

8-/16-Channel 16-Bit No Latency ∆Σ ADC

Viewing:

Overview

  • 16-Channel Single-Ended or 8-Channel Differential Inputs
  • Low Supply Current (200µA, 4µA in Autosleep)
  • Rail-to-Rail Differential Input/Reference
  • 16-Bit No Missing Codes
  • 1µV RMS Noise, 16-ENOBS Independent of VREF
  • Very Low Transition Noise: Less Than 0.02LSB
  • Operates with a Reference as Low as 100mV with 1.5µV LSB Step Size
  • Guaranteed Modulator Stability and Lock-Up Immunity for Any Input and Reference Conditions
  • Single Supply 2.7V to 5.5V Operation
  • Internal Oscillator—No External Components Required
  • 87dB Min, 50Hz and 60Hz Simultaneous Notch Filter
  • Pin Compatible with the 24-Bit LTC2418
  • 28-Lead SSOP Package

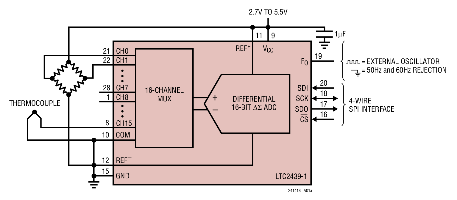
The LTC2439-1 is a 16-channel (8-differential) micropower 16-bit ∆Σ analog-to-digital converter. It operates from 2.7V to 5.5V and includes an integrated oscillator, 0.12LSB INL and 1µV RMS noise. It uses delta-sigma technology and provides single cycle settling time for multiplexed applications. Through a single pin, the LTC2439-1 can be configured for better than 87dB differential mode rejection at 50Hz and 60Hz ±2%, or it can be driven by an external oscillator for a user-defined rejection frequency. The internal oscillator requires no external frequency setting components.

The LTC2439-1 accepts any external differential reference voltage from 0.1V to VCC for flexible ratiometric and remote sensing measurement applications. It can be configured to take 8 differential channels or 16 single-ended channels. The full-scale bipolar input range is from –0.5VREF to 0.5VREF. The reference common mode voltage, VREFCM, and the input common mode voltage, VINCM, may be independently set between GND and VCC. The DC common mode input rejection is better than 140dB.

The LTC2439-1 communicates through a flexible 4-wire digital interface that is compatible with SPI and MICROWIRE protocols.

Applications

  • Direct Sensor Digitizer
  • Weight Scales
  • Direct Temperature Measurement
  • Gas Analyzers
  • Strain Gauge Transducers
  • Instrumentation
  • Data Acquisition
  • Industrial Process Control

LTC2439-1
8-/16-Channel 16-Bit No Latency ∆Σ ADC
Minimum Resolvable Signal vs VREF Product Package 1
Add to myAnalog

Add product to the Products section of myAnalog (to receive notifications), to an existing project or to a new project.

Create New Project
Ask a Question

Documentation

Data Sheet

This is the most up-to-date revision of the Data Sheet.

Learn More
Add to myAnalog

Add media to the Resources section of myAnalog, to an existing project or to a new project.

Create New Project

Software Resources

Can't find the software or driver you need?

Request a Driver/Software

Hardware Ecosystem

Parts Product Life Cycle Description
Interface Transceivers & Isolators 1
LTM2883 PRODUCTION SPI/Digital or I2C μModule Isolator with Adjustable ±12.5V and 5V Regulated Power
Matched Resistors & Transistors 1
LT5400 RECOMMENDED FOR NEW DESIGNS Quad Matched Resistor Network
Oscillators 1
LTC6991 PRODUCTION TimerBlox: Resettable, Low Frequency Oscillator
Modal heading
Add to myAnalog

Add product to the Products section of myAnalog (to receive notifications), to an existing project or to a new project.

Create New Project

Evaluation Kits

eval board
DC907A-B

LTC6102, LT6100, LT1787, LTC2054, and LTC2439-1 (Requires DC590B) | Demo Board

Product Details

DC907A-B Demo Board for:

LTC2054 Single Micropower Zero-Drift Operational Amplifiers
LTC6102 Precision Zero Drift Current Sense Amplifier
LT1787 Precision, High Side Current Sense Amplifiers
LT6100 Precision, Gain Selectable High Side Current Sense Amplifier
LTC2439-1 8-/16-Channel 16-Bit No Latency Delta Sigma ADC

eval board
DC790A

LTC2439CGN-1 | 8-Channel Differential 16-Bit ADC (Requires DC590)

Product Details

DC790A: Demo Board for the LTC2439-1 8-/16-Channel 16-Bit No Latency Delta Sigma ADC.

DC907A-B
LTC6102, LT6100, LT1787, LTC2054, and LTC2439-1 (Requires DC590B) | Demo Board
DC907A-B - Schematic
DC790A
LTC2439CGN-1 | 8-Channel Differential 16-Bit ADC (Requires DC590)
DC790A - Schematic

Latest Discussions

No discussions on LTC2439-1 yet. Have something to say?

Start a Discussion on EngineerZone®

Recently Viewed