Overview
Product Details
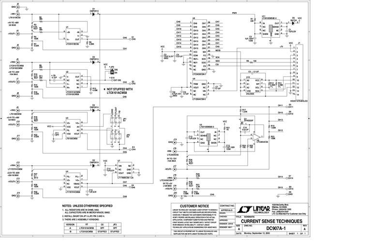
DC907A-B Demo Board for:
LTC2054 Single Micropower Zero-Drift Operational Amplifiers
LTC6102 Precision Zero Drift Current Sense Amplifier
LT1787 Precision, High Side Current Sense Amplifiers
LT6100 Precision, Gain Selectable High Side Current Sense Amplifier
LTC2439-1 8-/16-Channel 16-Bit No Latency Delta Sigma ADC
Markets and Technologies
Applicable Parts
Documentation & Resources
- 
                                                                
                                                                    
                                                                                                                                            DC907A-B - Schematic10/22/2009PDF54K
 
- 
                                                                
                                                                    
                                                                                                                                            DC907A - Demo Manual10/22/2009PDF2M
 
- 
                                                                
                                                                    
                                                                                                                                            DC907A-A - Design Files10/22/2009ZIP1M
 
                                                