LTC2376-20
PRODUCTION20-Bit, 250ksps, Low Power SAR ADC with 0.5ppm INL
- Part Models
- 8
- 1ku List Price
- Starting From $24.67
Overview
- 250ksps Throughput Rate
- ±0.5ppm INL (Typ)
- Guaranteed 20-Bit No Missing Codes
- Low Power: 5.3mW at 250ksps, 5.3μW at 250sps
- 104dB SNR (Typ) at fIN = 2kHz
- –125dB THD (Typ) at fIN = 2kHz
- Digital Gain Compression (DGC)
- Guaranteed Operation to 85°C
- 2.5V Supply
- Fully Differential Input Range ±VREF
- VREF Input Range from 2.5V to 5.1V
- No Pipeline Delay, No Cycle Latency
- 1.8V to 5V I/O Voltages
- SPI-Compatible Serial I/O with Daisy-Chain Mode
- Internal Conversion Clock
- 16-Lead MSOP and 4mm × 3mm DFN Packages
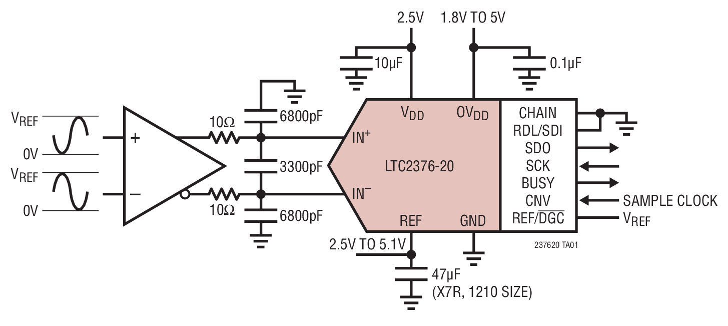
The LTC2376-20 is a low noise, low power, high speed 20-bit successive approximation register (SAR) ADC. Operating from a 2.5V supply, the LTC2376-20 has a ±VREF fully differential input range with VREF ranging from 2.5V to 5.1V. The LTC2376-20 consumes only 5.3mW and achieves ±2ppm INL maximum, no missing codes at 20 bits with 104dB SNR.
The LTC2376-20 has a high speed SPI-compatible serial interface that supports 1.8V, 2.5V, 3.3V and 5V logic while also featuring a daisy-chain mode. The fast 250ksps throughput with no cycle latency makes the LTC2376-20 ideally suited for a wide variety of high speed applications. An internal oscillator sets the conversion time, easing external timing considerations. The LTC2376-20 automatically powers down between conversions, leading to reduced power dissipation that scales with the sampling rate.
The LTC2376-20 features a unique digital gain compression (DGC) function, which eliminates the driver amplifier’s negative supply while preserving the full resolution of the ADC. When enabled, the ADC performs a digital scaling function that maps zero-scale code from 0V to 0.1 • VREF and full-scale code from VREF to 0.9 • VREF. For a typical reference voltage of 5V, the full-scale input range is now 0.5V to 4.5V, which provides adequate headroom for powering the driving amplifier from a single 5.5V supply.
Applications
- Medical Imaging
- High Speed Data Acquisition
- Portable or Compact Instrumentation
- Industrial Process Control
- Low Power Battery-Operated Instrumentation
- ATE
Documentation
Data Sheet 1
User Guide 1
Design Note 2
Product Selector Card 4
Webcast 1
ADI has always placed the highest emphasis on delivering products that meet the maximum levels of quality and reliability. We achieve this by incorporating quality and reliability checks in every scope of product and process design, and in the manufacturing process as well. "Zero defects" for shipped products is always our goal. View our quality and reliability program and certifications for more information.
| Part Model | Pin/Package Drawing | Documentation | CAD Symbols, Footprints, and 3D Models |
|---|---|---|---|
| LTC2376CDE-20#PBF | 16-Lead DFN (4mm x 3mm w/ EP) | ||
| LTC2376CDE-20#TRPBF | 16-Lead DFN (4mm x 3mm w/ EP) | ||
| LTC2376CMS-20#PBF | 16-Lead MSOP | ||
| LTC2376CMS-20#TRPBF | 16-Lead MSOP | ||
| LTC2376IDE-20#PBF | 16-Lead DFN (4mm x 3mm w/ EP) | ||
| LTC2376IDE-20#TRPBF | 16-Lead DFN (4mm x 3mm w/ EP) | ||
| LTC2376IMS-20#PBF | 16-Lead MSOP | ||
| LTC2376IMS-20#TRPBF | 16-Lead MSOP |
| Part Models | Product Lifecycle | PCN |
|---|---|---|
|
Feb 4, 2020 - 20_0132 Laser Top Mark for 16-Lead MSOP Packages Assembled in ADPG and UTAC |
||
| LTC2376CMS-20#PBF | PRODUCTION | |
| LTC2376CMS-20#TRPBF | PRODUCTION | |
| LTC2376IMS-20#PBF | PRODUCTION | |
| LTC2376IMS-20#TRPBF | PRODUCTION | |
This is the most up-to-date revision of the Data Sheet.
Software Resources
Evaluation Software 1
DC1925A-C FPGA/CPLD Source Code
Can't find the software or driver you need?
Hardware Ecosystem
| Parts | Product Life Cycle | Description |
|---|---|---|
| Differential Amplifiers 1 | ||
| LTC6362 | LAST TIME BUY | Precision, Low Power Rail-to-Rail Input/Output Differential Op Amp/SAR ADC Driver |
| Interface Transceivers 2 | ||
| LTM2883 | PRODUCTION | SPI/Digital or I2C μModule Isolator with Adjustable ±12.5V and 5V Regulated Power |
| LTM2893 | PRODUCTION | 100MHz Isolated ADC Serial Interface |
| Matched Resistors & Transistors 1 | ||
| LT5400 | RECOMMENDED FOR NEW DESIGNS | Quad Matched Resistor Network |
| Operational Amplifiers (Op Amps) 1 | ||
| LT6203 | PRODUCTION | Dual 100MHz, Rail-to-Rail Input and Output, Ultralow 1.9nV√Hz Noise, Low Power Op Amps |
| Voltage References 1 | ||
| LTC6655 | PRODUCTION | 0.25ppm Noise, Low Drift Precision References |
Tools & Simulations
Linduino 4
IBIS Model 1
Linduino is Analog Devices’ Arduino compatible system for developing and distributing firmware libraries and example code for our integrated circuits. Each Linduino-supported product includes an example main program, defined in the LTSketchbook/Part Number folder and driver code, defined in the LTSketchbook/libraries folder.
Linduino code repository on GitHub and instructions on how to use the code.
Evaluation Kits
Latest Discussions
No discussions on LTC2376-20 yet. Have something to say?
Start a Discussion on EngineerZone®