LTC2368-16
PRODUCTION16-Bit, 1Msps, Pseudo-Differential Unipolar SAR ADC with 94.7dB SNR
- Part Models
- 10
- 1ku List Price
- Starting From $15.31
Overview
- 1Msps Throughput Rate
- ±0.75LSB INL (Max)
- Guaranteed 16-Bit No Missing Codes
- Low Power: 13.5mW at 1Msps, 13.5μW at 1ksps
- 94.7dB SNR (Typ) at fIN = 2kHz
- –118dB THD (Typ) at fIN = 2kHz
- Guaranteed Operation to 125°C
- 2.5V Supply
- Pseudo-Differential Unipolar Input Range: 0V to VREF
- VREF Input Range from 2.5V to 5.1V
- No Pipeline Delay, No Cycle Latency
- 1.8V to 5V I/O Voltages
- SPI-Compatible Serial I/O with Daisy-Chain Mode
- Internal Conversion Clock
- 16-Lead MSOP and 4mm × 3mm DFN Packages
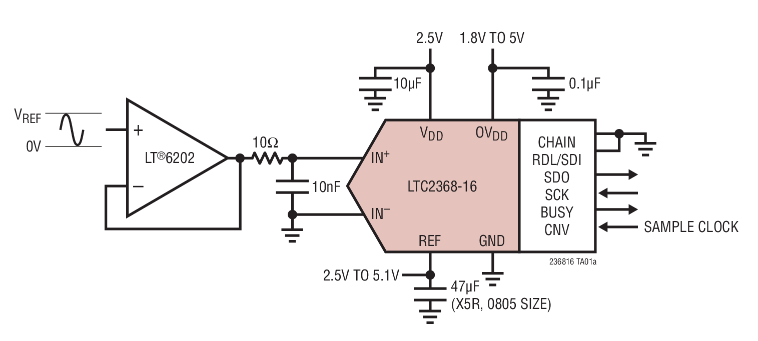
The LTC2368-16 is a low noise, low power, high speed 16-bit successive approximation register (SAR) ADC. Operating from a 2.5V supply, the LTC2368-16 has a 0V to VREF pseudo-differential unipolar input range with VREF ranging from 2.5V to 5.1V. The LTC2368-16 consumes only 13.5mW and achieves ±0.75LSB INL maximum, no missing codes at 16 bits with 94.7dB SNR.
The LTC2368-16 has a high speed SPI-compatible serial interface that supports 1.8V, 2.5V, 3.3V and 5V logic while also featuring a daisy-chain mode. The fast 2Msps throughput with no cycle latency makes the LTC2368-16 ideally suited for a wide variety of high speed applications. An internal oscillator sets the conversion time, easing external timing considerations. The LTC2368-16 automatically powers down between conversions, leading to reduced power dissipation that scales with the sampling rate.
Applications
- Medical Imaging
- High Speed Data Acquisition
- Portable or Compact Instrumentation
- Industrial Process Control
- Low Power Battery-Operated Instrumentation
- ATE
Documentation
Data Sheet 1
Reliability Data 1
User Guide 2
Video 1
Product Selector Card 4
ADI has always placed the highest emphasis on delivering products that meet the maximum levels of quality and reliability. We achieve this by incorporating quality and reliability checks in every scope of product and process design, and in the manufacturing process as well. "Zero defects" for shipped products is always our goal. View our quality and reliability program and certifications for more information.
| Part Model | Pin/Package Drawing | Documentation | CAD Symbols, Footprints, and 3D Models |
|---|---|---|---|
| LTC2368CDE-16#PBF | 16-Lead DFN (4mm x 3mm w/ EP) | ||
| LTC2368CDE-16#TRPBF | 16-Lead DFN (4mm x 3mm w/ EP) | ||
| LTC2368CMS-16#PBF | 16-Lead MSOP | ||
| LTC2368CMS-16#TRPBF | 16-Lead MSOP | ||
| LTC2368HMS-16#PBF | 16-Lead MSOP | ||
| LTC2368HMS-16#TRPBF | 16-Lead MSOP | ||
| LTC2368IDE-16#PBF | 16-Lead DFN (4mm x 3mm w/ EP) | ||
| LTC2368IDE-16#TRPBF | 16-Lead DFN (4mm x 3mm w/ EP) | ||
| LTC2368IMS-16#PBF | 16-Lead MSOP | ||
| LTC2368IMS-16#TRPBF | 16-Lead MSOP |
| Part Models | Product Lifecycle | PCN |
|---|---|---|
|
Jun 5, 2024 - 24_0004 Epoxy Change from Henkel 8290 to 8290A for MSOP (3) |
||
| LTC2368CMS-16#PBF | PRODUCTION | |
| LTC2368CMS-16#TRPBF | PRODUCTION | |
| LTC2368HMS-16#PBF | PRODUCTION | |
| LTC2368HMS-16#TRPBF | PRODUCTION | |
| LTC2368IMS-16#PBF | PRODUCTION | |
| LTC2368IMS-16#TRPBF | PRODUCTION | |
|
Feb 4, 2020 - 20_0132 Laser Top Mark for 16-Lead MSOP Packages Assembled in ADPG and UTAC |
||
| LTC2368CMS-16#PBF | PRODUCTION | |
| LTC2368CMS-16#TRPBF | PRODUCTION | |
| LTC2368HMS-16#PBF | PRODUCTION | |
| LTC2368HMS-16#TRPBF | PRODUCTION | |
| LTC2368IMS-16#PBF | PRODUCTION | |
| LTC2368IMS-16#TRPBF | PRODUCTION | |
This is the most up-to-date revision of the Data Sheet.
Software Resources
Evaluation Software 3
DC2289A CPLD Source Code
PScope
The PScope System is a USB-based product demonstration and data acquisition system for use with high performance ADCs and signal chain receiver family. PScope allows users to evaluate the SNR, SFDR, THD, as well as other key parameters, quickly and easily.
LinearLab Tools
A collection of Matlab and Python programs that provide direct access to Linear Technology’s data converter evaluation boards.
Can't find the software or driver you need?
Hardware Ecosystem
| Parts | Product Life Cycle | Description |
|---|---|---|
| Interface Transceivers & Isolators 2 | ||
| LTM2883 | PRODUCTION | SPI/Digital or I2C μModule Isolator with Adjustable ±12.5V and 5V Regulated Power |
| LTM2893 | PRODUCTION | 100MHz Isolated ADC Serial Interface |
| Operational Amplifiers (Op Amps) 1 | ||
| LT6202 | PRODUCTION | Single 100MHz, Rail-to-Rail Input and Output, Ultralow 1.9nV√Hz Noise, Low Power Op Amps |
| Voltage References 2 | ||
| LTC6652 | PRODUCTION | Precision Low Drift Low Noise Buffered Reference |
| LTC6655 | PRODUCTION | 0.25ppm Noise, Low Drift Precision References |
Tools & Simulations
Linduino 4
IBIS Model 1
Linduino is Analog Devices’ Arduino compatible system for developing and distributing firmware libraries and example code for our integrated circuits. Each Linduino-supported product includes an example main program, defined in the LTSketchbook/Part Number folder and driver code, defined in the LTSketchbook/libraries folder.
Linduino code repository on GitHub and instructions on how to use the code.
Evaluation Kits
Latest Discussions
No discussions on LTC2368-16 yet. Have something to say?
Start a Discussion on EngineerZone®