LTC2107

PRODUCTION

16-Bit, 210Msps High Performance ADC

Viewing:

Overview

  • 98dBFS SFDR
  • 80dBFS SNR Noise Floor
  • Aperture Jitter = 45fsRMS
  • PGA Front-End 2.4VP-P or 1.6VP-P Input Range
  • Optional Internal Dither
  • Optional Data Output Randomizer
  • Power Dissipation: 1280mW
  • Shutdown Mode
  • Serial SPI Port for Configuration
  • Clock Duty Cycle Stabilizer
  • 48-Lead (7mm × 7mm) QFN Package

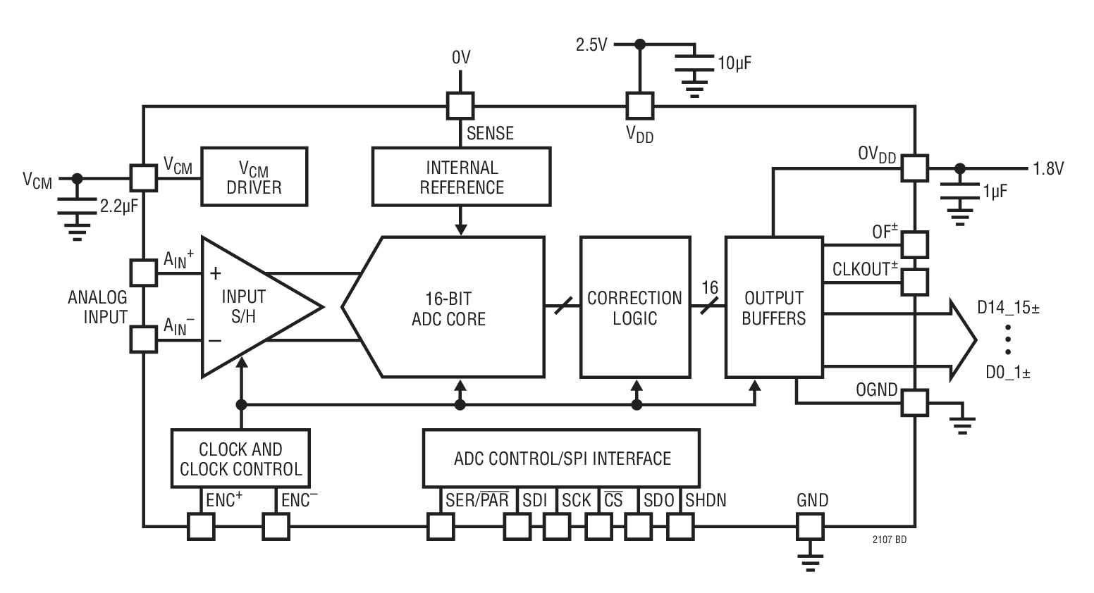
The LTC2107 is a 16-bit, 210Msps high performance ADC. The combination of high sample rate, low noise and high linearity enable a new generation of digital radio designs. The direct sampling front-end is designed specifically for the most demanding receiver applications such as software defined radio and multi-channel GSM base stations. The AC performance includes, SNR = 80dBFS, SFDR = 98dBFS. Aperture jitter = 45fsRMS allows direct sampling of IF frequencies up to 500MHz with excellent performance.

Features such as internal dither, a PGA front-end and digital output randomization help maximize performance. Modes of operation can be controlled through a 3-wire serial interface (SPI).

The double data rate (DDR) low voltage differential (LVDS) digital outputs help reduce digital line count and enable space saving designs.

Applications

  • Software Defined Radios
  • Military Radio and RADAR
  • Cellular Base Stations
  • Spectral Analysis
  • Imaging Systems
  • ATE and Instrumentation

LTC2107
16-Bit, 210Msps High Performance ADC
128k Point FFT, fIN = 30.6MHz, –1dBFS, PGA = 0 Product Package 1 Product Package 2
Add to myAnalog

Add product to the Products section of myAnalog (to receive notifications), to an existing project or to a new project.

Create New Project
Ask a Question

Documentation

Data Sheet

This is the most up-to-date revision of the Data Sheet.

Learn More
Add to myAnalog

Add media to the Resources section of myAnalog, to an existing project or to a new project.

Create New Project

Software Resources

Can't find the software or driver you need?

Request a Driver/Software

Hardware Ecosystem

Parts Product Life Cycle Description
Differential Amplifiers 1
LTC6409 RECOMMENDED FOR NEW DESIGNS 10GHz GBW, 1.1nV/√Hz Differential Amplifier/ADC Driver
Digital to Analog Converters (DACs) 1
LTC2000 PRODUCTION 16-/14-/11-Bit 2.5Gsps DACs
Low-Noise Amplifiers (LNAs) & Power Amplifiers 1
LTC6430-15 RECOMMENDED FOR NEW DESIGNS High Linearity Differential RF/IF Amplifier/ADC Driver
Modal heading
Add to myAnalog

Add product to the Products section of myAnalog (to receive notifications), to an existing project or to a new project.

Create New Project

Tools & Simulations


Evaluation Kits

eval board
DC2183A-B

LTC2107 Demo Board | 16-Bit, 210Msps High Performance ADC with DDR LVDS Outputs, 70MHz < Ain < 140MHz, (Requires DC1371)

Product Details

Demonstration circuit 2183A supports the LTC2107, a high speed and high dynamic range ADC. It was specially designed for applications that require a single-ended ACcoupled input. DC2183 supports the LTC2107 using the DDR LVDS output mode.

eval board
DC2183A-A

LTC2107 Demo Board | 16-Bit, 210Msps High Performance ADC with DDR LVDS Outputs, 1MHz < Ain < 70MHz, (Requires DC1371)

Product Details

Demonstration circuit 2183A supports the LTC2107, a high speed and high dynamic range ADC. It was specially designed for applications that require a single-ended AC coupled input. DC2183 supports the LTC2107 using the DDR LVDS output mode.

eval board
DC2266A

LTC2107 and LTC6409 Demo Board | 16-Bit, 210Msps ADC and Driver Combo Board, DC-100MHz Input, DDR LVDS Outputs, (Requires DC1371 and DC2219)

Product Details

Demonstration circuit 2266A features the LTC2107, 210Msps ADC, and the LTC6409 low noise amplifier. DC2266A supports the LTC2107 DDR LVDS output mode.


The circuitry on the analog inputs is optimized for analog input frequencies from DC to 100MHz. When driven with a 50Ω source, the gain will be 6dB. To modify the input for other input ranges or gains refer to the LTC6409 data sheet.

DC2183A-B
LTC2107 Demo Board | 16-Bit, 210Msps High Performance ADC with DDR LVDS Outputs, 70MHz < Ain < 140MHz, (Requires DC1371)
DC2183A - Schematic
DC2183A-A
LTC2107 Demo Board | 16-Bit, 210Msps High Performance ADC with DDR LVDS Outputs, 1MHz < Ain < 70MHz, (Requires DC1371)
DC2183A - Schematic
DC2266A
LTC2107 and LTC6409 Demo Board | 16-Bit, 210Msps ADC and Driver Combo Board, DC-100MHz Input, DDR LVDS Outputs, (Requires DC1371 and DC2219)
DC2266A - Schematic

Latest Discussions

Recently Viewed