Two engineers working in the lab

Save time and deliver your solutions faster with ADI’s new suite of precision technology signal chains. Align your applications ranging from Smart Industry to Instrumentation, Electrification to Digital Health, to exactly the right precision technology combinations.

Tailor your signal chain with confidence

LT6600-15

PRODUCTION

Very Low Noise, Differential Amplifier and 15MHz Lowpass Filter

Viewing:

Overview

  • Programmable Differential Gain via Two External Resistors
  • Adjustable Output Common Mode Voltage
  • Operates and Specified with 3V, 5V, ±5V Supplies
  • 0.5dB Ripple 4th Order Lowpass Filter with 15MHz Cutoff
  • 76dB S/N with 3V Supply and 2VP-P Output
  • Low Distortion, 2VP-P, 800Ω Load, VS = 3V
    • 1MHz: 86dBc 2nd, 90dBc 3rd
    • 10MHz: 63dBc 2nd, 69dBc 3rd
  • Fully Differential Inputs and Outputs
  • Compatible with Popular Differential Amplifier Pinouts
  • SO-8 Package

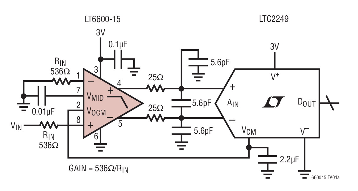
The LT6600-15 combines a fully differential amplifier with a 4th order 15MHz lowpass filter approximating a Chebyshev frequency response. Most differential amplifiers require many precision external components to tailor gain and bandwidth. In contrast, with the LT6600-15, two external resistors program differential gain, and the filter’s 15MHz cutoff frequency and passband ripple are internally set. The LT6600-15 also provides the necessary level shifting to set its output common mode voltage to accommodate the reference voltage requirements of A/Ds.

Using a proprietary internal architecture, the LT6600-15 integrates an antialiasing filter and a differential amplifier/driver without compromising distortion or low noise performance. At unity gain the measured in band signal-to-noise ratio is an impressive 76dB. At higher gains the input referred noise decreases so the part can process smaller input differential signals without significantly degrading the output signal-to-noise ratio.

The LT6600-15 also features low voltage operation. The differential design provides outstanding performance for a 2VP-P signal level while the part operates with a single 3V supply.

The LT6600-15 is packaged in an SO-8 and is pin compatible with stand alone differential amplifiers.

Applications

  • High Speed ADC Antialiasing and DAC Smoothing in Networking or Cellular Base Station Applications
  • High Speed Test and Measurement Equipment
  • Medical Imaging
  • Drop-In Replacement for Differential Amplifiers

LT6600-15
Very Low Noise, Differential Amplifier and 15MHz Lowpass Filter
An 8192 Point FFT Spectrum Product Package 1
Add to myAnalog

Add product to the Products section of myAnalog (to receive notifications), to an existing project or to a new project.

Create New Project
Ask a Question

Documentation

Data Sheet

This is the most up-to-date revision of the Data Sheet.

Learn More
Add to myAnalog

Add media to the Resources section of myAnalog, to an existing project or to a new project.

Create New Project

Software Resources

Can't find the software or driver you need?

Request a Driver/Software

Tools & Simulations

LTspice


Models for the following parts are available in LTspice:

  • LT6600-10
  • LT6600-15
  • LT6600-2.5
  • LT6600-20
  • LT6600-5

Sys-Parameter Models for Keysight Genesys

Sys-Parameter models contain behavioral parameters, such as P1dB, IP3, gain, noise figure and return loss, which describe nonlinear and linear characteristics of a device.

Open Tool

ADIsimRF

ADIsimRF is an easy-to-use RF signal chain calculator. Cascaded gain, noise, distortion and power consumption can be calculated, plotted and exported for signal chains with up to 50 stages. ADIsimRF also includes an extensive data base of device models for ADI’s RF and mixed signal components.

Open Tool
LTspice

LTspice® is a powerful, fast and free simulation software, schematic capture and waveform viewer with enhancements and models for improving the simulation of analog circuits.


Evaluation Kits

eval board
DC962A-D

LT6600-15 Frequency (Fc) = 15MHz

Product Details

DC962A-D: Demo Board for the LT6600-15 Very Low Noise, Differential Amplifier and 15MHz Lowpass Filter.

DC962A-D
LT6600-15 Frequency (Fc) = 15MHz
DC962A-A - Schematic

Latest Discussions

No discussions on LT6600-15 yet. Have something to say?

Start a Discussion on EngineerZone®

Recently Viewed