Quantic X-Microwave

Analog Devices RF and microwave components are available as drop-in X-MWblocks®
from Quantic X-Microwave.

Get the X-MWblock® drop-in module for this part.

HMC966

RECOMMENDED FOR NEW DESIGNS

I/Q Downconverter SMT, 17 - 20 GHz


Viewing:

Overview

  • Conversion Gain: 14 dB
  • Image Rejection: 40 dBc
  • 2 LO to RF Isolation: 40 dB
  • Noise Figure: 2.5 dB
  • Input IP3: 0 dBm
  • 24 Lead 4x4mm QFN Package: 16mm²

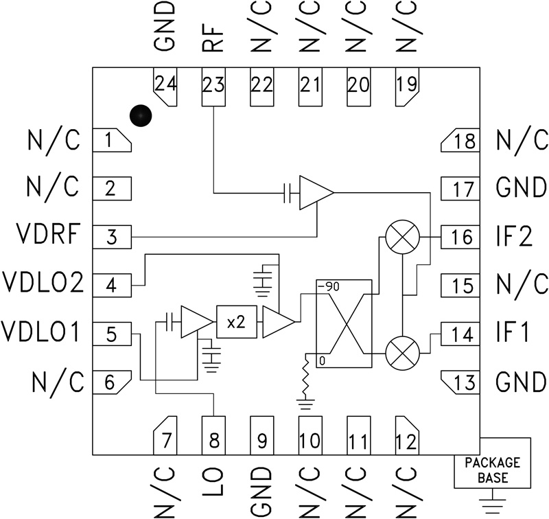
The HMC966LP4E is a compact GaAs MMIC I/Q downconverter in a leadless RoHS compliant SM T package. This device provides a small signal conversion gain of 12 dB with a noise figure of 2.5 dB and 40 dBc of image rejection across the frequency band. The HMC966LP4E utilizes an LNA followed by an image reject mixer which is driven by an active x2 multiplier. The image reject mixer eliminates the need for a filter following the LNA, and removes thermal noise at the image frequency. I and Q mixer outputs are provided and an external 90° hybrid is needed to select the required sideband. The HMC966LP4E is a much smaller alternative to hybrid style image reject mixer downconverter assemblies, and is compatible with surface mount manufacturing techniques.

Applications

  • Point-to-Point & Point-to-Multi-Point Radio
  • Military Radar, EW & ELINT
  • Satellite Communications

HMC966
I/Q Downconverter SMT, 17 - 20 GHz

hmc966lp4_fbl
Add to myAnalog

Add product to the Products section of myAnalog (to receive notifications), to an existing project or to a new project.

Create New Project
Ask a Question

Documentation

Data Sheet

This is the most up-to-date revision of the Data Sheet.

Learn More
Add to myAnalog

Add media to the Resources section of myAnalog, to an existing project or to a new project.

Create New Project

Software Resources

Can't find the software or driver you need?

Request a Driver/Software

Tools & Simulations

ADIsimRF

ADIsimRF is an easy-to-use RF signal chain calculator. Cascaded gain, noise, distortion and power consumption can be calculated, plotted and exported for signal chains with up to 50 stages. ADIsimRF also includes an extensive data base of device models for ADI’s RF and mixed signal components.

Open Tool

S-Parameter 1


Evaluation Kits

EVAL-HMC966LP4E
HMC966LP4E Evaluation Board

Latest Discussions

Recently Viewed