Quantic X-Microwave

Analog Devices RF and microwave components are available as drop-in X-MWblocks®
from Quantic X-Microwave.

Get the X-MWblock® drop-in module for this part.

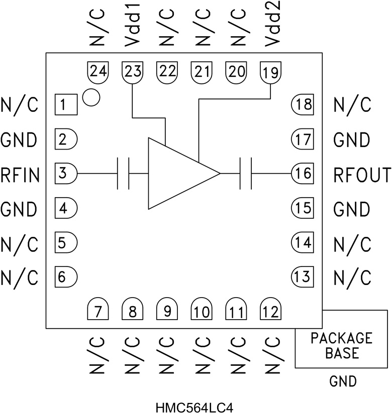
HMC564LC4

PRODUCTION

GaAs SMT pHEMT Low Noise Amplifier, 6 - 14GHz

Viewing:

Overview

  • Noise Figure: 1.8 dB
  • Gain: 17 dB
  • OIP3: 25 dBm
  • Single Supply: +3V @ 51 mA
  • 50 Ohm Matched Input/Output
  • RoHS Compliant 4 × 4 mm Package

The HMC564LC4 is a high dynamic range GaAs pHEMT MMIC Low Noise Amplifier housed in a leadless RoHS compliant 4×4 mm SMT package. Operating from 6 to 14 GHz, the HMC564LC4 features extremely flat small signal gain of 17 dB as well as 1.8 dB noise figure and +25 dBm output IP3 across the operating band. This self-biased LNA is ideal for microwave radios due to its consistent output power, single +3V supply operation, and DC blocked RF I/O’s.

Applications

  • Point-to-Point Radios
  • Point-to-Multi-Point Radios & VSAT
  • Test Equipment and Sensors
  • Military & Space

HMC564LC4
GaAs SMT pHEMT Low Noise Amplifier, 6 - 14GHz
HMC564LC4_fbl
Add to myAnalog

Add product to the Products section of myAnalog (to receive notifications), to an existing project or to a new project.

Create New Project
Ask a Question

Documentation

Data Sheet

This is the most up-to-date revision of the Data Sheet.

Learn More
Add to myAnalog

Add media to the Resources section of myAnalog, to an existing project or to a new project.

Create New Project

Software Resources

Can't find the software or driver you need?

Request a Driver/Software

Tools & Simulations

ADIsimRF

ADIsimRF is an easy-to-use RF signal chain calculator. Cascaded gain, noise, distortion and power consumption can be calculated, plotted and exported for signal chains with up to 50 stages. ADIsimRF also includes an extensive data base of device models for ADI’s RF and mixed signal components.

Open Tool

Sys-Parameter Models for Keysight Genesys

Sys-Parameter models contain behavioral parameters, such as P1dB, IP3, gain, noise figure and return loss, which describe nonlinear and linear characteristics of a device.

Open Tool

S-Parameter 1


Evaluation Kits

EVAL-HMC564LC4
HMC564LC4 Evaluation Board.

Latest Discussions

Recently Viewed