HMC1033

LAST TIME BUY

High Performance, +3.3V Clock Generator, 25 - 550 MHz

Viewing:

Overview

  • 3.3 V Only, Single Supply Rail Operation
  • Output Frequency Range: 25 MHz - 550 MHz
  • Integer or Fractional-N mode Frequency Translation
  • Configurable LVDS-compatible or LVPECL type Differential Outputs
  • “Power Priority” and “Performance Priority” modes
  • <99 fs RMS Jitter Generation (12 kHz-20 MHz, 350MHz, Typ)
  • Adjustable PLL Loop BW via External Filter
  • -163 dBc/Hz Phase Noise Floor to Improve ADC/DAC SNR (maximum output swing levels)
  • Output Disable/Mute Control
  • Lock Detect Signal
  • Exact Frequency Mode to achieve reference frequency tuning, and 0 Hz frequency error
  • 40 Lead 6x6mm SMT Package: 36mm²

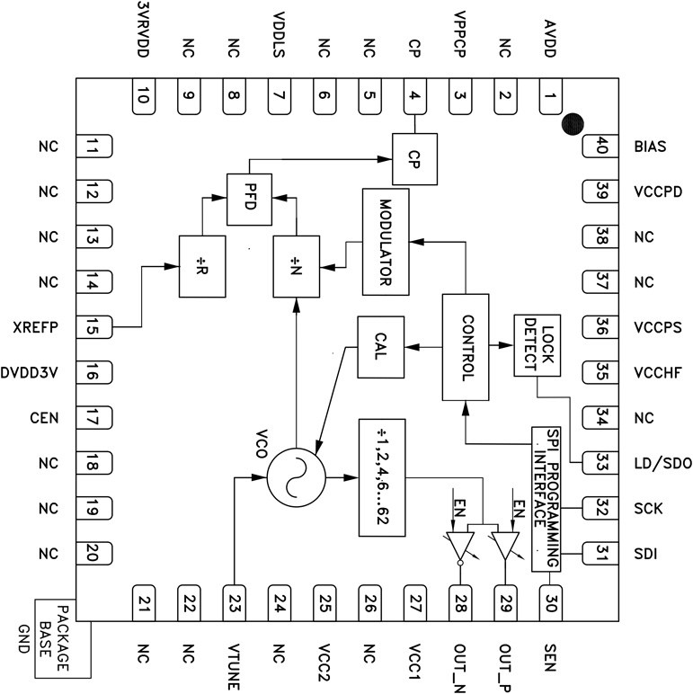
The HMC1033LP6GE is a low-noise, wide-band 3.3 V clock generator IC with a fractional-N Phase Locked Loop (PLL) that features an integrated Voltage Controlled Oscillator (VCO). The device provides differential clock outputs between 25 MHz and 550 MHz range. The HMC1033LP6GE features a low noise Phase Detector (PD) and Delta- Sigma modulator, capable of operating at up to 100 MHz which permits wider loop-bandwidths and excellent spurious performance.

The HMC1033LP6GE features industry leading phase noise and jitter performance, across the operating range, that enable it to improve link level jitter performance, Bit-Error-Rates (BER) and eye diagram metrics. The superior noise floor (<-162 dBc/Hz) makes the HMC1033LP6GE an ideal source for a variety of applications–such as clock references for high speed data converters, physical layer devices (PHY), serializer/deserializer (SER DES) circuits, FPGAs and processors. The HMC1033LP6GE can also be used as an LO for 10G/40G/100G optical modules and transponders, as well as primary reference clock for 10G/40G/100G line cards, and for jitter attenuation and frequency translation.

The differential output of the HMC1033LP6GE can be set to either an LVPECL or LVDS compatible mode, with further output swing which makes the device flexible and compatible with a wide variety of signal level requirements. The output can be internally terminated to reduce component count and cost. The outputs could be terminated externally in LVPECL mode using standard methods such as resistors to ground. An Output Mute function allows the user to shut off the outputs, such as may be required for board testing or debugging. The LVPECL/LVDS, amplitude select and Output Mute function are all programmed SPI serial programming.

The HMC1033LP6GE is designed to select between a Power Priority or a Performance Priority mode. The Power Priority setting reduces the current consumption of the part, whereas the Performance Priority setting improves the Jitter and Phase Noise performance.

The 24 bit Delta-Sigma Modulator further enhances Hittite’s Exact Frequency Mode, which enables users to generate output frequencies with 0 Hz frequency error in many applications.

APPLICATIONS

  • 10G/40G/100G Optical Modules, Transponders, Line Cards
  • OTN and SONET /SDH Applications
  • Data Converters, Sample Clock Generation
  • Cellular/4G Infrastructure
  • High Frequency Processor/FPGA Clocks
  • Any Frequency Clock Rate Generation
  • Low Jitter SAW Oscillator Replacement
  • DDS Replacement
  • Frequency Translation
  • Frequency Margining

HMC1033
High Performance, +3.3V Clock Generator, 25 - 550 MHz
HMC1033 Functional Block Diagram
Add to myAnalog

Add product to the Products section of myAnalog (to receive notifications), to an existing project or to a new project.

Create New Project
Ask a Question

Documentation

Data Sheet

This is the most up-to-date revision of the Data Sheet.

Learn More
Add to myAnalog

Add media to the Resources section of myAnalog, to an existing project or to a new project.

Create New Project

Software Resources

Can't find the software or driver you need?

Request a Driver/Software

Hardware Ecosystem

Parts Product Life Cycle Description
Comparators 1
LTC6957 Low Phase Noise, Dual Output Buffer/Driver/Logic Converter
Phase-Locked Loop (PLL) Synthesizers 1
HMC1031 LAST TIME BUY 0.1 MHz to 500 MHz Clock Generator with Integer N PLL
Modal heading
Add to myAnalog

Add product to the Products section of myAnalog (to receive notifications), to an existing project or to a new project.

Create New Project

Evaluation Kits

EVAL-HMC1033LP6G
HMC1033LP6G Evaluation Board
HMC832 Evaluation Board HMC832 Evaluation Board - Top View HMC832 Evaluation Board - Bottom View

Latest Discussions

Recently Viewed