ADG3304

PRODUCTION

Low Voltage 1.15 V to 5.5 V, 4 Channel, Bidirectional, Logic Level Translator

Viewing:

Overview

  • Bidirectional level translation
  • Operates from 1.15 V to 5.5 V
  • Low quiescent current < 1µA
  • No direction pin
  • Qualified for automotive applications

ADG3304-EP supports defense and aerospace applications (AQEC standard)

  • Download ADG3304-EP data sheet (pdf)
  • Military temperature range: −55°C to +125°C
  • See Data Sheet for more information

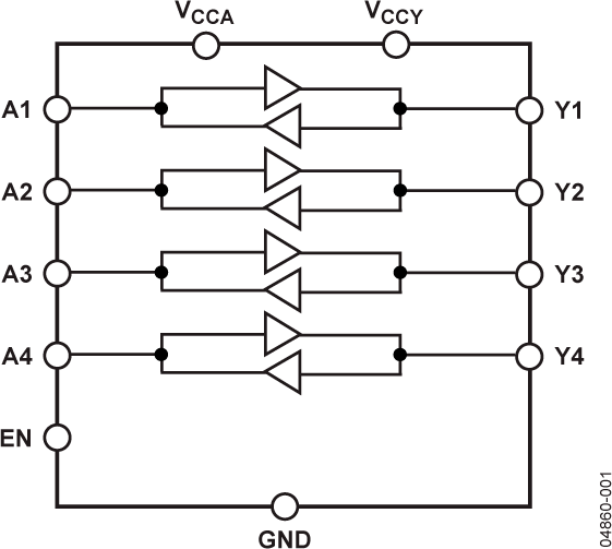
The ADG3304 is a bidirectional logic level translator that contains four bidirectional channels. It can be used in multivoltage digital system applications such as data transfer between a low voltage DSP/controller and a higher voltage device using SPI and MICROWIRE interfaces. The internal architecture allows the device to perform bidirectional logic level translation without an additional signal to set the direction in which the translation takes place.

The voltage applied to VCCA sets the logic levels on the A side of the device, while VCCY sets the levels on the Y side. For proper operation, VCCA must always be less than VCCY. The VCCA-compatible logic signals applied to the A side of the device appear as VCCY-compatible levels on the Y side. Similarly, VCCY-compatible logic levels applied to the Y side of the device appear as VCCA-compatible logic levels on the A side.

The enable pin (EN) provides three-state operation on both the A-side and the Y-side pins. When the EN pin is pulled low, the terminals on both sides of the device are in the high impedance state. The EN pin is referred to the VCCA supply voltage and driven high for normal operation.

The ADG3304 is available in compact 14-lead TSSOP, 12-ball WLCSP and 20-lead LFCSP. It is guaranteed to operate over the 1.15 V to 5.5 V supply voltage range.

Supports defense and aerospace applications (AQEC standard).

Applications

  • SPI, MICROWIRE level translation
  • Low voltage ASIC level translation
  • Smart card readers
  • Cell phones and cell phone cradles
  • Portable communication devices
  • Telecommunications equipment
  • Network switches and routers
  • Storage systems (SAN/NAS)
  • Computing/server applications
  • GPS
  • Portable POS systems
  • Low cost serial interfaces

ADG3304
Low Voltage 1.15 V to 5.5 V, 4 Channel, Bidirectional, Logic Level Translator
ADG3304-fbl adg3304-pc3 ADG3304-pc1 ADG3304-pc2
Add to myAnalog

Add product to the Products section of myAnalog (to receive notifications), to an existing project or to a new project.

Create New Project
Ask a Question

Documentation

Learn More
Add to myAnalog

Add media to the Resources section of myAnalog, to an existing project or to a new project.

Create New Project

Tools & Simulations


Evaluation Kits

eval board
EVAL-14TSSOPEBZ

EVAL-14TSSOPEBZ Evaluation Board

Features and Benefits

  • 14-lead TSSOP evaluation board 
  • Clamp allows the main device to be easily changed 
  • Gold pin connectors allow the addition of passive components 
  • SMB connectors for the input/output of signals 
  • Additional space on-board to allow for prototyping 

Product Details

The EVAL-14TSSOPEBZ evaluation board evaluates 14-lead TSSOP devices in the Switches and Multiplexers Portfolio that must be purchased separately from the evaluation board. A clamp is supplied with the EVAL-14TSSOPEBZ to secure a 14-lead TSSOP device to the evaluation board without the need for soldering, making the board reusable for multiple devices.

A 14-lead TSSOP device can be clamped or soldered to the center of the evaluation board. Each pin of the device that the eval board evaluates has a corresponding link from K1 to K14 that can be set to either VDD or GND. A wire screw terminal supplies VDD and GND. SMB connectors on the board allow additional external signals to be supplied to the device. In addition, there is space available at the top of the board for prototyping.

For full details, see the corresponding product data sheet, which must be used in conjunction with this user guide when using the evaluation board.

eval board
AD-FMCOMMS1-EBZ

FPGA Mezzanine Card for Wireless Communications

Features and Benefits

  • Includes schematics, layout, BOM, Gerber files, HDL, Linux® drivers, IIO Oscilloscope, VisualANALOG
  • FMC-compatible form factor
  • Powered from FMC connector
  • Provides one channel of ADC and one channel of DAC with full synchronization capabilities

Product Details

This board is no longer available for ordering.

The AD-FMCOMMS1-EBZ high-speed analog module is designed to showcase the latest generation high-speed data converters. The AD-FMCOMMS1-EBZ provides the analog front-end for a wide range of compute-intensive FPGA-based radio applications.

The AD-FMCOMMS1-EBZ is an analog front end hardware platform that addresses a broad range of research, academic, industrial and defense applications. The AD-FMCOMMS1-EBZ enables RF applications from 400MHz to 4 GHz. The module is customizable to a wide range of frequencies by software without any hardware changes, providing options for GPS or IEEE 1588 Synchronization, and MIMO configurations.

When combined with the Xilinx ZYNQ® Software-Defined Radio Kit, AD-FMCOMMS1-EBZ enables a variety of wireless communications functions at the physical layer, from baseband to RF. With up to 4 GB of flash storage space, 512 MB of RAM, Gigabit Ethernet interface (depending on the base platform) and a Linux image built specifically for the AD-FMCOMMS1-EBZ, you can get everything you need for a easy out of the box experience. The platform offers enough flexibility for many applications, and supports streaming data, and standard web interfaces to analyze transmitted RF data.

Applications

  • Electronic test and measurement equipment
  • General-purpose software radios
  • Radar systems
  • Ultra wideband satellite receivers
  • Point to point communication systems

EVAL-14TSSOPEBZ
EVAL-14TSSOPEBZ Evaluation Board
EVAL-14TSSOPEBZANGLE-web EVAL-14TSSOPEBZBOTTOM-web EVAL-14TSSOPEBZTOP-web
AD-FMCOMMS1-EBZ
FPGA Mezzanine Card for Wireless Communications
AD-FMCOMMS1-EBZ Block Diagram

Reference Designs

CN0415
Robust, Closed-Loop Control and Monitoring System for Solenoid Actuators 
Circuit Diagram
EVAL-CN0415-ARDZ Evaluation Board
EVAL-CN0415-ARDZ Evaluation Board - Top View
EVAL-CN0415-ARDZ Evaluation Board - Bottom View

Latest Discussions

Recently Viewed