AD7654
PRODUCTIONDual, 2-Channel, Simultaneous Sampling, PulSAR®, 500 kSPS, 16-Bit ADC
- Part Models
- 3
- 1ku List Price
- Starting From $28.00
Overview
- Dual, 16-bit, 2-channel simultaneous sampling ADC
- 16-bit resolution with no missing codes
- Throughput:
500 kSPS (normal mode)
444 kSPS (impulse mode) - INL: ±3.5 LSB max (±0.0053% of full scale)
- SNR: 89 dB typ at 100 kHz
- THD: −100 dB at +100 kHz
- Analog input voltage range: 0 V to 5 V
- No pipeline delay
- Parallel and serial 5 V/3 V interface
- SPI®/QSPI™/MICROWIRE™/ DSP compatible
- Single 5 V supply operation
- See data sheet for additional features
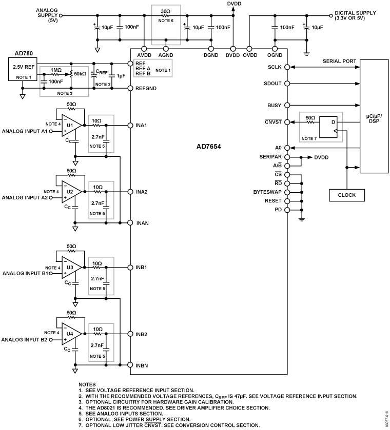
The AD7654 is a low cost, simultaneous sampling, dual-channel, 16-bit, charge redistribution SAR, analog-to-digital converter that operates from a single 5 V power supply. It contains two low noise, wide bandwidth, track-and-hold amplifiers that allow simultaneous sampling, a high speed 16-bit sampling ADC, an internal conversion clock, error correction circuits, and both serial and parallel system interface ports. Each track-and-hold has a multiplexer in front to provide a 4-channel input ADC. The A0 multiplexer control input allows the choice of simultaneously sampling input pairs INA1/INB1 (A0 = low) or INA2/INB2 (A0 = high). The device features a very high sampling rate mode (normal) and, for low power applications, a reduced power mode (impulse) where the power is scaled with the throughput. Operation is specified from −40°C to +85°C.
APPLICATIONS
- AC motor control
- 3-phase power control
- 4-channel data acquisition
- Uninterrupted power supplies
- Communications
PRODUCT HIGHLIGHTS
- Simultaneous Sampling.
The AD7654 features two sample-and-hold circuits that allow simultaneous sampling. It provides inputs for four channels. - Fast Throughput.
The AD7654 is a 500 kSPS, charge redistribution, 16-bit SAR ADC with internal error correction circuitry. - Superior INL and No Missing Codes.
The AD7654 has a maximum integral nonlinearity of 3.5 LSB with no missing 16-bit codes. - Single-Supply Operation.
The AD7654 operates from a single 5 V supply. In impulse mode, its power dissipation decreases with throughput. - Serial or Parallel Interface.
Versatile parallel or 2-wire serial interface arrangement is compatible with both 3 V and 5 V logic.
Documentation
Data Sheet 1
Application Note 2
Technical Articles 1
Product Highlight 1
Product Highlight 1
ADI has always placed the highest emphasis on delivering products that meet the maximum levels of quality and reliability. We achieve this by incorporating quality and reliability checks in every scope of product and process design, and in the manufacturing process as well. "Zero defects" for shipped products is always our goal. View our quality and reliability program and certifications for more information.
| Part Model | Pin/Package Drawing | Documentation | CAD Symbols, Footprints, and 3D Models |
|---|---|---|---|
| AD7654ACPZ | 48-Lead LFCSP (7mm x 7mm x 0.85mm w/ EP) | ||
| AD7654ASTZ | 48-Lead LQFP (7mm x 7mm) | ||
| AD7654ASTZRL | 48-Lead LQFP (7mm x 7mm) |
| Part Models | Product Lifecycle | PCN |
|---|---|---|
|
Apr 29, 2015 - 14_0049 Conversion of 6x6mm and 7x7mm LFCSP Package Outlines from Punch to Sawn and Transfer of Assembly Site to Amkor Philippines |
||
| AD7654ACPZ | PRODUCTION | |
|
Feb 8, 2010 - 04_0080 Qualification of the 8" C6 and Q Wafer Fab Processes at Analog Devices, Limerick, Ireland. |
||
| AD7654ACPZ | PRODUCTION | |
| AD7654ASTZ | PRODUCTION | |
|
Jan 5, 2009 - 07_0077 Certification of STATSChipPAC Shanghai, China and AMKOR Philippines as additional sources for Assembly & Test of QFP Packages |
||
| AD7654ASTZ | PRODUCTION | |
| AD7654ASTZRL | PRODUCTION | |
This is the most up-to-date revision of the Data Sheet.
Software Resources
Can't find the software or driver you need?
Request a Driver/SoftwareHardware Ecosystem
| Parts | Product Life Cycle | Description |
|---|---|---|
| LDO Linear Regulators 2 | ||
| ADP151 | PRODUCTION | Ultralow Noise, 200 mA, CMOS Linear Regulator |
| ADP160 | PRODUCTION | Ultra Low Quiescent Current 150 mA, CMOS Linear Regulator |
| Operational Amplifiers (Op Amps) 7 | ||
| AD8610 | PRODUCTION | Precision, Low Input Bias Current, Wide BW JFET Single Op Amp |
| ADA4627-1 | PRODUCTION | 36 V, 19 MHz, Low Noise, Low Bias Current, JFET Op Amp |
| AD8021 | PRODUCTION | Low Noise, High Speed Amplifier for 16-Bit Systems |
| ADA4899-1 | PRODUCTION | Unity-Gain Stable, Ultralow Distortion, 1 nV/√Hz Voltage Noise, High Speed Op Amp |
| AD8022 | PRODUCTION | Dual High Speed, Low Noise Op Amp |
| AD8597 | PRODUCTION | Ultralow Distortion, Ultralow Noise Op Amp (single) |
| AD8599 | PRODUCTION | Ultralow Distortion, Ultralow Noise Op Amp (Dual) |
| Switching Regulators & Controllers 1 | ||
| ADP2114 | PRODUCTION | Configurable, Dual 2 A/Single 4 A, Synchronous Step-Down DC-to-DC Regulator |
| Voltage References 6 | ||
| ADR441 | PRODUCTION | Ultralow Noise, LDO XFET® 2.5V Voltage Reference w/Current Sink and Source |
| AD780 | PRODUCTION | 2.5 V/3.0 V High Precision Reference |
| ADR421 | PRODUCTION | Ultraprecision, Low Noise, 2.500 V XFET® Voltage References |
| ADR431 | PRODUCTION | Ultralow Noise XFET® Voltage References with Current Sink and Source Capability |
| AD1582 | PRODUCTION | 2.5V Micropower, Precisions Series Mode Voltage References |
| ADR391 | PRODUCTION | 2.5V Micropower, Low Noise Precision Voltage Reference with Shutdown |