AD698

PRODUCTION

Universal LVDT Signal Conditioner

Viewing:

Overview

  • Single chip solution, contains internal oscillator and voltage reference
  • No adjustments required
  • Interfaces to half-bridge, 4-wire LVDT
  • DC output proportional to position
  • 20 Hz to 20 kHz frequency range
  • Unipolar or bipolar output
  • Decodes AC bridge signals
  • Outstanding performance
    • Linearity: 0.05%
    • Output voltage: ±11 V
    • Gain drift: 20 ppm/8°C (typ)
    • Offset drift: 5 ppm/8°C (typ)
  • Grade temperature range package
    • 40-lead LFCSP –40°C to +85°C
    • 24-lead CERDIP –55°C to +125°C

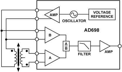
The AD698 is a complete, monolithic Linear Variable Differential Transformer (LVDT) signal conditioning subsystem. It is used in conjunction with LVDTs to convert transducer mechanical position to a unipolar or bipolar dc voltage with a high degree of accuracy and repeatability. All circuit functions are included on the chip. With the addition of a few external passive components to set frequency and gain, the AD698 converts the raw LVDT output to a scaled dc signal. The device will operate with half-bridge LVDTs, LVDTs connected in the series opposed configuration (4-wire), and RVDTs.

The AD698 contains a low distortion sine wave oscillator to drive the LVDT primary. Two synchronous demodulation channels of the AD698 are used to detect primary and secondary amplitude. The part divides the output of the secondary by the amplitude of the primary and multiplies by a scale factor. This eliminates scale factor errors due to drift in the amplitude of the primary drive, improving temperature performance and stability.

The AD698 uses a unique ratiometric architecture to eliminate several of the disadvantages associated with traditional approaches to LVDT interfacing. The benefits of this new circuit are: no adjustments are necessary; temperature stability is improved; and transducer interchangeability is improved.

AD698
Universal LVDT Signal Conditioner
AD698 Functional Block Diagram AD698 Pin Configuration AD698 Pin Configuration
Add to myAnalog

Add product to the Products section of myAnalog (to receive notifications), to an existing project or to a new project.

Create New Project
Ask a Question

Documentation

Learn More
Add to myAnalog

Add media to the Resources section of myAnalog, to an existing project or to a new project.

Create New Project

Software Resources

Can't find the software or driver you need?

Request a Driver/Software

Hardware Ecosystem

Parts Product Life Cycle Description
ADA2200 Obsolete Synchronous Demodulator and Configurable Analog Filter
Modal heading
Add to myAnalog

Add product to the Products section of myAnalog (to receive notifications), to an existing project or to a new project.

Create New Project

Reference Designs

CN0301
Universal LVDT Signal Conditioning Circuit
Universal LVDT Signal Conditioning Circuit

Latest Discussions

Recently Viewed