HMC547

Obsolete

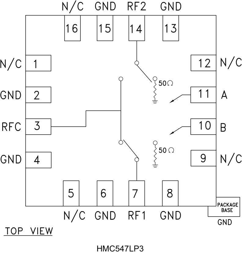
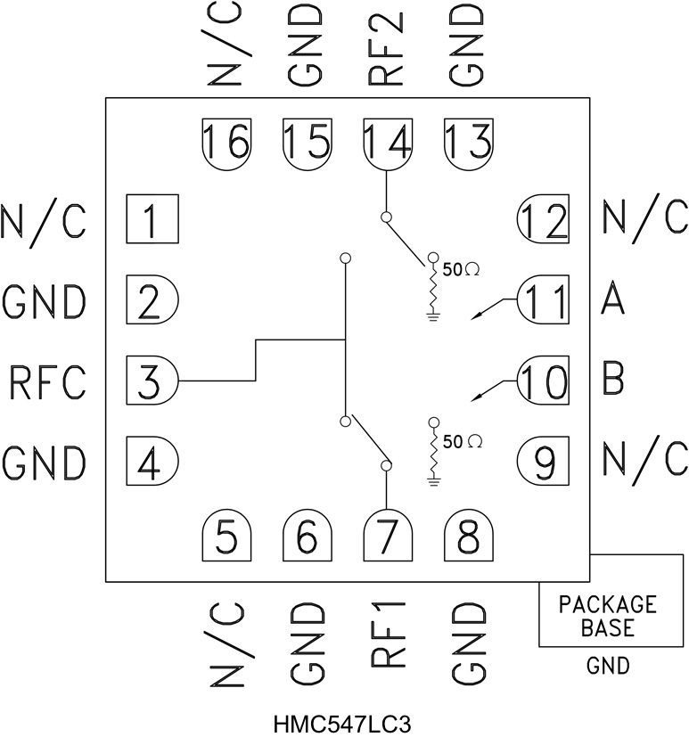
HMC547LC3 / HMC547LP3
GaAs MMIC, High Isolation SPDT Nonreflective Switch SMT, DC to 28.0 GHz

Viewing:

Overview

  • High isolation: 45 dB @ 10 GHz; 40 dB @ 20 GHz; >50 dB up to 5 GHz; >45 dB up to 15 GHz
  • Low insertion loss: 1.6 dB @ 10 GHz; 1.9 dB to 2 dB @ 20 GHz
  • Fast switching: 6 ns
  • Nonreflective topology
  • 16-lead ceramic 3 mm x 3 mm SMT package: 9 mm²; QFN SMT package: 9 mm²

The HMC547 is a general-purpose broadband high isolation nonreflective GaAs MESFET SPDT switch in a ceramic 3 mm x 3 mm leadless surface-mount package or a low cost leadless QFN surface-mount plastic package. Covering DC to 28.0 GHz, the switch offers more than 40 dB isolation and less than 2 dB insertion loss at midband and features >50 dB isolation up to 5 GHz and >45 dB isolation up to 15 GHz. The wide bandwidth, fast switching, and compact size make this absorptive SPDT ideal for military EW/ECM and test equipment applications. The switch operates using complementary negative control voltage logic lines of −5/0 V and requires no bias supply.

Applications

  • Fiber optics and broadband telecom
  • Microwave radios and VSAT
  • Military, radar, and ECM
  • Test instrumentation
  • Basestation infrastructure


HMC547

HMC547LC3 / HMC547LP3
GaAs MMIC, High Isolation SPDT Nonreflective Switch SMT, DC to 28.0 GHz

HMC547LC3_fbl HMC547LP3_fbl
Add to myAnalog

Add product to the Products section of myAnalog (to receive notifications), to an existing project or to a new project.

Create New Project
Ask a Question

Documentation

Data Sheet 2

Technical Articles 1

Data Sheet

This is the most up-to-date revision of the Data Sheet.

Learn More
Add to myAnalog

Add media to the Resources section of myAnalog, to an existing project or to a new project.

Create New Project

Software Resources

Can't find the software or driver you need?

Request a Driver/Software

Tools & Simulations

S-Parameter 1


Evaluation Kits

EVAL-HMC547LC3
HMC547LC3 Evaluation Board
EVAL-HMC547LP3
HMC547LP3 Evaluation Board

Reference Designs

Voltage Standing Wave Ratio (VSWR) Evaluation Board Measurement Setup
CN0387 Circuits from the lab

Calibration-Free Return Loss Measurement System

Features and Benefits

  • Return Loss Measurement System
  • 1GHz to 28GHz
  • Calibration Free
CN0387
Calibration-Free Return Loss Measurement System
Voltage Standing Wave Ratio (VSWR) Evaluation Board Measurement Setup
EV-VSWR-SDZ Board Connected to EVAL-SDP-CB1Z Board

Latest Discussions

Recently Viewed