Quantic X-Microwave

Analog Devices RF and microwave components are available as drop-in X-MWblocks®
from Quantic X-Microwave.

Get the X-MWblock® drop-in module for this part.

HMC3587

RECOMMENDED FOR NEW DESIGNS

HBT Gain Block MMIC Amplifier, 4 - 10 GHz

Viewing:

Overview

  • High Output IP3: +25 dBm
  • Single Positive Supply:
    +5V
  • Low Noise Figure: 3.5 dB(1)
  • 12 Lead 3×3 mm SMT Package: 9 mm2

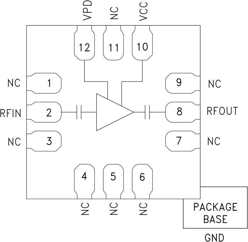
The HMC3587LP 3BE is a HBT Gain Block MMI C amplifier covering 4 GHz to 10 GHz and packaged in a 3×3 mm plastic QFN SM T package. This versatile amplifier can be used as a cascadable IF or RF gain stage in 50 Ohm applications. The HMC3587LP 3BE delivers 14.5 dB gain, and +13 dBm output P1dB with only 3.5 dB noise figure.

Applications

  • Cellular / PCS / 3G
  • Fixed Wireless & WLAN
  • CATV, Cable Modem & DBS
  • Microwave Radio & Test Equipment
  • IF & RF Applications

HMC3587
HBT Gain Block MMIC Amplifier, 4 - 10 GHz
hmc3587lp3be_fbl
Add to myAnalog

Add product to the Products section of myAnalog (to receive notifications), to an existing project or to a new project.

Create New Project
Ask a Question

Documentation

Learn More
Add to myAnalog

Add media to the Resources section of myAnalog, to an existing project or to a new project.

Create New Project

Software Resources

Can't find the software or driver you need?

Request a Driver/Software

Tools & Simulations

ADIsimRF

ADIsimRF is an easy-to-use RF signal chain calculator. Cascaded gain, noise, distortion and power consumption can be calculated, plotted and exported for signal chains with up to 50 stages. ADIsimRF also includes an extensive data base of device models for ADI’s RF and mixed signal components.

Open Tool

Sys-Parameter Models for Keysight Genesys

Sys-Parameter models contain behavioral parameters, such as P1dB, IP3, gain, noise figure and return loss, which describe nonlinear and linear characteristics of a device.

Open Tool

S-Parameter 1


Evaluation Kits

EVAL-HMC3587LP3B
HMC3587LP3B Evaluation Board

Latest Discussions

Recently Viewed