医疗内窥镜解决方案
内窥镜技术可通过微创方式进入人体内部器官与组织,进行诊断和治疗。这类手术器械不仅需要具备高清成像与实时监测能力,更需在内窥镜手术时全程将患者的安全性与舒适度置于首位。
ADI公司在数据连接、电气隔离及电源解决方案方面的创新技术,能够提升内窥镜的成像质量与处理性能,从而最大限度提高诊断准确性。
价值和优势
ADI的连接解决方案可最大限度提升外科手术可视化的保真度,支持与图像传感器之间进行高带宽、无压缩的通信。我们还提供连接、安全及电源解决方案,用于对这类数据进行收集、保护与处理。
提升诊断准确度
增强处理能力
缩短设计时间
医疗耗材的安全认证
了解为了实施安全、低成本的身份验证方法需要满足哪些要求,以及ADI如何为医疗耗材提供接触式和非接触式解决方案。
智能边缘AFE重塑压力传感器的制造工艺
探索MAX40109如何通过单次校准过程彻底改变压力传感器的制造方式,降低整体系统的复杂性和校准成本。
Evaluation Boards
MAX96717/F/R and MAX96793 EVKit
MAX96717、MAX96717F和MAX96717R评估套件
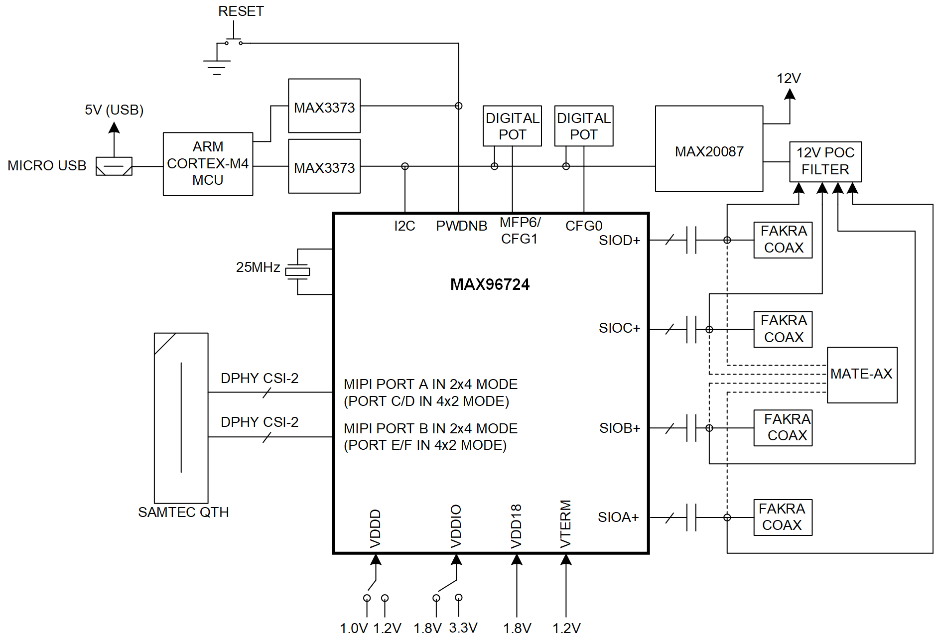
MAX96724/F/R EVKIT
MAX96724、MAX96724F和MAX96724R的评估套件
EVAL-ADN4624
评估ADN4622/ADN4624 5.7 kV rms/1.5 kV rms四通道LVDS 2.5千兆位隔离器
< 上一页
下一页 >
单击图片中的任意部分,即可了解该部件的内容
互动式信号链
点击此部分了解详情
开发人员工具和资源
设计工具
Analog Devices Security Lab
MAXIM Micro sdk
LTpowerCAD® and LTpowerPlanner®
LTspice®
仿真模型
ADI为RF、线性器件、转换器、电源管理器件和其他产品提供仿真模型,满足电路和电路板级仿真需求。
培训与支持
{{modalTitle}}
{{modalDescription}}
{{dropdownTitle}}
- {{defaultSelectedText}} {{#each projectNames}}
- {{name}} {{/each}} {{#if newProjectText}}
-
{{newProjectText}}
{{/if}}
{{newProjectTitle}}
{{projectNameErrorText}}