概览
优势和特点
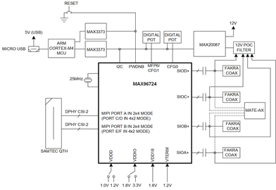
- MAX96724解串器接受来自串行器的GMSL数据,并将其转换为MIPI CSI-2数据信号。
- 向后兼容,接受GMSL-1串行数据
- 四路输入可以混搭GMSL-1和GMSL-2
- 输出符合MIPI D-PHY v1.2和CSI-2 v1.3规范
- Windows 10® 或更高版本兼容软件支持
- USB控制接口(随附电缆)
- 功能强大、易于使用的GUI,支持全方位器件特性评估
- 评估板由USB、12V壁式适配器或外部电源供电
- 经过验证的PCB布局
- 装配完成且经过测试
产品详情
MAX96724 DPHY评估套件(EV套件)提供了一个设计可靠的平台,采用标准FAKRA同轴电缆或MATE-AX电缆来评估MAX96724、MAX96724F和MAX96724R器件的性能。这些解串器支持高带宽、千兆多媒体串行链路(GMSL-1或GMSL-2),并提供扩频和全双工控制通道功能。该评估套件包括一个简单易用的Windows 10®或更高版本兼容图形用户界面(GUI),用于评估器件特性。该评估套件已安装板载MAX96724、MAX96724F或MAX96724R IC。
如需使用标准FAKRA同轴电缆完成GMSL-2评估,请订购MAX96724同轴电缆评估套件以及配套的串行器板,例如MAX9295A同轴电缆评估套件。有关所有GMSL-2功能的详细信息,包括如何使用器件的信息,请参阅ADI公司GMSL客户门户文件夹中的最新GMSL-2用户指南。有关如何使用GMSL2器件进行定制硬件设计的更多信息,请参阅ADI公司GMSL客户门户文件夹中的最新GMSL2硬件设计指南。
应用
- 高分辨率摄像头系统
- 先进驾驶辅助系统(ADAS)
文档
-
MAX96724/F/R: MAX96724 DPHY Evaluation Kit Data Sheet (Rev. 4)2023/3/20PDF2 M
-
MAX96724 Gerber Files2023/1/30ZIP2 M
-
MAX96724F-BAK-EVK ODB Files2022/9/8ZIP2 M


