概览
优势和特点
- 串行器能够将GMSL数据发送到解串器,将其转换为MIPI CSI-2
- Windows 10或更高版本兼容软件支持
- USB控制接口(随附电缆)
- 功能强大、易于使用的GUI,支持全方位器件特性评估
- 评估板由USB、12V壁式适配器或外部电源供电
- 经过验证的PCB布局
- 装配完成且经过测试
产品详情
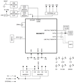
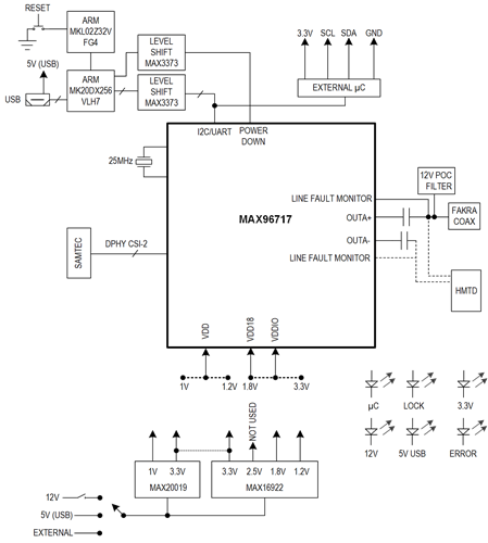
MAX96717 DPHY评估套件(EV套件)设计可靠,可使用标准FAKRA同轴(Coax)或HMTD电缆评估具有扩频和全双工控制通道的高带宽千兆多媒体串行链路(GMSL)串行器MAX96717。该评估套件还包括Windows® 7和Windows® 10软件,提供了简单的图形用户界面(GUI)来测试器件的特性。该评估套件已安装MAX96717、MAX96717F或MAX96717R IC。
若要利用标准FAKRA同轴电缆或HMTD电缆进行完整的GMSL评估,请订购MAX96717同轴电缆评估套件和配套的解串器板(数据手册中提到的MAX96716同轴电缆评估套件)。
文档
-
MAX96717/F/R/MAX96793 EVKit: MAX96717/MAX96793 DPHY Evaluation Kit Data Sheet (Rev. 9)2026/2/12UNDEFINEDundefined
-
MAX96717 DPHY Evaluation Kit ODB Files2023/4/28ZIP1 M
-
MAX96717F Gerber Files2023/1/26ZIP1K
-
MAX96717F-AAK-EVK ODB Files2022/9/8ZIP1 M



