概览
设计资源
评估硬件
产品型号带"Z"表示符合RoHS标准。评估此电路需要下列选中的电路板
- AD8368-EVALZ ($117.92) 800 MHz, Linear-in-dB VGA with AGC Detector
 - ADL5902-EVALZ ($123.29) 50 MHz to 9 GHz 65 dB TruPwr™ Detector
 
优势和特点
- 测量高达800MHz的真RMS功率
 - 检波范围为95dB
 - 单电源
 
参考资料
- 
                                                                
                                                                    
                                                                                                                                            MT-101:去耦技术2013/11/5PDF954 kB
 - 
                                                                
                                                                    
                                                                                                                                            MT-073: 高速可变增益放大器(VGA)2009/2/3PDF177 kB
 
- 
                                                                
                                                                    
                                                                                                                                            CN0340:检波范围为95 dB的真RMS RF检波器2013/11/19PDF282 kB
 
电路功能与优势

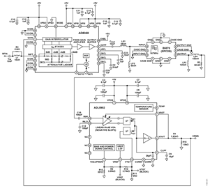
图1所示电路是一个真RMS响应功率检波器,采用可变增益放大器(VGA)和RMS响应功率检波器提供数值大约为95 dB的极宽检波范围。RMS检波器在很多应用中都十分有用,比如要求对信号功率进行精确测量的接收器和发射器。由于本电路测量RMS功率,因此适合用于具有不同波峰因素的系统中。这类系统的示例有:GSM/EDGE 、CDMA、WCDMA、TD-SCDMA和LTE无线基站,以及任何使用QAM调制的系统。
ADL5902 RMS检波器的检测范围为65 dB,通过加入线性AD8368 VGA可扩展至95 dB。ADL5902TADJ功能用于提供整个电路的温度稳定性。在VGA之间放置S AW滤波器,减少噪声的同时增加灵敏度。这样还会缩小电路的频率范围以及S AW滤波器的通带范围。
电路描述
ADL5902线性dB真RMS响应RF检波器的65 dB范围可通过独立的可变增益放大器(VGA)扩展。VGA的增益控制输入直接从ADL5902VOUT引脚获取。它可根据VGA增益控制范围扩展动态范围(实际应用中,获得的范围扩展略小)。若VGA还提供线性dB(指数)增益控制功能,那么总测量范围将保持线性缩放,单位为dB。VGA 增益必须随其增益偏置的增加而下降,下降方式与ADL5902相同。AD8368可以满足所有这些条件。图1显示电路原理图。
ADL5902RMS计算电路使用VGA分级架构。内部线性dB VGA具有负增益控制斜率,驱动窄范围RMS检波器的输入。该检波器的输出电平通过电流平衡架构与第二个设定点检波器输出进行比较;一个检波器提供电流,而另一个检波器吸取电流。如果两个检波器的输出电平不相等,那么残余电流将对电容进行充电或放电;电容值等于内部26 pF电容与ADL5902引脚6 (CLPF)上的外部电容的并联组合。该配置会使VOUT值上升或下降。由于VOUT直接连接ADL5902 VGA的增益控制输入,这样会使VGA增益上升或下降,直到两个检波器的输出电平相等。此时,VOUT和VGA增益完成建立。由于ADL5902VGA具有线性dB传递函数,VOUT输出电压与输入信号RMS值的对数成正比。
ADL5902的检测范围主要由其内部VGA的增益控制范围确定。因为输入信号随范围增加而下降,故VGA控制电压亦下降,直到VGA到达最大增益。对于上升中的大输入信号,VGA增益控制电压亦上升(从而VGA增益下降),直到达到最小增益。
在信号路径上增加额外的可变增益可扩展电路的检测范围。此时,VOUT反馈信号同时驱动ADL5902和AD8368的VGA增益控制输入。AD8368MODE引脚必须连接低电平,使增益控制斜率为负。由于AD8368VGA提供增益和衰减(GMAX = 22 dB,GMIN = −12 dB),因此可同时扩展ADL5902标称测量范围的上限和下限。但是,若要实现较优化的范围扩展,则驱动AD8368增益控制引脚的电压必须正确调整。
虽然ADL5902RMS检波器的标称输出电压范围为0 V至3.5 V,但AD8368VGA需要0 V至1 V控制电压范围才能完全实现其34 dB增益控制范围。因此,VOUT反馈电压必须向下缩放3.5倍。使用电阻分压器(图1中的R1和R15)即可轻松实现。
图2显示当输入功率以167 MHz扫描时得到的传递函数。采用4点校准法可获得最佳线性度,校准点为:+15 dBm、−15 dBm、−55 dB和−70 dBm。也可采用2点校准法,但在输入功率范围内线性度会有所下降。
注意,本电路中未使用AD8368板载RF检波器和自动电平控制(ALC)功能。因此,AD8368上的DETI和DETO引脚可保持开路状态。

RF输入功率灵敏度
为了获得图2中的出色灵敏度,必须在VGA和检波器之间放置一个窄带滤波器,如图1所示。若没有滤波器,AD8368的宽带输出噪声将会覆盖ADL5902的低端灵敏度特性。图3显示使用 ADIsimRF进行AD8368输出噪声计算的屏幕截图。存在最小输入信号时,AD8368VGA增益最大。若3 dB带宽为800 MHz并假设一阶滚降,则使用1272 MHz等效噪声带宽(即800 MHz乘以1.57)计算VGA的输出噪声功率。这样可以得到输出噪声功率水平为大约−51 dBm,即大致等于ADL5902的标称输入灵敏度以上10 dB。因此,为了达到较大低端灵敏度,一定程度的滤波是必要的。
图4显示电路中加入中心频率为167 MHz的EPCOS B5070 SAW滤波器后,进行相同的噪声计算。在该计算中,分析带宽降至与S AW滤波器带宽相同(18 MHz)。
由于噪声带宽大幅缩小,并且滤波器插入损耗为7.3 dB,VGA/SAW组合的集成输出噪声大幅下降至−77 dBm,远低于ADL5902RMS检波器的输入灵敏度。这样可确保VGA增益最大时,电路性能不会受限于噪声。


温度稳定性
ADL5902具有温度补偿功能。设置TADJ引脚(引脚1)上的电压可优化特定工作频率下的检波器截距温度稳定性。在图1所示的范围扩展电路中,VGA增益的任何温度变化都会使电路的整体漂移逐dB下降(例如,VGA增益温度的1 dB漂移将使整体温度稳定性下降1 dB)。对于AD8368VGA,AD8368数据手册中的图5显示增益随温度的变化而发生大约±0.7 dB的漂移。应注意VGA传递函数的截点发生了漂移(也就是说,所有增益的增益漂移误差不变)。因此,检波器和VGA具有相似的温度漂移特性。通过调节ADL5902 TADJ引脚上的电压,则检波器和VGA的组合温度漂移可得到补偿。对于167 MHz工作频率而言,可通过实验确定0.2 V的TADJ电压能够提供图2中所达到的最佳温度补偿。
常见变化
可以修改电路,以便适用于不同的中心频率、带宽和滤波器插入损失。如前所述,使用B5070滤波器,则当AD8368VGA增益最大时,ADL5902的输入噪声为−77 dBm。增加滤波器带宽将增加噪声水平。理想情况下,VGA输出噪声水平应保持在检波器的输入灵敏度水平以下(约为−60 dBm)。
滤波器的中心频率也可增大或减小。中心频率的增大将最终受限于AD8368VGA线性度的下降和增益控制范围的缩小,而该VGA的3 dB中心频率为800 MHz。也可选择中心频率较低的S AW滤波器,但低频工作性能受限于ADL5902,而该器件的工作频率低至50 MHz。此频率限制由ADL5902的内部交流耦合所驱动。
可使用分立式LC滤波器,作为S AW滤波器的替代器件。应当考虑滤波器的带宽和插入损失。
该电路也可不使用滤波器。然而,如前所述,不使用滤波器将极大地限制低端灵敏度。图5显示不使用滤波器的情况下,输出电压与输入功率的关系曲线。图中,低输入功率水平下的输出电压和误差曲线中较长的非线性弧形部分表示下降的输入信号被VGA噪声所覆盖。
AD8368VGA输入匹配网络(L1,R3)非窄带匹配电路。因此,假如选择的工作频率并非167 MHz,那么它应当保持在该范围之内。

也可使用ADL5906线性dB RMS检波器作为ADL5902的替代器件。但是,该器件的温度补偿功能将补偿检波器斜率的温度漂移(ADL5902TADJ功能补偿截点漂移)。由于AD8368VGA的温度漂移主要基于截点,ADL5906温度补偿功能不会降低VGA对整个温度漂移的贡献。
本电路的工作频率范围可通过宽带前端混频器和频率捷变PLL频率合成器扩展。此时,待测频率向下混频至S AW滤波器的中心频率。这类电路的工作频率将仅受限于混频器和PLL频率合成器的频率范围
电路笔记 CN-0178 描述了ADL5902的输出端如何与12位精密ADC AD7466 实现接口。
有关CN-0340的完整原理图、布局文件和物料清单可参考CN-0340 设计支持包:(www.analog.com/CN0340-DesignSupport )
电路评估与测试
使用标准评估板并对跳线稍作修改与调整,即可轻松搭建该电路。ADI提供配置齐全的AD8368和ADL5902评估板(ADL5902-EVALZ、AD8368-EVALZ)。EPCOS提供配置齐全的B5070 SAW滤波器。此板集成所需的4个匹配元件:LS1、LP2、LS3、LP4,如图1所示。测试配置的功能框图如图6所示。

设备要求
如需执行本电路笔记所述之测量步骤,则需使用下列设备(或等效设备):
- AD8368 评估板 (AD8368-EVALZ)
 - ADL5902 评估板 (ADL5902-EVALZ) (评估板如下所示进行修改)
 - 评估板上的S AW滤波器(EPCOS B5070,167 MHz或等效器件)
 - RF信号发生器:Agilent 8648C、Rohde & Schwarz SMT03或SMIQ
 - 5 V、400 mA电源:Agilent E3631A
 - 万用表:Agilent 34,401A
 
设置与测试
由于全部三块评估板均提供50 ¬接口,因此它们可通过桶形SMA连接器直接连接。ADL5902检波器输出端返回至AD8368VGA增益控制输入端的连接可方便地通过SMA电缆或芯片引脚实现,因为它是一个低速信号。缩小ADL5902检波器输出电压所需的电阻分压器可通过在ADL5902评估板的R1 (3.83 k¬)和R15 (1.5 k¬)焊盘上表贴安装电阻实现。在167 MHz时,优化电路温度稳定性的TADJ电压可通过R9/R12电阻分压器设置,该分压器以2.3 V片上基准电压源作为输入。若要将TADJ电压设为推荐的0.2 V电平,可将R9改为3.09 k¬(R12保持现有值,即301 Ω)。
用来评估电路的主要测量设备是:工作频率为167 MHz的RF信号发生器(例如:Agilent 8648C、Rohde & Schwarz SMT03、SMIQ或等效设备)、5 V电源(Agilent E3631A或等效设备)以及数字电压表(例如:Agilent 34401A或等效设备)。
对于精密RF检波器功率扫描而言,通常建议使用RF功率计测量检波器的源功率(例如:来自信号发生器的信号分为一半输入检波器,另一半输入RF功率计)。但是,在这种情况下,使用RF功率计覆盖95 dB检测范围非常困难。因此,使用信号发生器的输出功率显示作为源功率读数。建议选择已知具有精确输出功率水平显示的 RF信号发生器,特别是在低功率水平和高功率水平下具有精确的输出功率水平显示。
                                                