SSM2804

过期

内置D类扬声器和无电容耳机驱动器的音频子系统

产品技术资料帮助

ADI公司所提供的资料均视为准确、可靠。但本公司不为用户在应用过程中侵犯任何专利权或第三方权利承担任何责任。技术指标的修改不再另行通知。本公司既没有含蓄的允许,也不允许借用ADI公司的专利或专利权的名义。本文出现的商标和注册商标所有权分别属于相应的公司。

Viewing:

概述

  • 3路单端立体声音频输入,可选差分模式
  • 集成Σ-Δ调制的立体声1.4 W无滤波器D类放大器
  • 集成接收器路径旁路开关
  • 可配置的高性能无电容耳机输出,采用真地G类技术
  • 可选基于硬件的耳机电平限幅器
  • I2C 控制接口
    - 音量控制
    - 灵活的输入/输出混频
    - 输出模式控制
    - EMI辐射控制
    - 自动电平控制(ALC)
    - 可调耳机电平限幅器
  • 低关断电流
  • 短路和热保护
  • Pop-and-click(爆音与咔嚓声)抑制
  • 提供30引脚
    2.5 mm × 3.0 mm WLCSP封装

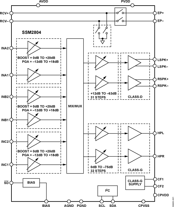
SSM2804是一款专门针对移动电话和便携式多媒体设备而设计的音频子系统。这款高度灵活的子系统包括三个输入通道,可以将其配置为单端立体声或单声道差分输入以用于多媒体音频源。

每组输入可以通过2线I2C接口独立调整,并且提供30 dB范围、1 dB步长的可调增益。每组输入通道还提供可选的可变输入阻抗PGA模式或固定输入阻抗升压模式。输入信号经过混频后路由至所需的一组输出。该配置通过2线I2C控制接口设置。

SSM2804提供三种可选的输出模式。

第一种输出模式是一个立体声D类扬声器驱动器,它能够向一个8 Ω桥接负载(BTL)提供2 × 1.4 W的连续功率,采用5 V电源时的总谐波失真加噪声(THD + N)为1%。该D类放大器集成三级Σ-Δ输出调制,用以延长电池续航时间和提高EMI性能。D类放大器提供I2C可调的音量控制功能,其增益范围为+12 dB至−63 dB,分31级进行调节。

第二种输出模式是一对高性能耳机驱动器,能够向立体声32 Ω单端负载提供每通道20 mW的功率,THD + N为1%。立体声耳机驱动器采用高效率、以真地为中心的G类架构。耳机输出集成I2C可调的音量控制功能,其增益范围为0 dB至−75 dB,分32级进行调节。

第三种输出模式是一个集成接收器路径旁路开关,用于传送来自音频基带的语音信号。

SSM2804的额定温度范围为−40°C至+85°C工业温度范围,内置热关断和输出短路保护功能,采用30引脚、2.5 mm x 3.0 mm晶圆级芯片规模封装(WLCSP)。

应用

  • 移动电话
  • 便携式多媒体设备

SSM2804
内置D类扬声器和无电容耳机驱动器的音频子系统
SSM2804-fbl SSM2804-pc
添加至 myAnalog

将产品添加到myAnalog 的现有项目或新项目中(接收通知)。

创建新项目
提问

参考资料

了解更多
添加至 myAnalog

Add media to the Resources section of myAnalog, to an existing project or to a new project.

创建新项目

软件资源

找不到您所需的软件或驱动?

申请驱动/软件

最新评论

需要发起讨论吗? 没有关于 SSM2804的相关讨论?是否需要发起讨论?

在EngineerZone®上发起讨论

近期浏览