Two engineers working in the lab

利用ADI一套新的精密技术信号链,可节省时间并加快交付解决方案。从智能工业到仪器仪表、电气化到数字健康,您的应用都能找到匹配的精密技术组合产品。

放心定制您的信号链

MAX9680

预发布

内置增益和滤波功能的3V视频放大器,SC70封装

纤小封装内集成3V视频放大器,工作在汽车级温度范围

产品技术资料帮助

ADI公司所提供的资料均视为准确、可靠。但本公司不为用户在应用过程中侵犯任何专利权或第三方权利承担任何责任。技术指标的修改不再另行通知。本公司既没有含蓄的允许,也不允许借用ADI公司的专利或专利权的名义。本文出现的商标和注册商标所有权分别属于相应的公司。

Viewing:

概述

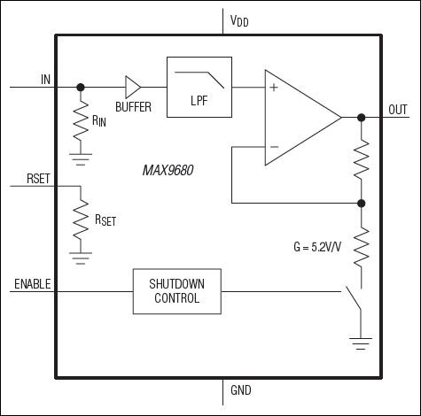
  • 5.2V/V内部增益
  • 2阶重建滤波器
  • 输入范围包括地电位
  • 直流耦合输入和输出
  • 满摆幅输出
  • 3.7mA低静态电流
  • 0.4µA关断电流

MAX9680高速放大器和滤波器优化用于便携式视频系统。器件经过专门设计,兼容于嵌入至应用处理器内、具有0.4VP-P视频输出的视频编码器。输入共模范围包含GND电位,允许视频DAC (数字至模拟转换器)直流耦合至MAX9680。

器件连接标准背向端接视频负载(150Ω)时的输出摆幅为GND + 2mV至VDD - 20mV。内部电平转换电路防止输出端在0V输入时饱和,从而避免通用视频电路的同步脉冲削波。MAX9680理想用于直流耦合的视频负载。

MAX9680针对空间受限的应用进行优化,集成了内部增益设置电阻(G = 5.2V/V)和2阶视频DAC重建滤波器。

关断模式下,静态电流降至0.4µA以下,极大地降低了功耗,延长了电池使用寿命。MAX9680采用微型2mm x 2.1mm、6引脚SC70封装。

应用

  • 数码相机
  • 数字摄像机
  • 移动电话

MAX9680
内置增益和滤波功能的3V视频放大器,SC70封装
MAX9680:原理框图
添加至 myAnalog

将产品添加到myAnalog 的现有项目或新项目中(接收通知)。

创建新项目
提问

参考资料

了解更多
添加至 myAnalog

Add media to the Resources section of myAnalog, to an existing project or to a new project.

创建新项目

软件资源

找不到您所需的软件或驱动?

申请驱动/软件

最新评论

需要发起讨论吗? 没有关于 MAX9680的相关讨论?是否需要发起讨论?

在EngineerZone®上发起讨论

近期浏览