MAX9517

标清视频滤波放大器,提供双通道SPST开关

视频滤波放大器,集成双路SPST开关,适用于多种系统,可有效节省成本和电路板尺寸

产品技术资料帮助

ADI公司所提供的资料均视为准确、可靠。但本公司不为用户在应用过程中侵犯任何专利权或第三方权利承担任何责任。技术指标的修改不再另行通知。本公司既没有含蓄的允许,也不允许借用ADI公司的专利或专利权的名义。本文出现的商标和注册商标所有权分别属于相应的公司。

Viewing:

概述

  • 集成重建滤波器用于标清视频信号
  • 9MHz,±1dB通带
  • 27MHz处衰减52dB
  • 双SPST开关
  • 2V/V固定增益
  • 直流或交流耦合输出
  • 2.7V至3.6V单电源供电

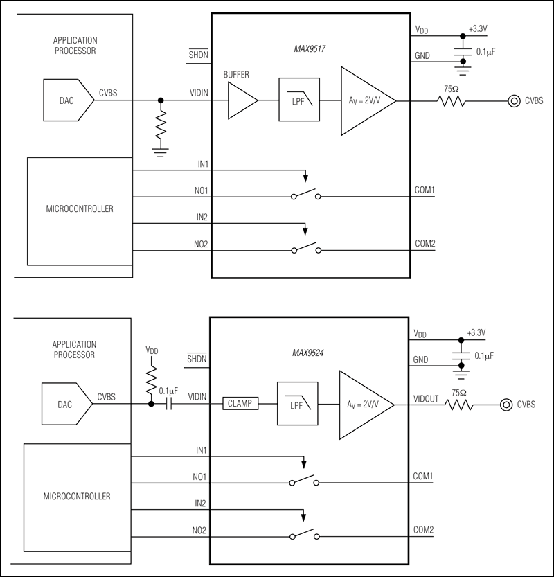
MAX9517/MAX9524为集成了重建滤波器的低功耗视频放大器。非常适合标清视频信号,例如复合视频以及亮度信号。这些器件可理想用于多种系统,如手机、安全监控/CCTV摄像机。视频信号可直流耦合至MAX9517输入或交流耦合至MAX9524的输入。

MAX9517/MAX9524具有两个单刀单掷(SPST)模拟开关,用于切换立体声音频、视频或数字信号。重建滤波器的±1dB通带典型值为9MHz,27MHz处衰减52dB。放大器增益为2V/V,输出可直流耦合至75Ω负载,等效于两路视频负载;也可以交流耦合至150Ω负载,等效于一路视频负载。

MAX9517/MAX9524采用2.7V至3.6V单电源供电,额定工作于-40°C至+125°C汽车级温度范围。MAX9517/MAX9524提供小尺寸12引脚TQFN (3mm x 3mm)封装。

应用

  • 便携式摄像机(DVC)
  • 数码相机(DSC)
  • 移动电话/蜂窝电话
  • 便携式媒体播放器(PMP)
  • 安全/CCTV相机

MAX9517
标清视频滤波放大器,提供双通道SPST开关
MAX9517、MAX9524:典型工作电路
添加至 myAnalog

将产品添加到myAnalog 的现有项目或新项目中(接收通知)。

创建新项目
提问

参考资料

了解更多
添加至 myAnalog

Add media to the Resources section of myAnalog, to an existing project or to a new project.

创建新项目

软件资源

找不到您所需的软件或驱动?

申请驱动/软件

硬件生态系统

部分模型 产品周期 描述
有源滤波器 1
MAX9507 过期 1.8V、DirectDrive视频滤波放大器,提供负载检测和两路SPST模拟开关
运算放大器 1
MAX9586 过期 单、双、三和四通道标清视频滤波放大器,提供交流耦合输入缓冲器
Modal heading
添加至 myAnalog

将产品添加到myAnalog 的现有项目或新项目中(接收通知)。

创建新项目

最新评论

需要发起讨论吗? 没有关于 MAX9517的相关讨论?是否需要发起讨论?

在EngineerZone®上发起讨论

近期浏览