MAX7457

用于双SCART连接器的视频开关

产品技术资料帮助

ADI公司所提供的资料均视为准确、可靠。但本公司不为用户在应用过程中侵犯任何专利权或第三方权利承担任何责任。技术指标的修改不再另行通知。本公司既没有含蓄的允许,也不允许借用ADI公司的专利或专利权的名义。本文出现的商标和注册商标所有权分别属于相应的公司。

Viewing:

概述

  • 4通道视频滤波器和缓冲器,用于带辅助输入的RGB和CVBS信号
  • 辅助输入可用于CVBS视频环回
  • 滤波器响应非常适合NTSC、PAL和隔行扫描SDTV视频信号
  • 43dB (典型)带外衰减(27MHz)
  • 5MHz频带内,带内波动为±0.75dB (最大值)
  • 电缆消隐电压< 1V
  • 每通道可驱动两路150Ω视频负载
  • +5V单电源供电
  • 16引脚、5mm x 5mm x 0.8mm TQFN封装
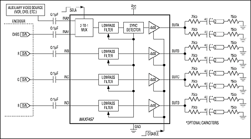
  • MAX7457是4通道视频开关,尤其适合ADC抗混叠滤波和DAC平滑滤波的视频应用,或任何从电缆/卫星/地面广播机顶盒(STB)、DVD播放器、硬盘记录仪(HDR)和个人录像机(PVR)的数字流中恢复模拟视频信号的应用。MAX7457器件对CVBS和RGB视频信号进行滤波、缓冲,可理想用于带有辅助CVBS输入的双SCART (电视)机顶盒(STB)。器件采用+5V单电源供电,具有平坦的5MHz通频带,以及43dB的带外衰减(27MHz处)。完全符合NTSC、PAL和标准清晰度数字电视(SDTV)等视频应用的要求。

    MAX7457的视频输出缓冲器具有固定+6dB增益,可驱动两路标准的150Ω视频负载。CVBS视频通道带有高频提升电路,提供+1.2dB的图象锐化,且不会降低带外指标。输出视频驱动器可通过外部引脚控制禁用。

    MAX7457采用16引脚5mm x 5mm x 0.8mm TQFN封装。工作在-40°C至+85°C汽车级温度范围。

    应用

    • 台式视频编辑器
    • 数字VCR
    • DVD播放器
    • 游戏控制台

    MAX7457
    用于双SCART连接器的视频开关
    MAX7457:典型工作电路
    添加至 myAnalog

    将产品添加到myAnalog 的现有项目或新项目中(接收通知)。

    创建新项目
    提问

    参考资料

    了解更多
    添加至 myAnalog

    Add media to the Resources section of myAnalog, to an existing project or to a new project.

    创建新项目

    软件资源

    找不到您所需的软件或驱动?

    申请驱动/软件

    最新评论

    需要发起讨论吗? 没有关于 MAX7457的相关讨论?是否需要发起讨论?

    在EngineerZone®上发起讨论

    近期浏览