MAX7356

量产

1至8路I²C总线开关/复用器,带有总线闭锁检测、隔离和报警指示

业内仅有的I²C开关,提供总线闭锁检测、隔离和报警指示

产品技术资料帮助

ADI公司所提供的资料均视为准确、可靠。但本公司不为用户在应用过程中侵犯任何专利权或第三方权利承担任何责任。技术指标的修改不再另行通知。本公司既没有含蓄的允许,也不允许借用ADI公司的专利或专利权的名义。本文出现的商标和注册商标所有权分别属于相应的公司。

Viewing:

概述

  • 总线锁定检测和隔离(MAX7357、MAX7358)
  • 通知主机检测锁定(MAX7357、MAX7358)
  • 保留故障诊断信息(MAX7357、MAX7358)
  • 双功能、/RST/或/INT提供锁定通知和硬件复位 (MAX7357、MAX7358)
  • /RST输入复位I²C接口(MAX7358)
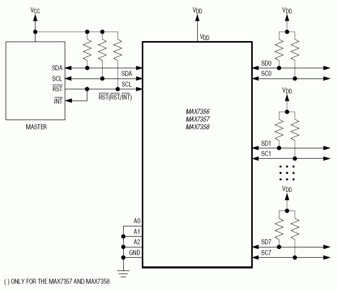
  • 3路地址控制输入
  • 低RON开关
  • 逻辑电平转换
  • 低于0.1µA (典型值)待机电流
  • 支持热插入
  • 100kbps标准模式或400kbps快速模式I²C接口
  • 地址转换允许多个设备使用同一ID
  • 可承受5.5V输入
  • 2.3V至5.5V电源

MAX7356/MAX7357/MAX7358为8通道I²C开关/复用器,可将主I²C总线扩展到8个外部I²C总线的任意组合。该系列器件可使总线上的主机与可能存在从地址冲突的从机器件或芯片组隔离或进行通信。通过主I²C上的控制包写这些I²C开关的主控制器来实现连接或断开任意扩展的总线。

MAX7357和MAX7358具有增强模式,包含内部计时器,用于监视锁定条件下的所有扩展总线。如果这些总线上的时钟或数据线保持低电平超过25ms (典型值),则认为监测到锁定条件。通过双向/RST或/INT来产生可选的中断。主机可以读取总线锁定寄存器,以找出锁定的扩展总线。主机可以使能MAX7357或MAX7358对故障通道发送“清除”时序。提供预连接检测选项,将扩展总线的时钟和数据线拉低然后再置高可以使能改功能,确保下游总线在连接至主机之前不会锁定到高电平。

MAX7356/MAX7357/MAX7358在每路通道上的信号发送和接收是透明的,允许挂接多个主机。连接到I²C总线的任何器件都可以发送和接收信号;但是,只有连接在MAX7356/MAX7357/MAX7358主机侧的主机可以进行器件寻址。

MAX7356/MAX7357/MAX7358采用24引脚TSSOP或TQFN封装,工作在-40°C至+85°C扩展级温度范围。

应用

  • 基站
  • 过程控制与自动控制设备
  • 网络设备
  • RAID
  • 服务器
  • SFP控制接口

MAX7356
1至8路I²C总线开关/复用器,带有总线闭锁检测、隔离和报警指示
MAX7356/MAX7357/MAX7358:典型工作电路
添加至 myAnalog

将产品添加到myAnalog 的现有项目或新项目中(接收通知)。

创建新项目
提问

参考资料

了解更多
添加至 myAnalog

Add media to the Resources section of myAnalog, to an existing project or to a new project.

创建新项目

软件资源

找不到您所需的软件或驱动?

申请驱动/软件

硬件生态系统

部分模型 产品周期 描述
模拟开关与多路复用器 3
MAX7369 量产 4通道I²C开关/复用器
MAX7368 量产 4通道I²C开关/复用器
MAX7367 量产 4通道I²C开关/复用器
Modal heading
添加至 myAnalog

将产品添加到myAnalog 的现有项目或新项目中(接收通知)。

创建新项目

评估套件

MAX7358EVKIT

MAX7356、MAX7357和MAX7358评估板

特性和优点

  • Windows 2000/XP和Windows Vista (32位)兼容软件
  • USB至PC连接(包含电缆)
  • USB供电
  • 无铅并符合RoHS标准的封装
  • 经过验证的PCB布局
  • 完全安装并经过测试

产品详情

MAX7358评估板(EV kit)提供经过验证的设计,用于评估8通道I²C接口开关/复用器MAX7358。该评估板还包括Windows® 2000/XP以及Windows Vista®兼容软件,提供简捷的图形用户界面(GUI),用来验证MAX7358的性能。

MAX7358评估板上带有USB接口,允许通过PC访问MAX7358的内部寄存器,并由USB为评估板提供电源。

MAX7358评估板PCB安装了MAX7358EUG+。通过替换MAX7358 (U1),该评估板还可评估MAX7356和MAX7357。评估与之引脚兼容的MAX7356EUG+或MAX7357EUG+时,请与工厂联系,以获得免费样片。

应用

  • 基站
  • 过程控制与自动控制设备
  • 网络设备
  • RAID
  • 服务器
  • SFP控制接口

MAX7358EVKIT
MAX7356、MAX7357和MAX7358评估板

最新评论

需要发起讨论吗? 没有关于 MAX7356的相关讨论?是否需要发起讨论?

在EngineerZone®上发起讨论

近期浏览