MAX6694

量产

5通道、高精度温度监测器,带有beta补偿

可监测一路本地温度、四路远端温度,其中包括一个亚65nm、低beta值的温度检测晶体管

产品技术资料帮助

ADI公司所提供的资料均视为准确、可靠。但本公司不为用户在应用过程中侵犯任何专利权或第三方权利承担任何责任。技术指标的修改不再另行通知。本公司既没有含蓄的允许,也不允许借用ADI公司的专利或专利权的名义。本文出现的商标和注册商标所有权分别属于相应的公司。

Viewing:

概述

  • 四个热敏二极管输入
  • Beta补偿(通道1)
  • 本地温度检测
  • 1.5°C远端温度检测精度(+60°C至+100°C)
  • 温度检测始于POR,具有系统失效保护
  • /ALERT和/OVERT输出用于中断、禁止或关断控制
  • /STBY输入用于硬件待机模式
  • 小尺寸、16引脚TSSOP或TQFN封装
  • 2线SMBus接口

MAX6694高精度多通道温度传感器可监测自身温度及四路外部连接成二极管的晶体管温度。所有温度通道均具有可编程的报警门限。通道1和4还具有可编程的过热门限。当检测到一路通道上的温度超过其对应的门限时,状态寄存器中的状态位置位。两个漏极开路输出、/OVERT和/ALERT对状态寄存器中的对应位进行置位。

2线串口采用标准的系统管理总线(SMBus™)协议:可执行写字节、读字节、发送字节和接收字节命令,以便读取温度数据以及设置报警门限。

MAX6694指定工作于-40°C至+125°C温度范围,采用16引脚TSSOP或5mm x 5mm薄型QFN封装。

应用

  • 台式计算机
  • 笔记本电脑
  • 服务器
  • 工作站

MAX6694
5通道、高精度温度监测器,带有beta补偿
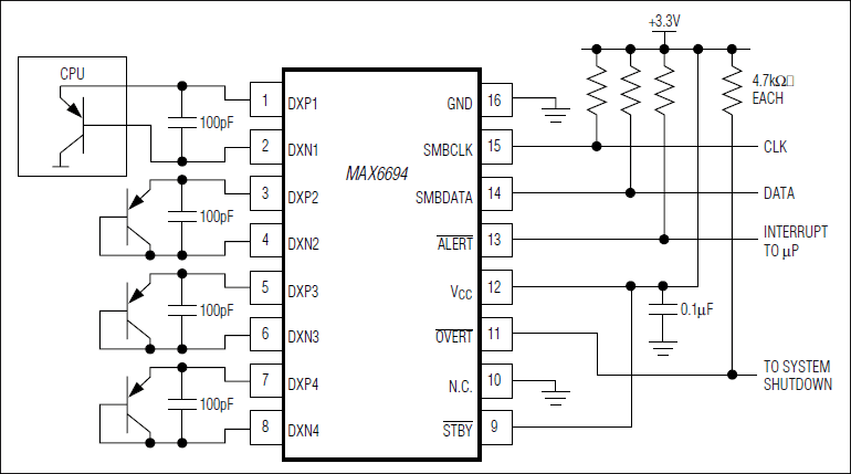
MAX6694:典型应用电路
添加至 myAnalog

将产品添加到myAnalog 的现有项目或新项目中(接收通知)。

创建新项目
提问

参考资料

了解更多
添加至 myAnalog

Add media to the Resources section of myAnalog, to an existing project or to a new project.

创建新项目

软件资源

最新评论

需要发起讨论吗? 没有关于 MAX6694的相关讨论?是否需要发起讨论?

在EngineerZone®上发起讨论

近期浏览